一.目的
项目应用中,越来越多的设备需要通过网络与外界进行通讯,制作一款通用的wifi模块是非常有必要的,故对市场上常用的wifi解决方案进行调研,综合各个因素,选取最优的解决方案。
二. 关键术语
| 术语、缩略语 | 解 释 |
| AP/STA模式 | AP:无线接入点,是一个无线网络的创造者(路由器等) Sta:sta站点,网络中的终端(手机电脑等) |
| IEEE 802.11 n/b/g
| 无线常用的三种标准 IEEE 802.11a,1999年,物理层补充(54Mbit/s,工作在5GHz) IEEE 802.11b,1999年,物理层补充(11Mbit/s工作在2.4GHz) IEEE 802.11g,2003年,物理层补充(54Mbit/s,工作在2.4GHz)。 IEEE 802.11n,草案,更高传输速率的改善,支持多输入多输出技术(600Mbit/s 2.4GHz或者5GHZ) |
三.技术调研
- WIFI芯片原厂及模组方案厂商
| 芯片原厂 | 主推芯片 | 厂商信息 |
| TI(德州仪器) | CC3200/3100(有人科技模组) | http://www.ti.com.cn/ 美国 |
| Realtek(瑞昱半导体) | RTL8711/8710/8188/8812 | http://www.realtek.com.tw/ 台湾 |
| 乐鑫科技 | ESP8266/ESP32 | http://espressif.com/ 上海 |
| MTK 联发科(收购雷凌-Ralink) | MT7687/1/6 MT7620 MT7601u(小米wifi模块) RT5370(360wifi模块)RT5350 | http://www.mediatek.com/ 台湾 |
| cypress(收购博通) | bcm43341 | http://www.broadcom.com 美国 |
| 高通 | QCA4002/4004 | http://www.qualcomm.cn/ 美国 |
| Marvell(美满科技) | 88NW300 MW300 | http://www.marvell.com/ 美国 |
| 联盛德微电子 | W500 | http://www.winnermicro.com/ 北京 |
| 南方硅谷 | SSV6060P | http://www.southsv.com.cn/ 深圳 |
| 澜起科技 | M88WI6032D | http://www.montage-tech.com/ 上海 |
还有蓝牙+wifi合二为一的芯片。
| 厂商 | 蓝牙wifi 共用芯片 | 价格 | 封装 | 性能参数 | wifi标准协议 | 蓝牙标准 | wifi频段 |
| 乐鑫 | ESP32 | • Xtensa® 32-bit LX6 单/双核处理器 240MHZ | 802.11 /b/g/n | V4.2 | |||
| MTK | MT7697 | Cortex-M4 192MHZ | 802.11 a/b/g/n | V4.2 | 双频2.4GHz+5G wifi | ||
| TI | |||||||
| 博通 | BCM43438 | ||||||
| 瑞昱 | RTL8723 | 802.11 a/b/g/n | V4.2和V2.1+EDR | 单频2.4GHz | |||
| RTL8821 | 802.11 a/b/g/n/ac | V4.2和V2.1+EDR | 双频2.4GHz+5G wifi |
| 模组方案商 | 主推方案使用主控芯片 | 方案商信息 | 总部 |
| 村田(muRata) | cypress(CYW43364/43907/43362) TI(CC3220/3120,wl1801) Marvell(MW300) | http://www.murata.com/ | 日本 |
| 环旭电子股份有限公司(USI) | 博通,MTK,realtek | http://www.usish.com/ | |
| TDK | 博通 | http://www.tdk.co.jp/ | 日本 |
| 正基科技 | 博通 | http://www.ampak.com.tw/ | 台湾 |
| 海华科技(AzureWave) | Marvell、博通、高通Atheros、MTK雷凌 | http://www.azurewave.com/ | 台湾 |
| 群登科技股份有限公司 | 南方硅谷6060P、联发科MT7688 | www.acsip.com.tw | 台湾 |
| 深圳市博鹏发科技股份有限公司(RF-LINK) | 联发科MT7601 | http://www.rflink.cc/ | 深圳 |
| 深圳市必联电子有限公司(B-link) | Marvell 88MW300,联发科MT7681 | http://www.b-link.net.cn/ | 深圳 |
| 深圳市科中龙光电科技有限公司 | 瑞昱RTL8711 | http://www.kzlgd.com/ | 深圳 |
| 深圳市欧智通科技有限公司 | 瑞昱RTL8188ETV、RTL8711、RTL8812、 RTL8811、RTL8192、RTL8723、RTL8189, 高通QCA6174、QCA9377 | http://www.fn-link.com/ | 深圳 |
| 上海庆科信息技术有限公司(MXCHIP) | 博通、ST | http://www.mxchip.com/ | 上海 |
| 上海汉枫电子科技有限公司 | Marvell 88MW300 | http://gb.hi-flying.com/ | 上海 |
| 博联(Broadlink) | Marvell、MTK | http://www.broadlink.com.cn/ | 杭州 |
| 江波龙电子(longsys) | 高通 | http://www.foresee.cc/ | 深圳 |
| 济南有人物联网技术有限公司 | TI CC3200、Marvell、Realtek | http://www.usr.cn/ | 济南 |
| 深圳市安信可科技有限公司 | 乐鑫ESP8266 | http://www.ai-thinker.com/ | 深圳 |
| 锐凌微南京电子科技有限公司 | http://www.ralinwi.com/ | 南京 | |
| 深圳市奥金瑞科技有限公司 | TI CC3200、 MT7681、高通QCA400 | http://www.ogemray.com/ | 深圳 |
| 深圳市海凌科电子有限公司 | MT7681、MT7688K、RT5350 | http://www.hlktech.com/ | 深圳 |
| 深圳市红心物联科技有限公司 | 联盛德HED10W07SN、RT5350 | http://www.wuxiankaifa.com/ | 深圳 |
| 深圳市天工测控技术有限公司 | http://www.skylab.com.cn/ | 深圳 | |
| 杭州德澜科技有限公司 | 高通AR9331、高通QCA4004 | http://www.idelan.cn/ | 杭州 |
| 深圳市捷博科技有限公司 | RTL8723、RTL8188、RTL8189、RT3070、 RT5390、MT7601、MTK5931高通QCA4004 | http://www.japoo.hk/ | 深圳 |
| 深圳市远嘉科技有限公司 | 联盛德HED10W07SN | http://www.wifitop.com/ | 深圳 |
| 深圳市旭瑞昇科技有限公司 | RT3070、MT7681、高通QCA4004、RT5350、 RT3070MT7601、RT5370、MT7681、RTL8188、RT3072、RT2070 | http://www.szxures.com/ | 深圳 |
| 深圳市东恒电子有限公司 | MT7620、RT5350、ESP8266 | http://www.dh-tech.com.cn/ | 深圳 |
| 深圳市酷宅科技有限公司 | 瑞昱RTL8711AF,上海乐鑫esp8266, 联发科MT7681 | http://www.coolkit.cn/ | 深圳 |
| 浙江风向标科技有限公司 | 澜起M88WI6032D、联发科MT7681、乐鑫ESP8266、 瑞昱RTL8711 | http://www.vanelife.com/ | 深圳 |
| 深圳市中易腾达科技股份有限公司 | 博通 MTK7603/7612/7632 QCA9379 CYW43438 | http://www.sziton.com/ | 深圳 |
| 太阳诱电(Taiyo-Yuden) | http://www.t-yuden.com/ | 日本 | |
| 三星机电 | 三星芯片 | 韩国 | |
| 致远电子(周立功) | 博通 | http://www.zlg.cn/wireless/wireless/index.html | 深圳 |
(1)为减小芯片停产风险,市场占有率相对较小的芯片公司,不参与下面的芯片参数对比。
(Marvell,联盛德微电子,南方硅谷,澜起科技 )
(2)高通 QCA4002(5美元),芯片方案总体成本相对较高,排除掉。博通主要业务在 消费级产品主要应用到手机平板等,芯片价格较贵,排除掉。
四.市面上的wifi方案实现方式
4.1.1 硬件实现方式
(1)单片机+芯片
(2)内部soc 芯片(集成wifi)
4.1.2 软件开发方式
网络协议栈:将通信协议TCP/IP写入MCU的方式实现WIFI的数据传输
SDK开发方式(修改sdk)
4.1.3 常用wifii外部接口
SDIO ,SPI,USART,USB等
五.常见问题
5.1wifi模块的几大指标
(1)Wifi模块发射功率
在不同无线协议下,发射功率均不同,一般模块的发射功率在18dbm,大功率模块,发射 功率在28dbm。
(2)wifi模块的传输效率
不同协议下,及硬件配置,wifi传输速率也会有所不同.

5.2wifi 传输距离

5.3wifi功耗
Wifi模块的功耗与wifi模块的发射功率,以及传输距离是密切相关。发射功率越大,传输距离越远,功耗越大。
5.4wifi模块的接收灵敏度
接收机灵敏度是指给定接收机解调器前要求信噪比的条件下,接收机所能检测的最小信号的电平。接收灵敏度是表征待测无接收性能的一个参数,其接收的有用信号越多,其无线覆盖范围越大。
六.wifi芯片综合对比
6.1
| 型号 | 开发环境 | 性能资源 | 参考价格(RMB) | 封装 | 设计复杂度 | 解决方案成本 | 工作温度范围 | 数据吞吐量 | wifi标准协议 |
| RTL8711AF | IAR | M3,无需外挂flash 166MHZ | 15 | QFN48 | 低 | 低 | ‘-20 ~ 125 | 802.11g 54Mbps 802.11n 150Mbps | 802.11 /g/n |
| ESP8266 | GCC | 32位 CPU, 时钟最高160MHZ 片上SRAM(用户可用50K) 需外部flash存储用户程序 | 9 | QFN32 | 低 | 低 | ‘-40 ~ 125 | 802.11g 最大54Mbps 802.11n 最大65Mbps | 802.11 b/g/n |
| MT7687 | IAR/MDK/GCC | M4内核 192MHZ 352k SRAM | 18 | QFN | 低 | 中 | ‘-40 ~ 125 | 802.11n 最大150Mbps | 802.11 b/g/n |
| MT7681 | IAR/MDK/GCC | 32位 CPU, 80Mhz | 15 | QFN40 | 低 | 低 | ‘-40 ~ 125 | 802.11 b/g/n | |
| CC3200 | IAR/GCC/CCS | M4内核 80MHZ RAM 256K | 32 | QFN64 | 低 | 高 | ‘-40 ~ 85 | 802.11 /g/n |
1.综合以上几款芯片,功耗上总体相差不大,需要看应用场景和软件设计
2.除ESP8266必须外扩flash芯片外,硬件上几款芯片的外围芯片均不多,但在PCB的布局 布线上都要特别注意。
3.CC3200,MT7687处理能力更强,可使用IAR等环境开发,上手相对快一点。高性能wifi 模块可考虑使用CC3200和MT7687。
4.ESP8266和RTL8711AF,MT7681适合低成本方案,设计上都比较简单。几款芯片中RTL8711性价比 最高,ESP8266价格最低,市面上的模组方案最多。
七.技术解决方案
通过各个指标对比,在目前的应用中,主要作为透传模块使用,对性能方面的要求相对较低。TI
CC3xxx方案暂时不考虑,其他三种芯片可根据供货情况进行选择,更倾向于ESP8266和MT7681。
| 芯片型号(Cellwise) | 优点 | 缺点 |
| ESP8266 |
2方案总体成本较低。
|
|
| RTL8711AF | 1.同等级芯片中性价比最高 2.市面基于该芯片的模组方案较多。 |
|
| MT7681 | 1.支持多种开发环境,官方开放资源相对较多 | 外设资源相对较少 |
7.1硬件设计方案
7.1.1典型电路图
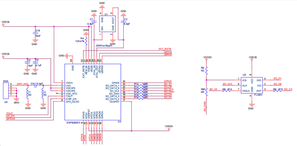
(1)ESP8266电路图
硬件设计可参考esp8266_hardware_design_guidelines_cn.pdf文档(硬件设计规范可同时应用到其他wifi芯片)

(2)MT7681电路图查看附件。
电路关键元器件
| 序号 | 物料名称 | 物料编码 | 型号 | 数量 | 备注 |
| ESP8266 | TZ1387A (recommended), |
|
| 1 | 26M |
| ESP8266EX |
|
| 1 | QFN32_5x5 | |
| GD25Q32C(FM25Q16A) |
|
| 1 |
| |
| MT7681 | MT7681 |
|
|
|
|
| W25X40BV |
|
|
|
| |
| XTAL/40MHZ |
|
|
|
|
7.2通讯设计
设备通过串口与wifi模块进行通讯,wifi模块通过网络上传到APP端。
AP+STA模式,方便设备的维护。Wifi芯片内部使用LWIP网络协议栈。
八.总结
1.市面上的wifi模组方案众多,且价格优惠,稳定性较高,功能全面,如果用量较小,建议采购模组进行对接。(模组方案有国外的大厂,芯片厂商也有提供模组方案,也有许多例如致远电子,野火,有人,庆科等国内厂家可根据供应链采购容易程度进行选择)
2.芯片方案CC3200,RTL8711,ESP8266,MT7687,MT7681都有各自的优势可根据不同要求进行选择。(PCB布线要特别注意)
3.蓝牙+wifi方案建议使用乐鑫ESP32单核
附件:
MT7687F-MEDIATEK.pdf
esp8266ex_datasheet_cn.pdf
cc3200.pdf
RTL8711AF-Realtek.pdf等
最后
以上就是顺利橘子最近收集整理的关于wifi模块调研的全部内容,更多相关wifi模块调研内容请搜索靠谱客的其他文章。
发表评论 取消回复