1、D触发器实现


不带NOR1时,就是一个4分频电路,或者说4计数器,11->10->01->00->11
{signal: [
{name: 'Clk', wave: 'P...........', period: 1},
{name: 'Q1'', wave: 'P.....', period: 2},
{name: 'Q2'', wave: 'P..', period: 4}
]}

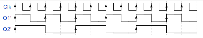
加了NOR以后,也就是每次到00时会复位,11->10->01->11,这样得到了占空比2/3的3分频信号,将该信号在下降沿缓存一级,然后相于,就得到了占空比50%的3分频信号
{signal: [
{name: 'Clk', wave: 'P...........', period: 1},
{name: 'Q1'', wave: 'hlh.lh.lh.lh', period: 1},
{name: 'Q2'', wave: 'h.lh.lh.lh.l', period: 1},
{name: 'Q2'Q1'', wave: '345345345345', period: 1, data: ['11', '10', '01', '11', '10', '01', '11', '10', '01', '11', '10', '01']},
]}

2、JK触发器实现
J类似set,K类似Reset,JK同时起作用是反转,JK都不起作用保持


| Q1Q2 | J2、Q1 | Q2 | J1、Q2’ |
|---|---|---|---|
| 00 | 0 | 0 | 1 |
| 10 | 1 | 0 | 1 |
| 10 | 0 | 1 | 0 |
| 00 | 0 | 0 | 1 |
{signal: [
{name: 'Q1Q2', wave: '345345', period: 2, data: ['00', '10', '01', '00', '10', '01']},
{name: 'Clk', wave: 'P.....', period: 2},
{name: 'Q1', wave: 'lhl.hl', period: 2},
{name: 'Q2', wave: 'l.hl.h', period: 2},
{name: 'Q2'', wave: 'h.lh.l', period: 2}
]}

https://www.circuitlab.com/
https://wavedrom.com/editor.html
最后
以上就是繁荣早晨最近收集整理的关于008 触发器实现三分频的全部内容,更多相关008内容请搜索靠谱客的其他文章。
本图文内容来源于网友提供,作为学习参考使用,或来自网络收集整理,版权属于原作者所有。
发表评论 取消回复