数字电路基础知识——时序逻辑电路之时序逻辑分析方法
一、时序逻辑电路
-
组合电路喝时序电路的区别
组合逻辑电路:任意时刻的输出仅仅取决于当前的输入信号。
时序逻辑电路:任意时刻的输出不仅仅取决于当前的输入信号,还和原来的状态有关。 -
时序电路的结构框图
下面给出了时序逻辑电路基本结构框图:

电路的结构上:
1)包含存储顶电路、组合电路
2)存储器的状态喝输入变量共同决定输出状态(或者说存储电路的输出状态必须反馈到组电路的输入端) -
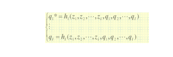
描述时序逻辑电路的方程组
输出方程:

激励方程(驱动方程):

状态方程:

二、时序逻辑电路分类
- 按照出触发器的动作特点来分,可以分为:
1)同步时序电路
存储电路所有触发器的时钟使用同一的clk,状态变化在同一时刻
2)异步时序电路
没有统一的clk,触发器的状态变化有先有后 - 按照时序电路输出信号的特点来分,可以分为:
1)Mealy
Y = F(X, Q)
电路的输出是输入变量及触发器现态的函数

2)Moore
Y = F(Q)
电路仅仅取决于各触发器的现态,不受电路输入的影响

三、时序电路的分析方法
一般对时序电路的分析是找出时序电路的逻辑功能,即找出在输入喝clk作用下,电路的次态和输出。
一般步骤:
1)在时序电路中写出存储电路中每个触发器的驱动方程(输入的逻辑关系式),得到整个电路的驱动方程。
2)将驱动方程代入触发器的特性方程,得到状态方程。
3)写出输出方程
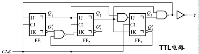
例:分析如下的时序电路

-
驱动方程:
J1 = (Q3Q2)’ K1= 1
J2 = Q1 K2 = (Q1’Q3’)’
J3 = Q2Q1 K3 = Q2输出方程:
Y = Q3Q2 -
状态方程:(将驱动方程代入所使用的寄存器的特性方程中,基本的触发器的公式可以参考上一节)
JK 触发器(JKFF)的特性方程为: Q* = JQ’ +J’Q
因此:
Q1* = (Q3Q2)‘Q1’
Q2* = Q1Q2’ + Q1’Q3’Q2
Q3* = Q1Q2Q3’ + Q2’Q3 -
除了写出此电路的逻辑函数外,还有其他的描述时序电路功能的方法,还有其他方法,如状态转换表、状态转换图、时序图(波形图)
状态转换表:

-
状态转换图:

-
时序图:

最后
以上就是火星上衬衫最近收集整理的关于数字电路基础知识——时序逻辑电路之时序逻辑分析方法的全部内容,更多相关数字电路基础知识——时序逻辑电路之时序逻辑分析方法内容请搜索靠谱客的其他文章。
发表评论 取消回复