Verilog学习之路(9)—计数器和移位寄存器
一、前言
计数器是应用最广泛的逻辑部件之一。计数器可以统计输入脉冲的个数,具有计时、计数、分频、定时、产生节拍脉冲等功能。
计数器的种类繁多,根据计数器中触发器时钟端的链接方式,分为同步计数器和异步计数器;根据计数方式,分为二进制计数器、十进制计数器和任意进制计数器;根据计数器中的状态变化规律,分为加法计数器、减法计数器和加/减计数器。
移位寄存器可以用来实现数据的串并转换,也可以构成移位行计数器,进行计数、分频,还可以构成序列码发生器、序列码检测器等,它也是数字系统中应用非常广泛的时序逻辑部件之一。
二、二进制计数器
由D触发器实现的二进制计数器的VerilogHDL程序代码如下:
module comp2bit(Q, clk, rst_n);
output reg Q;
input clk, rst_n;
always@(posedge clk or negedge rst_n) begin
if(!rst_n)
Q <= 1'b0;
else
Q <= ~Q;
end
endmodule
其电路图如下所示

三、任意进制计数器
在数字电路系统中,经常会使用任意进制计数器,VerilogHDL可以很好地支持不同进制计数器的设计。
以11进制计数器为例,最少需要4个触发器。采用反馈清零法设计的11进制计数器的VerilogHDL程序代码如下所示:
module comp_11(cnt, clk, rst_n);
output reg [3:0] cnt;
input clk, rst_n;
always@(posedge clk) begin
if(!rst_n)
cnt <= 4'd0;
else if(cnt == 4'd10)
cnt <= 4'd0;
else
cnt <= cnt+4'd1;
end
endmodule
编写测试代码tb.sv如下所示
module tb;
reg clk, rst_n;
wire [3:0]cnt;
comp_11 dut(cnt, clk, rst_n);
always#5 clk = ~clk;
initial begin
clk = 0; rst_n = 0;
#20 rst_n = 1;
#200;
$stop;
end
endmodule
可得仿真波形如下所示,可以看到,该计数器在0~10共11个数之间循环计数

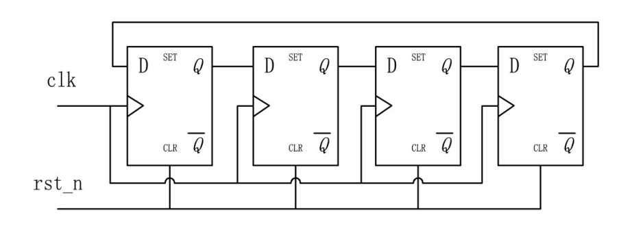
四、移位寄存器
N位环形移位寄存器由N个移位寄存器组成

一个参数化的移位寄存器如下所示,可通过参数来设置该移位寄存器位宽
module shiftregister(D, clk, rst_n);
parameter reg_width = 4;
output reg [reg_width-1:0] D;
input clk,rst_n;
always@(posedge clk) begin
if(!rst_n)
D <= 4'b0001;
else
D <= { D[reg_width-2:0], D[reg_width-1] };
end
endmodule
编写测试代码tb.sv如下所示
module tb;
reg clk, rst_n;
wire [3:0]cnt;
shiftregister dut(cnt, clk, rst_n);
always#5 clk = ~clk;
initial begin
clk = 0; rst_n = 0;
#20 rst_n = 1;
#200;
$stop;
end
endmodule
可得仿真波形如下所示,

五、附录
上一篇:Verilog学习之路(8)— 时序电路的设计
下一篇:
最后
以上就是爱笑黄蜂最近收集整理的关于Verilog学习之路(9)—计数器和移位寄存器Verilog学习之路(9)—计数器和移位寄存器的全部内容,更多相关Verilog学习之路(9)—计数器和移位寄存器Verilog学习之路(9)—计数器和移位寄存器内容请搜索靠谱客的其他文章。
本图文内容来源于网友提供,作为学习参考使用,或来自网络收集整理,版权属于原作者所有。
发表评论 取消回复