STM32是目前比较常见并且多功能的单片机,要想学习STM32,首先要去了解它的基本构成部分以及各部分的原理。
单片机型号:正点原子STM32F103ZET6
目录
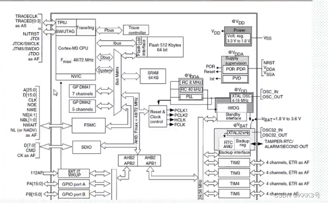
STM32内部结构总览图:
2.内部结构解析
STM32内部结构总览图:

2.内部结构解析
1.内核:STM32F103ZET6采用的是ARM Cortex-M3处理器,内核可以理解为单片机处理器中负责处理数据的电路,类似于人的大脑,是数据处理中心。

2.IO口:IO口是输出、输入口,单片机的IO口是双向的,既可作输入也可作输出·。而STM32F103ZET6有144个引脚,其中有112个IO口,一般IO口都能耐5V,即外部连接的外设输入5V电压不会对IO口有损害。并且支持调试,SWD和JTAG调试。
3.存储器:STM32中存储器可以简单理解为信息的“旅馆”,供信息的保存,其中STM32存储器有两大类:
(1).数据存储器:存放程序运行的中间处理数据的,可随程序运行而随时写入或读出数据存储器的内容,当系统掉电时,数据全部会丢失。对应单片机中的RAM(Random Access Memory),即可随机读写的存储器。
(2).程序存储器:存放是系统工作的应用程序及一些不需改变的数据常数的,程序写入后单片机只能读取不能改写。且断电不丢失数据。对应着单片机中的ROM(Read Only Memory),即只读存储器。

而ROM和RAM可与计算机的硬盘和内存类比记忆,下图是存储器的分类,其中一些人也把FLASH 存储器(又称为闪存)列入ROM中。

而STM32F103ZET6容量是:512K FLASH 64K SRAM
4.DMA:DMA(Direct Memory Access,直接存储器访问),它允许不同速度的硬件装置来沟通,当处理高速数据时,它可以减速CPU。
它有两个控制器,DMA1和DMA2,其中DMA1有7个通道,DMA2有5个通道,通道可以连外设。

5.SDIO:SDIO 顾名思义,就是 SD 的 I/O 接口(interface)的意思,不过这样解释可能还有点抽象。更具体的说明,SD 本来是记忆卡的标准,但是现在也可以把 SD 拿来插上一些外围接口使用,这样的技术便是 SDIO。

6.FSMC:是STM32系列采用的一种新型的存储器扩展技术,可连接外部存储,如SRAM。

7.NVIC:NVIC,提供中断控制器,用于总体管理异常。
8.总线矩阵
9.复位和时钟控制单元:
首先是复位的概念:单片机复位是单片机上的复位电路的复位操作,作用是使电路恢复到起始状态。复位一般有三种:电源复位,系统复位和备份区域复位。
- 系统复位:
除了时钟控制器的RCC_CSR寄存器中的复位标志位和备份区域中的寄存器以外,系统复位将复位所有寄存器至它们的复位状态。
- 电源复位:
电源复位将复位除了备份区域外的所有寄存器
- 备份区域复位;
备份区域拥有两个专门的复位,它们只影响备份区域
而下图这个部件是控制系统复位和时钟系统的单元,它的稳定关乎系统的工作稳定。

10.复位,电源控制,晶振区域:

11.高频,低频外设连接桥APB2,APB1:
连接不同外设与总线的桥梁
APB1—低频外设
APB2—高频外设

12.外设:
外设指能独立完成一定功能的一块电路。它的作用就像一个公司的某个部门一样,他们能完成一定的功能,但是要受总经理(CPU)的控制。由下图可知STM32有丰富的外设

系统工作原理:CPU要进行指令执行、数据处理、外设控制,首先要做的就是从ROM中取出指令,然后执行指令,如果指令的执行有中间变量,就要在RAM中保存,执行完后要去控制外设来完成特定的功能。
最后
以上就是动人红牛最近收集整理的关于【STM32】STM32单片机结构及部件原理的全部内容,更多相关【STM32】STM32单片机结构及部件原理内容请搜索靠谱客的其他文章。
发表评论 取消回复