本文硬件选自忆佰特的4g模块和老陈的上官一号


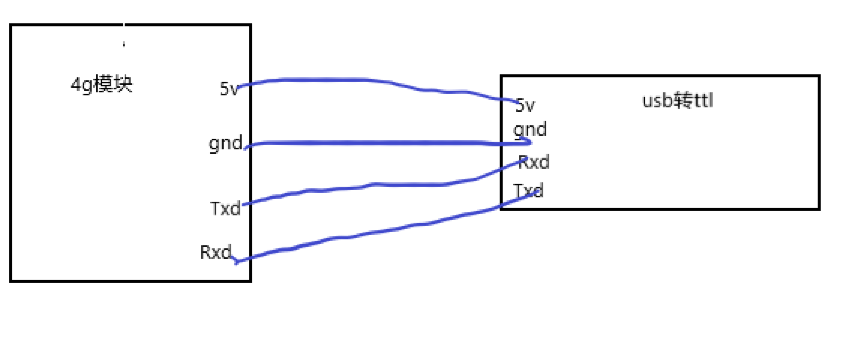
第一步先使用电脑配置4g模块,配置好后再与51单片机进行接线完成通信,需要提前插入SIM卡,接线如下

通电后模块右下角会亮起红灯,并且右上角四颗lcd灯会亮起,表示正在初始化

打开命令提示符,输入ipconfig获得IP4地址
打开网络调试助手填入IP4地址和端口号架设服务器

然后去花生壳官网下载软件用来进行内网穿透,下载成功后打开软件,新建一个自定义映射

再打开一个网络调试助手作为客户端连入该服务器,所谓内网穿透,简单理解就是,服务器相当于A 家庭,客户端相当于B家庭,内网穿透就是一条魔法通道,时B家庭的人能从这条通道去到A家庭 并连上他家网络

远程主机地址使用上面图片显示的
从服务器任意发送一条信息到该客户端获得公网IP地址和端口号,4g模块将通过该公网IP地址和端口号来连入前面所架构的服务器来完成上网功能,

如上图,公网IP地址为103.46.128.53,端口号为23286
4g模块使用手册:https://www.ebyte.com/product-view-news.html?id=1102,该手册有AT指令介绍
打开安信可的串口助手,选择115200的波特率,打开串口,不要勾选新行发送+++,然后勾选新行在3s内任意发送一条AT指令来进入AT指令模式
1.修改波特率
由于我使用的51单片机的波特率为9600,因此发送AT指令AT+UART=9600,NONE,来修改波特率
修改波特率后要重启4g模块,发送AT指令AT+REBT,重启后需要重新选择波特率打开串口,重新进入AT指令模式
2.修改心跳包数据
AT+HEARTINFO=date
3.修改心跳包发送间隔,time = 0 表示不发送心跳包
AT+HEARTM=time ,(0<time<6553)
4.连接服务器
AT+SOCK=TCPC,103.46.128.53,23286
注意,这里公网IP地址和端口号是用‘,’连接
连接服务器后,4g模块将会在刚刚架设的服务器上发送心跳包,此时4g模块已经连上网了,此时服务器可以通过4g模块给pc端发送消息,即向安信可串口助手发送信息,同理,将4g模块的线接到单片机上,服务器将可以通过4g模块发送信息到单片机上
实例:4g模块控制51单片机开关灯



发送":open" led1灯点亮
发送":close" led1灯点亮
最后
以上就是文艺曲奇最近收集整理的关于4g模块与51单片机通信的全部内容,更多相关4g模块与51单片机通信内容请搜索靠谱客的其他文章。
发表评论 取消回复