传递函数与状态空间之间可相互转换,可以使用的matlab函数有
[A,B,C,D] = tf2ss(NUM,DEN)
[NUM,DEN] = ss2tf(A,B,C,D,iu)
传递函数的形式唯一,但状态空间的形式不唯一,可以有多种。
1、一阶惯性环节

时间常数为T,本身为低通滤波器,截止频率wc为1/T,通过伯德图可查看,如设置T=0.1,则
T = 0.1;
sys = tf(1,[T 1]);
bode(sys);

a. 离散形式
设u为输入,x为输出,h为步长,则:

simulink为:

b.状态空间形式

形式1:
A = -1/T;
B = 1/T;
C = 1;
D = 0;
即:

形式2:
A = -1/T;
B = 1;
C = 1/T;
D = 0;
即:

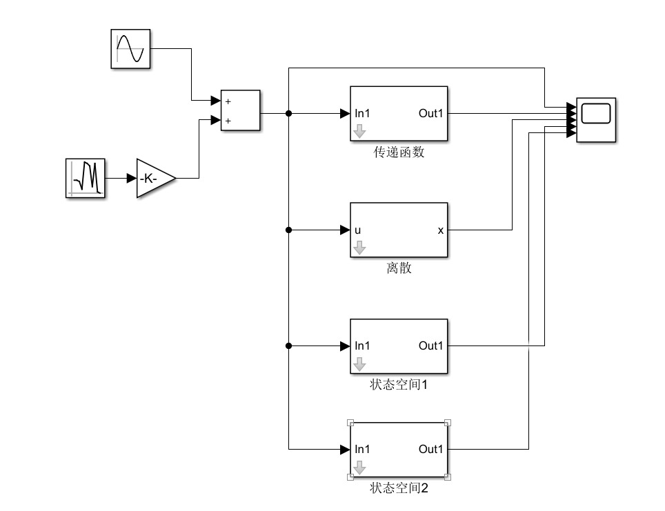
c.仿真

仿真结果:

传递函数、离散形式及状态空间形式所仿真的结果是一致的。
2、二阶震荡环节

低通滤波器,当阻尼等于0.707时,传递函数的截止频率wc是wn,如wn等于10,bode图如下:

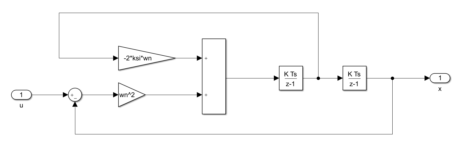
a. 离散形式
设u为输入,x为输出,h为步长,则:

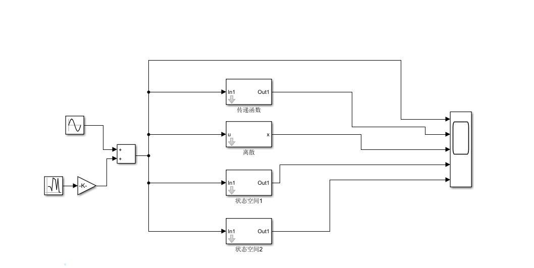
simulink为:

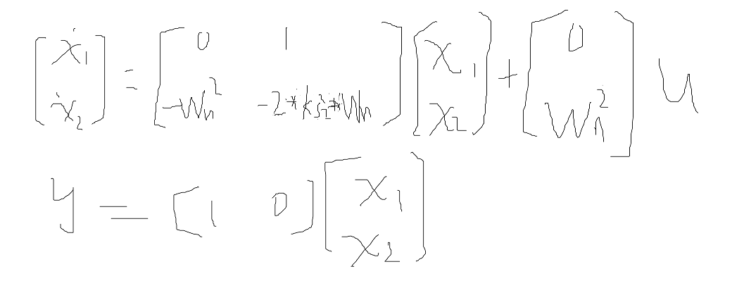
b. 状态空间
形式1:
A = [0 1;-wn^2 -2*ksi*wn];
B = [0;wn^2];
C = [1 0];
D = 0;
即:

形式2:
A = [0 1;-wn^2 -2*ksi*wn];
B = [0;1];
C = [wn^2 0];
D = 0;
即:

c.仿真

仿真结果:

传递函数、离散形式及状态空间形式所仿真的结果是一致的。
上面两个仿真的simulink模型在此:
https://download.csdn.net/download/niu_88/11799584
3、传递函数离散化以及状态空间转换
可参考此资料:
https://download.csdn.net/download/niu_88/11799588
最后
以上就是想人陪手链最近收集整理的关于传递函数与状态空间1、一阶惯性环节2、二阶震荡环节3、传递函数离散化以及状态空间转换的全部内容,更多相关传递函数与状态空间1、一阶惯性环节2、二阶震荡环节3、传递函数离散化以及状态空间转换内容请搜索靠谱客的其他文章。
本图文内容来源于网友提供,作为学习参考使用,或来自网络收集整理,版权属于原作者所有。
发表评论 取消回复