我是靠谱客的博主 标致冬日,这篇文章主要介绍【Simulink】如何使用全局变量、多个模型中使用、Simulink.Signal 对象Simulink.Signal,现在分享给大家,希望可以做个参考。
Simulink.Signal
类似其他编程语言的全局变量。
创建全局变量
B = Simulink.Signal;
配置属性
B=Simulink.Signal;
B.DataType='double';
B.Dimensions=[5 5];
B.Complexity='real';
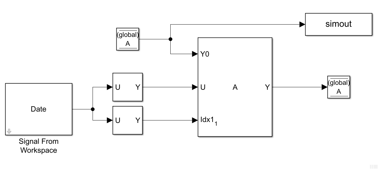
Simulink 中调用

实际使用

最后
以上就是标致冬日最近收集整理的关于【Simulink】如何使用全局变量、多个模型中使用、Simulink.Signal 对象Simulink.Signal的全部内容,更多相关【Simulink】如何使用全局变量、多个模型中使用、Simulink.Signal内容请搜索靠谱客的其他文章。
本图文内容来源于网友提供,作为学习参考使用,或来自网络收集整理,版权属于原作者所有。
发表评论 取消回复