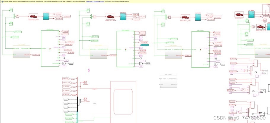
5辆车组成的编队实现ACC自适应协同控制,通过考虑前车的加速度和距离,实现自适应巡航控制,仿真平台基于carsim/Simulink实现。
算法结构分为两层,上层滑膜控制器差生期望的加速度,下层通过控制节气门开度和刹车制动压力控制车速。
仿真结果图给出了5辆车前车与后车的跟踪误差、5辆车车速的变化、4辆车节气门和制动压力的变化
人觉得从结果图中看出基于滑膜控制的效果非常好,不亚于模型预测控制mpc!!!并且在实车试验很方便。
注:可单独拿2辆车或者三辆车的
文件包含acc巡航建模资料和滑膜控制的资料,非常的详细,比一般只给文件仿真详细多啦,还有我本人滑膜控制的总结,对于滑膜控制的学习很有帮助。
。

ID:52400682074802857
想剁手书屋14


最后
以上就是专一羊最近收集整理的关于5辆车组成的编队实现ACC自适应协同控制,通过考虑前车的加速度和距离,实现自适应巡航控制的全部内容,更多相关5辆车组成内容请搜索靠谱客的其他文章。
本图文内容来源于网友提供,作为学习参考使用,或来自网络收集整理,版权属于原作者所有。
发表评论 取消回复