三相桥式电路
- 一、基本电路原理
- 1.三相桥式全控整流电路
- 2.三相桥式半控整流电路
- 二、MATLAB仿真方法
- 1.需要用到的基本组件
- 基本元件(RLC和功率开关器件)
- Series RLC Branch(Elements中的)
- Power Electronics(Elements中的)
- 连线(Mux,Demux)
- 信号(Powergui,AC电压源,脉冲)
- Powergui
- AC Voltage Source
- 脉冲方式
- Delay触发
- Pulse Generator
- 测量
- 瞬时值
- 平均值
- 显示
- Scope
- 图例
- 图形
- 线型
- 2.变量存储
- 三、电路搭建
- ①电路连接
- ②电路触发
- 四、仿真电路
- 五、实验波形
- 三相桥式全控电阻负载
- 三相桥式全控阻感负载
- 三相桥式半控电阻负载
- 三相桥式半控阻感负载
- 六、可以改进的地方
一、基本电路原理
1.三相桥式全控整流电路

R移相范围是0-120°
RL移相范围是0-90°
2.三相桥式半控整流电路

R和RL移相范围都是180°
二、MATLAB仿真方法
1.需要用到的基本组件
由于版本不同,可能目录有所区别,但是只需要搜索Commonly Used
Blocks以及Fundamental Blocks,这两个目录,即可找到大部分材料,这两个目录是不变的。


如果对某个元件不太明白,想深入了解原理,去Mathworks官网查看即可。
另外,由于我下面要用到3种触发方式、两种线路共六种方法,所以这些器件留个大致印象即可。
基本元件(RLC和功率开关器件)
Series RLC Branch(Elements中的)


这个元件双击以后,可以自由选择R、L、C直接的组合,可以单独,可以两个,可以三个。
Power Electronics(Elements中的)

其中既有单独的开关功率器件,也有集成的桥元件

我们实验中用晶闸管和二极管即可。

这个元件是一个通用桥元件,可以自由选择1-24桥臂数目,左边引出触发点和中间节点,右边接负载即可。
连线(Mux,Demux)

Mux,Demux,分别是将信号汇合和拆分的工具。和Bus Creator及Bus
Selector的区别是,前两个虽然汇合了,但信号依然是独立的,后两个汇合后,就把几个信号视为一个整体了。不过我没有验证,实际使用中也没有太大区别,就用Mux和Demux即可。

这两个工具和之后的测量有一定的关系
信号(Powergui,AC电压源,脉冲)
Powergui
Fundamental Blocks中的Powergui


Powergui修改仿真初始状态,是电路中必不可少的元件,没有会报错。
AC Voltage Source
Electrial Sources中的AC Voltage Source


形成星形连接的AC电压源自然是必不可少的,要注意设置幅值,以及A相电压0°,B相电压-120°,C相电压120°。频率设置为50Hz。


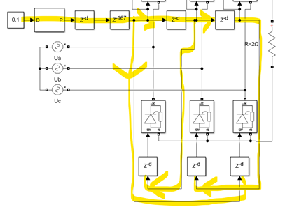
脉冲方式
Delay触发
Delay也就是离散触发,我们首先要设置


上面是仿真时间0.06s,下面是选择采样时间,每隔0.00001s采一次样。
在powergui中做同样设置。

主要用到的元件有,Commonly Used Blocks中的Constant,Delay,以及Power
Electronics中的PWM生成器。





最左边的Constant调节占空比,DP那个符号产生PWM波,我们脉宽设置10,频率设置50,也就是每0.02s一次PWM波。而采样周期为0.00001s,也就是说,一个周期的步长为0.02/0.00001=2000步,那么30°对应的步长也就是30/360*2000=167步。
而delay中的步长设置,如果使用参数,很容易报错,原因在于,步长的数字必须是整数,而我们的数字很容易除出来小数。

例如,Angel_Turn_On/360*2000,如果前面变量取30,立马就会报错,无法仿真。解决方法是想办法转化成整数。我们知道30度是167步,可以以30的步长为精度,改为下面这样,就不会报错了。360/Angle_Turn_On*167。但实际是也是错的,因为matlab只要遇到/,会自动转化为浮点数,而如果我们以每度为基准,1/360*2000=5.556,这样取整数的精度是不行的,我们可以通过,缩小采样值来提高精度。
也就是说,把之前的1e-5改成1e-6,随后,步长就是20000步,1/360**20000=55,精度会提高,但是代价是仿真速度降低10倍。
当然如果你不介意自己手动每次改参数,那么不设置变量,就用1e-5也是可以的。
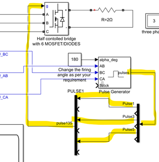
Pulse Generator


这是单独的脉冲信号,除此之外,还有一种整合的触发信号


这是6脉冲的触发信号,6脉冲在三相桥式半控整流电路,会遇到问题,因为下面三个二极管不需要触发,这个时候就需要用到连线里的demux,把6个脉冲分解,只使用135的脉冲触发信号。

如果需要做其他4个桥的,8个桥的实验,可以用下面这个器件,它可以根据桥的数目选择生成的脉冲数目。

测量
瞬时值
Measurements中的


电压表和电流表就不多说了,该怎么用就怎么用,而这个Multimeter也是测量元件。
前面的Series RLC Branch,在仿真文件中双击,有一个选项


默认情况下这个选项是不选的,在你选择了以后,然后再添加一个Multimeter,再双击它

就会看到这两个数据,把他们添加到右边,此时这个Multimeter的输出就有两个信号。没有做过仿真的同学可能就会有疑惑了,两个信号合一起了,那怎么显示啊?你把右边接个示波器试试就知道了,这两个图会显示在一起,但你可以自己修改线型以区别他们。
同理,AC Source,上面的功率器件也都有对应的测量点Measurement
Port,打开之后就能获得想要的信息,电压源只有相电压,线电压还是得用电压表来测量。
平均值


这个Mean可以输出信号的平均值。
显示
Scope
Scope本身没有什么难的,只是设置的细节比较多。我们一般做实验要打印实验报告,当然不会选择彩印,而原本的线条颜色自然要修改成易于辨识的图线。

这是实验我修改后的图像效果,这样打印出来的实验报告,看着才清晰。
图例
![[外链图片转存失败,源站可能有防盗链机制,建议将图片保存下来直接上传(img-hmphtqvn-1609649050700)(media/87f83527736592ea095305df931dc6ef.png)]](https://www.shuijiaxian.com/files_image/20230326/40018426241.png)
首先是图例,也就是Legend
图例会根据信号线上的内容自动输入,例如


当有多条总线时,Legend会从后向前读取。


可以看到,前面的数据被忽略了。因此,如果需要很标准的图例,又是混合数据总线,就需要先Demux,再mux,就像我图中所做的那样。


图形

或者

这个Layout可以选择布局方式。


这个选项表示仿真开始的时候会自动打开的scope。

第一个是显示时间,后三个表示把X轴的时间全部标注出来

第一个是上方标题,第二个是打开网格,下面是最大最小,一般也可以自动设置,最后的是图形左侧的标签。
线型


Figure color就是背景颜色,axes
colors前一个是坐标背景,后一个是坐标轴颜色,建议把坐标轴颜色改深一些,但不要全黑,既有区分度,打印出来又能看清。
而下面的Line,就是线的形式和粗细,Marker不建议用,就是在线上加入很多符号,一般三条线,粗细2,然后实现,两种不同的虚线就够了。
2.变量存储
Matlab有三种变量存储方式,一是Base
Workspace,也就是平常存在于主页面右边的工作框。

二是Simulink Workspace,打开某一特定的仿真文件,选择modeling




这里就可以添加变量
还有一种方法是数据字典,也即Data Dictionary这个概念类似于Python中字典的概念。


点击上面的Data Dictionary即可创建一个数据字典了。
这里我的Rectifier_Variables就是先前建立的一个数据字典

可以在Model Explorer中看到,每个模型下面都有一个External
Data的东西,分别以链接形式显示着Base_Workspace和我刚刚建立的数据字典。

将数据字典和模型建立联系的方法就是,使用这个按钮。
Base_Workspace的特点是,不用创建新的文件,直接全模型通用,但每次离开前都要用save(‘xxx’)保存当前工作区变量,而每次进入后,需要用load(‘xxx’)加载工作区变量;
Simulink Workspace的特点是,仅供当前模型使用变量,自动加载自动保存;
Data Dictionary的特点是,自由选择需要链接的模型,不需要每次保存加载。
本次实验,我们需要作出三相桥式全控整流电路和三相半控整流电路的波形变换,显然,2种电路,2种负载,需要改变的变量就是触发,所以我们应该选择Data
Dictionary的方式,因为我们需要在不同模型间使用共有的参数,除了触发角外,脉冲宽度,周期,脉冲幅值都可以设置为一样的数值。
也就是说,如果只需要一次性使用参数,使用Base
Workspace,如果只需要测试一个模型,使用Simulink
Workspace,如果需要测试多组数据且多模型共用,使用Data Dictionary。

这就是我们实验中需要使用的数据
三、电路搭建
①电路连接
电路连接有两种方法,一是直接用桥元件,一是自己用thysistor和diode慢慢搭建。
②电路触发
触发则是两个大方法,delay的离散触发和pulse
generator的连续触发,连续触发又可以用6脉冲元件,或者是单独的触发元件。
几点小知识总结
Mux和Bus Creator
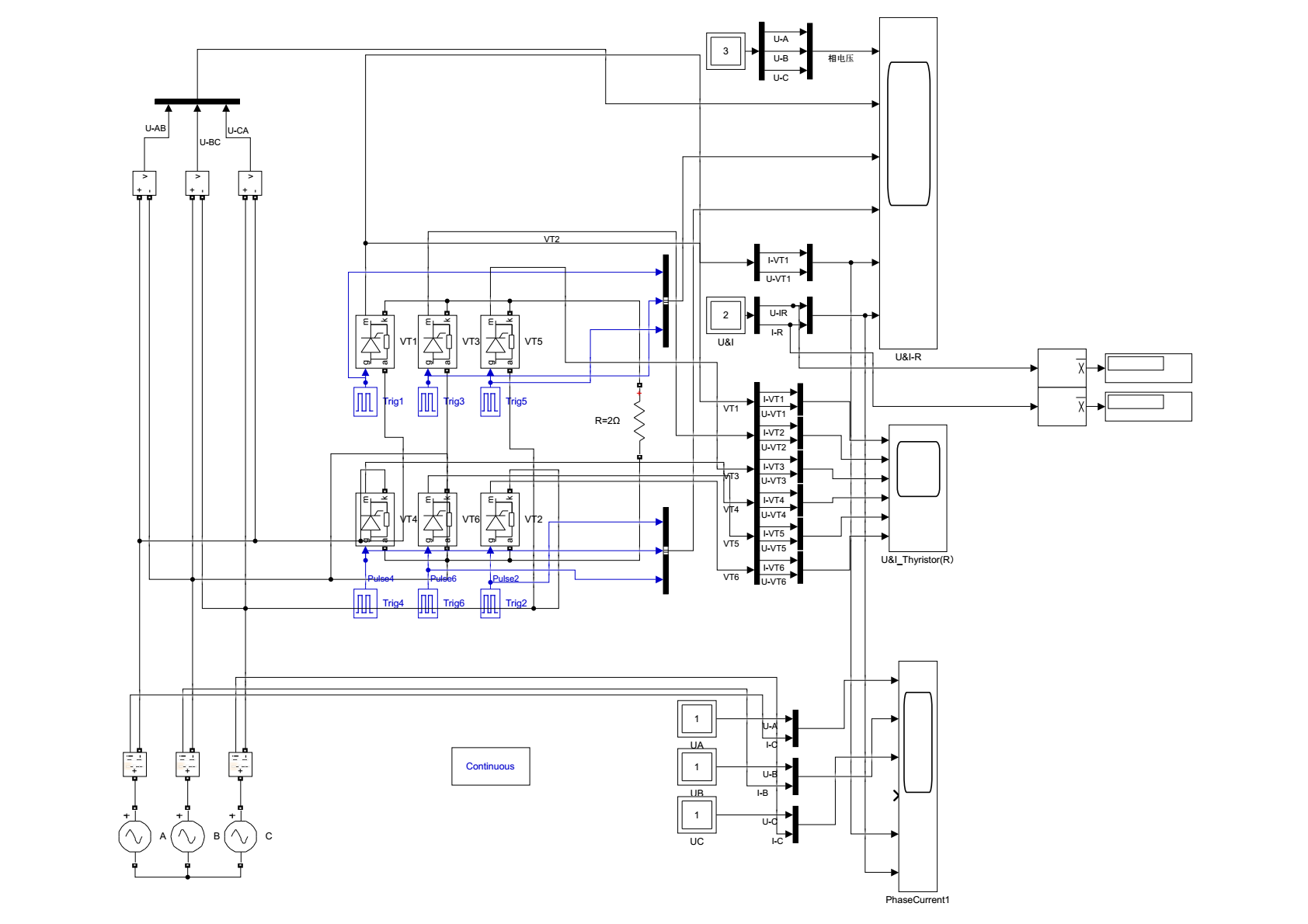
四、仿真电路

电路主体

加入各种测量元件后的结果。
五、实验波形
相电压、线电压、135脉冲、246脉冲、晶闸管UI、负载UI为一张图
6个开关器件的电压电流为一张图。
三相桥式全控电阻负载
α=0°


α=30°


α=60°


α=90°


α=120°


三相桥式全控阻感负载
α=0°


α=30°


α=60°


α=90°


电流这个时候已经消失了。
三相桥式半控电阻负载
α=0°


α=30°


α=60°


α=90°


α=120°


α=150°


α=180°


三相桥式半控阻感负载
α=0°


α=30°


α=60°


α=90°


α=120°


α=150°


α=180°


六、可以改进的地方
1.自动化仿真
我们已经设置了变量,需要保存不同导通角的波形,这件事情我试图用让matlab自行完成,但我没有找到对应的方法,我只能让他改变参数运行多次,但是不知道如何提取scope的图像并保存在一个地方。
2.将几种方法合成一个电路,通过开关选择不同的线路连接方法和触发方式。
讲道理也不是很难,负载,就可以用开关完成;线路连接的话就复杂点。而且那样还需要考虑变量的修改问题,例如开关控制的两个负载的数据,还是得修改multimeter的数值。
3.其实Power Electronics中原本就有各种电力电子电路


4.比较离散和连续触发的区别
采样1e-5每秒的状态下,波形图完全一致,但是离散的步长是整数,有诸多限制。
5.matlab文件名和变量名的限制
文件名必须以字母开头,可以包含字母、数字或下划线,其余的空格啊,括号啊乱七八糟的都不行。变量语句测试后也是如此,不能还有括号。
4.比较离散和连续触发的区别
采样1e-5每秒的状态下,波形图完全一致,但是离散的步长是整数,有诸多限制。
5.matlab文件名和变量名的限制
文件名必须以字母开头,可以包含字母、数字或下划线,其余的空格啊,括号啊乱七八糟的都不行。变量语句测试后也是如此,不能还有括号。

最后
以上就是孤独墨镜最近收集整理的关于三相桥式电路的simulink电路仿真简介一、基本电路原理二、MATLAB仿真方法三、电路搭建四、仿真电路五、实验波形六、可以改进的地方的全部内容,更多相关三相桥式电路内容请搜索靠谱客的其他文章。
发表评论 取消回复