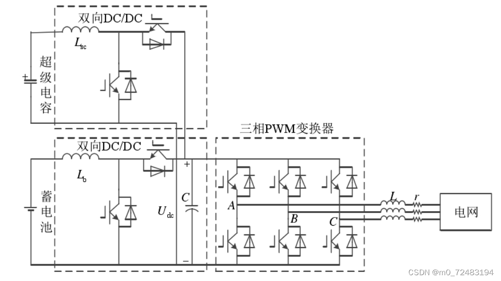
模型原创:储能并网,混合储能能量管理,蓄电池与超级电容混合储能并网matlab/simulink仿真模型。
混合储能采用低通滤波器进行功率分配,可有效抑制功率波动,并对超级电容的soc进行能量管理,soc较高时多放电,较低时少放电,soc较低时状态与其相反。
同有单一储能蓄电池并网仿真模型,附文献。
YID:49100673657131490
就喜欢小男






最后
以上就是冷傲向日葵最近收集整理的关于储能并网,混合储能能量管理,蓄电池与超级电容混合储能并网matlab/simulink仿真模型的全部内容,更多相关储能并网内容请搜索靠谱客的其他文章。
本图文内容来源于网友提供,作为学习参考使用,或来自网络收集整理,版权属于原作者所有。
发表评论 取消回复