前言
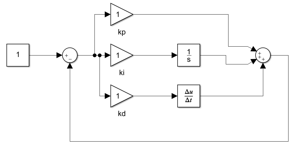
分享一下两种仿真simulink模型零极点的方法。为了方便展示,我构建了下图图1的模型。
图1 待仿真的simulink模型

方法1:使用Model Linear
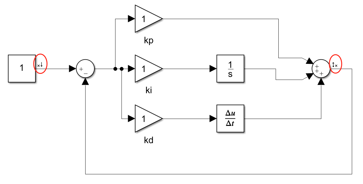
- 设置输入输出端
- 点击输入信号的箭头并右键 - 选linear analysis points - open - loop input

- 同理,在输出信号端选择open -loop output

- 设置好后输入端和输出端应该会出现两个箭头

-
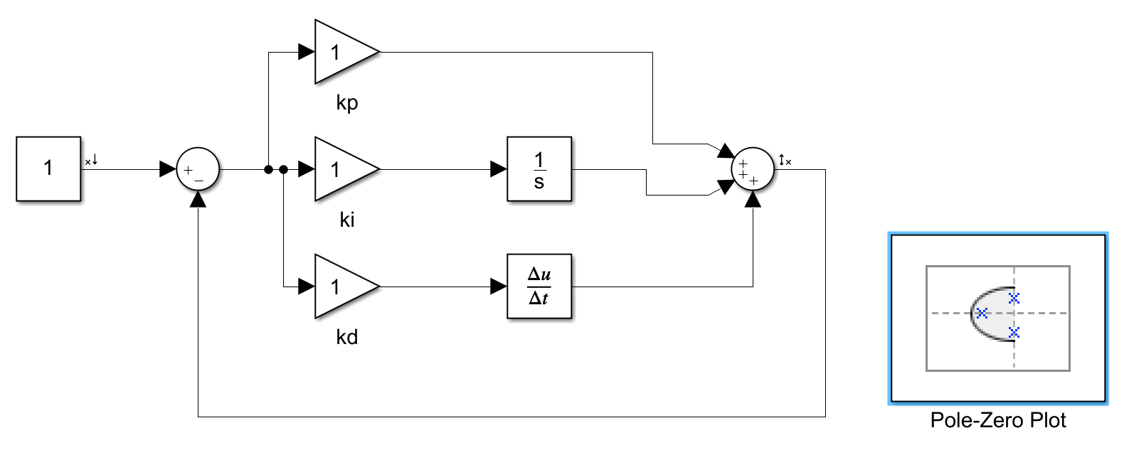
接着,点上方工具栏 - APPS - model linear

-
点下拉菜单,选择 Pole - Zero Map,即可得到仿真结果。圆圈是零点,叉叉是极点。


方法2:使用Pole - Zero Plot
- 选择Library Browse - Simulink Control Design - Linear Analysis Plots。如果没有的话需要在matlab里面下载。
- 将这个模块拖到模型中。


- 同方法1中,将输入和输出信号的箭头右键,设置open-loop input/output。双击点开Pole - Zero Plot,我们可以看到已经设置好了输入输出端了。

- 点击左下方的show plot,弹出框后,再点击绿色箭头运行,就可以仿真出零极点来了。可以看到结果和方法1仿真的相同。

最后
以上就是快乐星月最近收集整理的关于Simulink:仿真模型零极点的两个方法的全部内容,更多相关Simulink:仿真模型零极点内容请搜索靠谱客的其他文章。
本图文内容来源于网友提供,作为学习参考使用,或来自网络收集整理,版权属于原作者所有。
发表评论 取消回复