我是靠谱客的博主 粗暴人生,这篇文章主要介绍一阶系统开环传递函数表达式_信号传输笔记(01)—低通系统和带通系统的系统理论...,现在分享给大家,希望可以做个参考。

这里是一则小广告:

关注作者请点击这里哦:zdr0

我的专栏里面不仅有学习笔记,也有一些科普文章,相信我的专栏不会让您失望哦~大家可以关注一下:数学及自然科学

记得点赞加收藏哦~

创作不易,请赞赏一下支持一下作者吧[期待]~

文章中如果有错误的话还请各位大佬多多斧正,感谢!

-尽力写最好的讲义,尽力写最好的科普

推一下我的微信公众号,扫码即可关注哦!今后在知乎所发的文章都会同步到该公众号当中:

http://weixin.qq.com/r/Ky3E3P3Ev6DArbm-93g5 (二维码自动识别)


  • 无失真系统
  • 低通系统
    —理想低通
    —具有非理想传递函数的低通系统
  • 带通系统与带通信号
    —理想带通
    —带通系统和等价低通系统
    —信号的复数表示
    —使用带通系统传递带通信号
    —通过低通系统来实现带通系统
说明:本次笔记可能难度有点大,是因为这一块笔记比较重要,所以我就先做了。下面还有一次难度较大的笔记,也比较重要,所以也先做了,之后就开始做基础知识的笔记。 另外,想要学好信号传输,Fourier 变换的基础知识要过硬,推荐一篇我写的文章:

zdr0:史上最全的连续时间 Fourier 变换的性质及其证明(共22条),看到赚到!

后期还会写离散(时间) Fourier 变换等文章,敬请期待。


1. 无失真系统

一个系统称为无失真的,当输入信号

和输出信号
满足以下条件的时候:

af41bef05b1ae33610e5a67f99ff6db8.png
图片1.1:无失真系统。

一个无失真系统的传递函数为:

可由连续时间 Fourier 变换的
时域位移性质

推导得出。

该传递函数的模和辐角分别为:

显然,在频域上,无失真系统的传递函数的模为常数,辐角正比于频率

7c39654fa14986a95eb6969f58dfb63c.png
图片1.2:无失真系统传递函数的模(a)和辐角(b)与频率f的关系。

LTI(linear time invariant) 系统的传输特性与无失真系统的理想特性背离,它们无法传输真正形成的信号,因此会产生线性失真

如果一个系统的传递函数的模

为常数,而其辐角是任意的,则称该系统为
全通系统

除了使用传递函数的模和相位或实部和虚部之外,还经常使用以下参数来表征一般 LTI 系统的特性:

衰减程度

衰减角

相时间

群时间

显然,对于一个无失真系统来讲,由于其传递函数的模为常数,所以其衰减程度为一常数。由于相位与频率之间是线性关系,所以其具有一致且不变的相时间和群时间

2. 低通系统

2.1 理想低通

传递函数和冲激响应

理想低通的传递函数具有这样的特征:其在频率低于截止频率

时,可以满足一个无失真系统的条件。这个区域称为
导通区域。在截止频率纸上就是所谓的 截止区,在该区域上,传递函数为

假设理想系统的时延置

,则一个理想低通的传递函数为:

矩形函数

冲激响应为:

其中:

5842825e7c24355b5f48cc9668498842.png
图片2.1:理想低通的传递函数(左)和冲激响应(右)图像。

理想低通的冲激响应的波形告诉我们,理想低通不是一个因果系统

然而,就系统理论而言,正是在这个理想化的低通上,可以清楚地得出时域和频域中的行为之间的几个重要关系,这些关系对于真实的低通系统也是有效的。

与 Dirac 冲激相比,冲激响应

被展宽了。

矩形的宽度定义为其信号持续时间

,矩形的高度对应于
的最大高度
,其面积等于
之下的面积:

在式
中:

显然,由图片2.1.3可知,对于一个理想低通来讲,其信号持续时间为:

因此,理想的低通滤波器的脉冲响应

的信号持续时间
与低通滤波器的带宽
成反比。还有:

这种关系更一般的形式为:

通常适用于任何低通系统,其中常数,即所谓的
时间带宽积,可以根据低通系统以及信号持续时间和带宽的特殊定义而取不同的值。

理想低通的阶跃响应

由冲激响应和阶跃响应之间的关系式:

可以得出理想低通的阶跃响应的表达式为:

现在我们引入所谓的积分正弦函数

该函数具有性质:

和:

Dirichlet 积分

上述过程使用了 Laplace 变换的 时域积分性质

进而由性质

可得:

在式
中:

c4536dc1187c58f2b64e4ec2578efb3f.png
图片2.2:理想低通的单位阶跃响应。

由图片2.2可以看出,理想低通的单位阶跃响应当

时,渐进的趋近与

稳定时间

定义为图片2.2中虚线所示的有限斜坡函数的上升时间,其斜率等于
的最大斜率,其高度为
。此定义适用于理想低通的阶跃响应

且:

则上升时间为:

由式

和式
可知,对于理想低通来讲,其冲激响应的信号持续时间
和阶跃响应的上升时间
是相等的。即:

50a8fd1204e742925527df01415f9468.png
图片2.3:具有较大截止频率f_g的理想低通的阶跃响应。

由图片2.3可以看出,截止频率

越大,则理想低通的阶跃响应的上升时间和激响应的信号持续时间越短。

通过因果的 LTI 系统对理想低通进行近似

理想低通的冲激响应

和阶跃响应
的图像表明,对于
不会消失,因此,它表示非因果关系的 LTI 系统的冲激或阶跃响应。然而,可以规定一种因果的 LTI系统,其除恒定的时间偏移
以外的冲激响应至少近似地对应于理想的低通滤波器的冲激响应。

846bc9da12a8a8fec0cf0c02808fa1d3.png
图片2.4:一个因果的低通系统的冲激响应。

在图片2.4中,将一个理想低通的冲击响应在时域上移动了时间

,搬移之后图像在
的部分对于给定了的误差范围可以忽略不计。我们将图片2.4中搬移之后的图像乘以一个矩形的窗函数
(如图片2.4中的虚线所示),进而可以得到一个因果的、关于
对称的冲激响应
。相应的传递函数
可以通过对
取连续时间 Fourier 变换得到。其中,传递函数
为:

中,利用了关系:

实现了时域上图像的搬移。

从而传递函数

为:

中使用了连续时间 Fourier 变换的
时域卷积性质

频域卷积性质

以及 时域位移性质

我们可以将矩频域中的形窗函数

拆分为两个阶跃函数和的形式:

进而将式

带回到式
的结果中我们可以得到:

显然,

由两个在频率范围
内的两个具有奇对称性的
函数叠加而成。

2.2 具有非理想传递函数的低通系统

本小节中将要介绍的回声方法(echo methode)可以实现在频域和时域中清楚地表示出近似于矩形的低通传递函数。

回声方法

根据采样定理,低通系统的每个低通信号以及每个低通系统的冲激响应都可以表示为

函数的级数形式,且每两个样本之间的距离为
,其中
为截止频率:

7a48d2e646844183f9c7bb491b3cd972.png
图片2.5

一般低通系统的冲激响应。图片2.5给出了五个
函数作为偶脉冲响应的组成部分的示例。该图表明,一个一般形式的低通系统与一个理想形式的低通系统相比,其通过一些额外的前置或者后置的
函数进行表征,这种关系称为
回声。其中
称为
回声幅度

通过对式

求 Fourier 变换可以得到传递函数:

取逆变换可以得到
,但是需要注意的是由于
被限制在区域
上,则逆 Fourier 变换应为:

如要计算回声幅度

,则我们只需要在式
中代入
即可,即:

特别的,当冲激响应是偶的时候

,我们有:

且:

用到的性质是:偶的实函数的 Fourier 变换也是偶和实的。

3. 带通系统与带通信号

3.1 理想带通

理想带通只在带宽

的一个有限的导通区域中满足无失真系统的条件,在该区域上频率不为零。在导通区域外,传递函数为
。一个理想带通的传递函数定义为:

其中

称为
中间频率。我们可以将式
改写为频域卷积的形式:

现在我们对式

求逆 Fourier 变换可以得到理想带通的冲激响应:

在式
中:

表明,一个理想带通在频域上可以通过对一个截止频率为
的理想低通的传递函数在频域上分别向左和向右搬移频域
得到。其冲激响应为该理想低通的冲激响应与一个角频率为
,幅值为
的余弦函数的乘积。

5ea8bf37c9dba95cc1321071768866c0.png
图片3.1:理想带通的传递函数(左)和冲激响应(右)。

3.2 带通系统与等价低通系统

给定一个任意的带通系统

,其冲激响应
为实函数。则
是一个关于
对称的函数,而
是关于
反对称的函数。

407b8657b0e471459da3a0c1e5fcb129.png
图片3.2:具有实冲激响应的带通系统传递函数的实部和虚部。

根据理想带通的表示,现在也可以用等效低通的传递函数

和频率
来描述任意一个带通系统的传递函数
。为此,首先将传递函数
限制为正频率,再乘以
,然后在负频率的方向上移动适当的频率
(以下称为
载波频率
),以形成

a3437265b6b7ccf4ed1c39c6b9d0048b.png
图片3.3:图片3.2中理想带通系统的等价低通系统。

则:

在一般带通系统的这种表示中,式

中的两个求和项在频域中不相互重叠。出于同样的原因,等价低通的传递函数始终满足条件:

给定的具有实冲激响应的带通系统可以被分配给任意数量的具有不同传递函数

或冲激响应
的等价低通系统,因为从
分配给
取决于载波频率

在某些带通系统中,通带内存在

,使得分配给该
的等效低通系统具有实的冲激响应,因此
,这种系统称为
对称带通系统
由于冲激响应是实的,所以根据实函数的 Fourier 变换的性质:

一个十分典型的带通系统的例子就是我们最开始讲的理想带通:我们按照构造

的方式,将
在正频率半轴上先乘以
,在向负频率方向平移

3249e5188c072ac02a6479f2fbecad35.png
图片3.4:理想带通的等价低通。

显然, 该等价低通的传递函数是:

冲激响应为:

但是,应该注意的是,这种情况非常特殊,因为即使在对称带通系统中,频谱的虚部也通常存在。

3.3 信号的复数表示

由逆 Fourier 变换的共轭性质:

和频域位移性质:

我们可以得到式

的逆 Fourier 变换为:

因此,在式

中,通过等价低通系统的冲激响应
和载波频率
来描述带通系统的冲激响应。这种表示方式也可以用来表示任意一个
带通信号

其中,

称为
包络线
称为
复载体。它们乘积的一半被称为带通信号的解析分量

所以:

特别的,对于一个实值信号来讲:

Hilbert 变换有关,在后面的笔记中会整理到。

我们将式

代入到式
中可得:

定义:

所以:

其中,

的两个分量
称为两个
正交分量。进一步有复包络线的长度:

复包络线

也可以表示为指数形式:

此外,

使用辅助角公式可以将

表示为余弦型函数的形式:

对于对称带通来讲,它的包络线是实值的,则此时式

可以简化为:

3.4 使用带通系统传递带通信号

在一个具有冲激响应的

的带通系统的入口输入一个带通信号
,则输出信号为:

对式

的两侧同时取 Fourier 变换,并使用 Fourier 变换的时域卷积性质可得:

现在我们通过等价低通系统来计算

,这样计算得到
之后再与逆 Fourier 变换便可以得到输出信号的时域表达式。有
是带通信号,所以我们可以使用式
来表示
,即:

然后我们对式

求 Fourier 变换并考虑时域位移性质和共轭性质可得:

正是式
。所以:

如果

满足:

则式

可以简化为:

也可以写为:

比较式

和式

我们对式

求逆 Fourier 变换并考虑频域卷积性质可得:

其中

称为
带通系统的等价低通冲激响应。而:

3.5 通过低通系统来实现带通系统

一个具有复包络线

的带通信号
通过一个具有等效低通系统
的带通系统
的传输的结果已经在式
中给出了。现在,我们将
分别拆成实部和虚部两部分:

然后我们将式

和式
带回到式
的结果中可得:

如果输入信号可以分解成正交分量

,则式
中的四个卷积现在可以在四个低通滤波器中分别形成。

为此,将

乘以载波频率
函数,如式
所示。首先,仅考虑频域中的信号分量
来生成

现在应该假设带通系统的频带限制为:

在该假设下,

这两项为零,因为它们只在频带
才不为零。

2dbab97f3ac6162c5e5b4ffc5d599c52.png
图片3.5

为了生成

,我还需要
,由式
可得:

由式

和式
可见,
剩余的部分是一致的,均为
,我们将这两项取逆 Fourier 变换可得:

使用同样的方式可以生成

,即先生成
(由式
),然后在生成
(由式
),最终两者所剩余的共同部分均为
,则最终:

5d707bd0f467c451c1b3d50012d54170.png
图片3.6

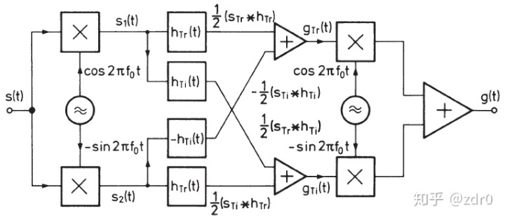
如图片3.5所示的系统,可以使用该系统执行刚才所讨论的操作。其工作工作原理时:首先,将输入信号

乘以
,这样就生成了
,它们在频带
上包含了输入信号的两个正价分量
,四个低通滤波器分别具有冲激响应
,当满足式
时,通过加法器可以得到输出信号的两个正交分量
,最后,由式
,我们有:


参考

《Signalübertragung》—Jens-Rainer Ohm, Hans Dieter Lüke.

最后

以上就是粗暴人生最近收集整理的关于一阶系统开环传递函数表达式_信号传输笔记(01)—低通系统和带通系统的系统理论...的全部内容,更多相关一阶系统开环传递函数表达式_信号传输笔记(01)—低通系统和带通系统内容请搜索靠谱客的其他文章。

本图文内容来源于网友提供,作为学习参考使用,或来自网络收集整理,版权属于原作者所有。
点赞(165)

评论列表共有 0 条评论

立即
投稿
返回
顶部