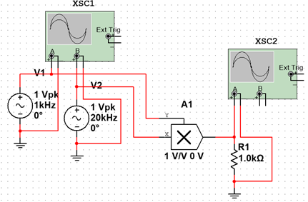
AM(幅度)调制:利用multisim仿真如下电路,观察信号波、载波和调制波的波形。

A1为乘法器,对输入信号X和Y做乘法运算。Vout=Vx*Vy。

XSC1波形

XSC2实验波形
调制波的特点:频率等于载波,幅度变化等于信号波。
可以将低频信号波中携带的信息加载到载波上,这个高频的载波经过功率放大后可以实现远距离传送。
2.FM(频率)调制:
与AM不同的是,FM是指载波的频率受调制信号控制,并随调制信号作线性变化的一种调制。调频获得的已调波叫调频波。
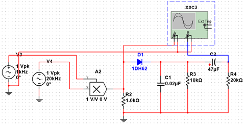
检波(解调):

二极管D1导通使得电容C1开始充电,使它两端电压很快的接近输入信号的峰值。这个电压对二极管D1来说是反向电压。当输入高频信号正半周期峰值逐渐减小时,只要高频信号电压小于电容上的电压,二极管D1便截止。
接着,电容C2开始向负载R放电,由于R阻值比较大,RC时间常数远大于高频信号的周期,所以放电很慢,电容两端电压下降很慢。当电容C2上的电压下降不多时,高频载波的第二个正半周期电压又超过电容C2上的电压,二极管D1开始重新导通,电容再次充电至第二个调频信号的峰值。
如此反复循环,只要适当选择R、C2和二极管D1,使放电时间常数RC足够大,就可使电容两端电压的幅度与输入电压幅度相当接近,即输出电压跟随高频信号的峰值变化。输入信号是调幅波,输出端就得到近似于调幅波包络线的输出电压,所以AM信号的检波也叫做包络检波(蓝色)。

包络效果检波图
调频信号的检波:
调频信号是载波的频率随调制信号变化的一种调制信号。如果能把调频信号变成调幅信号,我们就能利用调幅信号的检波电路来完成信号的解调。
对调频信号的调频至调幅变换可通过一个叫“鉴频器”的电路来完成。鉴频器内有两个部分,一部分将调频信号变成调幅信号,另一部分是调幅检波,如下图所示:

鉴频器内部组成
在下图中,L2和C2组成LC谐振回路,谐振频率 。为了实现把等幅的调频波转换成调频调幅波,必须使LC谐振回路工作在失谐的情况下,即保证LC并联电路的谐振频率大于或小于调频信号的中心频率(即载波频率)。这样频率的变化才能转换成振幅的变化。

鉴频器电路原理图

鉴频器原理实验电路图
FM电压源V5产生FM信号,其中心频率为1kHz,调制信号频率为100Hz,幅值为5V。左侧由L1和C3构成频-幅变换电路,它将调频波转变成调幅波,使其幅度的变化正比于调频波的变化,至于它的载波则仍是调频波,因此实际上是一个调幅的调频波要对调频波进行检波,即鉴频,以获得原调制信号;右侧的D2、R7、C5、R8组成包络检波电路,这个一般的幅度检波器检出波形的幅度变化部分,即其包络,这就是我们所需要的,并与原来调频波频率变化成正比的信号。

从实验结果中可以清楚的看到FM信号的解调过程。输出解调信号反映了调频波的变化情况,即跟踪了输入信号的频率,起到了鉴频的作用。
参考:《电子设计从零开始》
最后
以上就是快乐煎饼最近收集整理的关于AM调制的全部内容,更多相关AM调制内容请搜索靠谱客的其他文章。
发表评论 取消回复