本文记录了定时器脉冲计数几种方式:
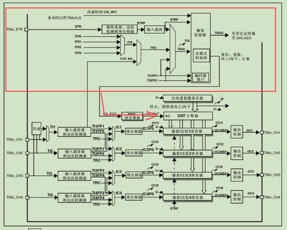
首先看定时器框图:
在这里插入图片描述

从图中可以看到,CNT计数器的时钟来源是CK_PSC经过预分频器过来,而CK_PSC的时钟来源有5种:
CK_INT:“内部时钟
ETRF:外部触发输入
TRGI:内部边沿检测
TI1FP1/TI2FP2:编码器
内部时钟来自RCC,编码器接口暂不不懂。
外部触发计数,可能的通道有:
①TIMx_ETR — ETR — ETRP ---- ETRF ---- CK_PSC
②TIMx_ETR — ETR — ETRP — TRGI — CLKPSC
③TIMx_CH1 — TI1 — TI1F_ED — TRC — TRGI — CK-PSC
④TIMx_CH1/2 — TI1FP1/TI2FP2 — TRIG — CKPSC

主要是第③通道:

TI1 — TI1F ---- TI1F_Rising/TI1F_Falling有个或门 到达TI1F_ED.
当输入100个脉冲时,会有100个上升沿和下降沿,所以TIM CNT计数值会是200而不是100.
最后
以上就是灵巧万宝路最近收集整理的关于STM32 定时器脉冲计数踩坑的全部内容,更多相关STM32内容请搜索靠谱客的其他文章。
本图文内容来源于网友提供,作为学习参考使用,或来自网络收集整理,版权属于原作者所有。
发表评论 取消回复