目录
1.工作原理:
2.设计过程:
2.1 PID 控制的基本理论:
2.3 PID控制系统原理图
2.4车辆动力学模型建立:
2.5 simulink建模:
3.结果分析与讨论:
4.总结:
1.工作原理:
由巡航控制组件读取车速传感器发来的脉冲信号与设定的速度进行比较,从而发出指令由伺服器机械的来调整节气门开度的增大或减小,以使车辆始终保持所设定的速度。电子式多功能定速巡航系统摒除了拉线式定速巡航器的机械控制部分,完全采用精准电子控制,使控制更精确,避免了机械故障的风险。拉线式定速巡航系统的工作原理,简单地说就是由巡航控制组件读取车速传感器发来的脉冲信号与设定的速度进行比较,从而来调整节气门开度的增大或减小,以使车辆始终保持所设定的速度。
2.设计过程:
题目:已知:车辆在道路上行驶,受力如图2.2所示,请结合受力对车辆进行受力分析并建立纵向动力学数学模型,并利用 PID 控制算法或者其他控制算法设计控制器进行车辆的定速巡航控制。车辆参数如图2.1 所示。

图2.1车辆基本参数

图 2.2 车辆受力
2.1 PID 控制的基本理论:
PID 控制器是一种比例、积分、微分并联控制器。它是最广泛应用的一种控制器。在 PID 控制器中,它的数学模型由比例、积分、微分三部分组成。
PID控制器各环节的作用为:
(1)比例环节:成比例地反映控制系统的偏差信号e(t),偏差一旦产生,控制器立即有控制作用,使控制量朝着减小偏差的方向变化,控制作用强弱取决于比例系数,
越大,则过渡过程越短,控制结果的稳态误差也越小:但
越大,超调量也越大,越容易产生振满,导致动态性能变坏,甚至会使闭环系统不稳定。故而,比例系数
,选择必须适当,才能取得过渡时间少、稳态误差小而又稳定的效果。
(2)积分环节:主要用于消除偏差,只要存在偏差,则它的控制作用就会不断地积累,输出控制量以消除偏差。可见,积分部分的作用可以消除系统的偏差。可是积分作用具有滞后特性,积分控制作用太强会使系统超调加大,控制的动态性能变差,甚至会使闭环系统不稳定。积分时间对积分部分的作用影响极大。当
较大时,则积分作用较弱,这时,有利于系统减小超调,过渡过程不易产生振荡。但是消除误差所需时间较长。
较小时,则积分作用较强。这时系统过渡过程中有可能产生振荡,消除误差所需的时间较短。
(3)微分环节:反映偏差信号的变化趋势,微分控制得出偏差的变化趋势,增大微分控制作用可加快系统响应,减小超调量,克服振荡,提高系统的稳定性,但使系统抑制干扰的能力降低。微分部分的作用强弱由微分时间决定。
越大,则它抑制
变化的作用越强,
越小,它反抗
变化的作用越弱。它对系统的稳定性有很大的影响。
2.2基本公式:
PID控制是一种线性控制,它是将给定值与实际值构成的控制偏差:
的比例(P)、积分(I)、微分(D)进行线性组合构成控制量,将被控对象进行控制。其模拟表达式为:
其中:
一控制器的输出。
一控制器输入,它是给定值和被控对象输出值的差,称偏差信号。
一控制器的比例系数。
一控制器的积分时间。
一控制器的微分时间。
传递函数形式为:
上式中,为比例系数,
为积分时间常数,
为微分时间常数。
2.3 PID控制系统原理图

图2.3常规PID控制系统原理图
2.4车辆动力学模型建立:
车辆的纵向动力学模型如下:
根据牛顿运动定律得到汽车的运动方程如下:
式中,,
,
分别为当前车辆的质量,位置和速度,
为车辆的牵引力或制动力,
为车辆行驶过程中的空气阻力,
为滚动阻力,
为坡道阻力。其中,空气阻力由车辆行驶的速度,空气的阻力系数
,空气密度ρ和迎风面积A决定。
空气阻力为:
滚动阻力为:
式中,μ为滚动阻力系数,g为重力加速度,θ表示道路坡度。
车辆的坡道阻力为:
所以
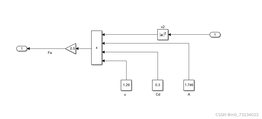
2.5 simulink建模:
利用matlab中的simulink建立汽车动力仿真模型如图2.5-1,2.5-2
图2.5-1汽车动力仿真模型:

图2.5-1汽车动力仿真模型:

图2.5-2汽车动力仿真模型:
将汽车动力仿真模型建成子系统与PID控制仿真模型做最后的仿真连接,得到总的仿真模型如图2.5-3,2.5-4

图2.5-3系统总仿真模型:

图2.5-4系统总仿真模型:
3.结果分析与讨论:
通过调节最左端的预设巡航车速即可实现较优的一定范围内的巡航车速调节,当巡航车速发生大幅的变化时,可以再次调节上述仿真模型的相关参数以达到最佳的效果。我们分别设定巡航车速为80km/h,100km/h,120km/h,对整个仿真模型运行后,得到仿真结果曲线如图3.1所示。
将巡航车速设定为80km/h时,其仿真情况如下:
图3.1巡航车速80km/h仿真结果:
从上图的仿真结果可以看出,巡航车速为80km/h时,调节时间大致在2s之后便能以80km/h的速度匀速前行。
4.总结:
1.搜索、查阅并研究了前人做出的汽车巡航控制技术研究成果的基础上,并从从大量的文献资料中提取了汽车受力模型和PID控制模型。
2.根据汽车的受力模型,认真的分析了汽车行驶过程中受到的驱动力和阻力,建立了汽车巡航控制系统的仿真模型;并在逐一的试验中基本上确定了各个模块的参数合适范围。
3.用 MATLAB中的Simulink 软件建立了整个系统的仿真模型,通过不断调节,最终做出了巡航车速分别为80km/h的仿真结果,且调节效果较为理想。
总的来说,基于位置式和增量式PID控制算法的汽车巡航控制系统较其他单一PID算法的控制系统有着很大的优越性,能够实现较高要求的巡航控制条件。
最后
以上就是秀丽百合最近收集整理的关于基于simulink的定速巡航系统的全部内容,更多相关基于simulink内容请搜索靠谱客的其他文章。
发表评论 取消回复