目录
0 说明
1 传感器介绍
2 代码说明
2.1 ADC初始化函数(adc.c)
2.2 GPIO初始化函数
2.3 主函数
0 说明
本篇文章主要是说明怎么使用STM32单片机读取土壤湿度传感器采集到的数据,包括模拟和数字数据,并且附带着STM32所需要的全部代码,所使用的土壤湿度传感器如下图所示。
附:使用单片机STM32f103系列

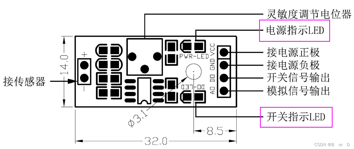
1 传感器介绍
该传感器具有数字开关量输出(0和1)和模拟量AO电压输出两种输出形式。
接上5V电源,电源灯亮,当湿度低于设定的阈值时,DO输出为高电平,开关指示灯灭;高于设定的阈值时,DO输出为低电平,开关指示灯亮。AO模拟输出,可以连接单片机的AD口检测土壤湿度精确数值。
电位器是用于土壤湿度的阀值调节,顺时针调节,控制的湿度会越大,逆时针越小,通过电位器调节土壤湿度阈值,当土壤湿度低于设定的阈值时,模块输出高电平,高于设定的阈值时,模块输出低电平。

2 代码说明
代码主要包括主函数(main.c)、ADC初始化函数(adc.c)、GPIO初始化函数
2.1 ADC初始化函数(adc.c)
ADC的初始化都差不多,需要注意的是ADC的采集函数
这里采用ADC1通道的PA5进行采集AO的信息
#include "stm32f10x.h" //包含需要的头文件
#include "delay.h" //包含需要的头文件
/*函数名:初始化ADC */
void Adc_Init(void)
{
GPIO_InitTypeDef GPIO_InitStructure; //定义一个设置GPIO的变量
ADC_InitTypeDef ADC_InitStructure; //定义一个设置ADC的变量
RCC_APB2PeriphClockCmd(RCC_APB2Periph_GPIOA, ENABLE ); //使能GPIOA通道时钟
RCC_APB2PeriphClockCmd(RCC_APB2Periph_ADC1, ENABLE ); //使能ADC1通道时钟
RCC_ADCCLKConfig(RCC_PCLK2_Div6); //设置ADC分频因子6 72M/6=12,ADC最大时间不能超过14M
GPIO_InitStructure.GPIO_Pin = GPIO_Pin_5; //准备设置PA5
GPIO_InitStructure.GPIO_Mode = GPIO_Mode_AIN; //模拟输入引脚
GPIO_Init(GPIOA, &GPIO_InitStructure); //设置PA5
ADC_DeInit(ADC1); //复位ADC1,将外设 ADC1 的全部寄存器重设为缺省值
ADC_InitStructure.ADC_Mode = ADC_Mode_Independent; //ADC工作模式:ADC1和ADC2工作在独立模式
ADC_InitStructure.ADC_ScanConvMode = DISABLE; //模数转换工作在单通道模式
ADC_InitStructure.ADC_ContinuousConvMode = DISABLE; //模数转换工作在单次转换模式
ADC_InitStructure.ADC_ExternalTrigConv = ADC_ExternalTrigConv_None; //转换由软件而不是外部触发启动
ADC_InitStructure.ADC_DataAlign = ADC_DataAlign_Right; //ADC数据右对齐
ADC_InitStructure.ADC_NbrOfChannel = 1; //顺序进行规则转换的ADC通道的数目
ADC_Init(ADC1, &ADC_InitStructure); //根据ADC_InitStruct中指定的参数初始化外设ADCx的寄存器
ADC_Cmd(ADC1, ENABLE); //使能指定的ADC1
ADC_ResetCalibration(ADC1); //使能复位校准
while(ADC_GetResetCalibrationStatus(ADC1)); //等待复位校准结束
ADC_StartCalibration(ADC1); //开启AD校准
while(ADC_GetCalibrationStatus(ADC1)); //等待校准结束
}
/*-------------------------------------------------*/
/*函数名:获得ADC结果 */
/*参 数:ch: 通道数 */
/*-------------------------------------------------*/
int Get_Adc(int ch)
{
ADC_RegularChannelConfig(ADC1, ch, 1, ADC_SampleTime_239Cycles5 ); //ADC1,ADC通道,采样时间为239.5周期
ADC_SoftwareStartConvCmd(ADC1, ENABLE); //使能指定的ADC1的软件转换启动功能
while(!ADC_GetFlagStatus(ADC1, ADC_FLAG_EOC )); //等待转换结束
return ADC_GetConversionValue(ADC1); //返回最近一次ADC1规则组的转换结果
}
/*-------------------------------------------------*/
/*函数名:平均多次ADC结果,提高精度 */
/*参 数:channel: 通道数 */
/*参 数:count: 平均次数 */
/*-------------------------------------------------*/
int Get_Adc_Average(int channel,int count)
{
int sum_val=0;
char t;
for(t=0;t<count;t++) //循环读取times次
{
sum_val+=Get_Adc(channel); //计算总值
Delay_Ms(5); //延时
}
return sum_val/count; //返回平均值
}
2.2 GPIO初始化函数
本个例程采用的是PA0读取DO的状态,使用#define宏定义
2.2.1 gpio.h
#ifndef __GPIO_H
#define __GPIO_H
#define gpio_readA GPIO_ReadInputDataBit(GPIOA, GPIO_Pin_0) //读取GPIOA的P0口电平(0/1)
void Gpio_Init(void); //延时初始化函数
int Gpio_read(void); //读取A0口
#endif
2.2.1 gpio.c
#include "stm32f10x.h"
#include "delay.h"
#include "gpio.h"
#include "usart1.h"
void Gpio_Init(void)
{
GPIO_InitTypeDef GPIO_InitStructure; //定义一个设置GPIO的变量
RCC_APB2PeriphClockCmd( RCC_APB2Periph_GPIOA, ENABLE); //使能GPIOA端口时钟
GPIO_InitStructure.GPIO_Pin = GPIO_Pin_0 | GPIO_Pin_1; //设置PA0/1
// GPIO_InitStructure.GPIO_Mode = GPIO_Mode_IPD; //下拉输入,默认状态是低电平
// GPIO_InitStructure.GPIO_Mode = GPIO_Mode_IPU; //上拉输入,默认状态是高电平
GPIO_InitStructure.GPIO_Mode = GPIO_Mode_IN_FLOATING; //浮空输入
GPIO_Init(GPIOA, &GPIO_InitStructure); //设置PA
}
int Gpio_read(void)
{
if(gpio_readA == 1)
{
Delay_Ms(100);
return 1;
}
return 0;
}
2.3 主函数
#include "stm32f10x.h" //包含需要的头文件
#include "main.h" //包含需要的头文件
#include "delay.h" //包含需要的头文件
#include "usart1.h" //包含需要的头文件
#include "adc.h" //包含需要的头文件
#include "gpio.h" //包含需要的头文件
int main(void)
{
float raindata; //接受雨滴数据
Delay_Init(); //延时功能初始化
Usart1_Init(9600); //串口1功能初始化,波特率9600
Gpio_Init(); // PA0,读取数字数据
Adc_Init(); //ADC初始化
while(1) //主循环
{
u1_printf("DO:%drn",Gpio_read());
if(Gpio_read()){
u1_printf("没有雨水出现!rn");
}
else{
u1_printf("有雨水出现!rn");
}
raindata = (float)(Get_Adc_Average(5,20))*(3.3/4096);
u1_printf("rain:%.2frn",raindata);
Delay_Ms(1000); //延时
}
}
最后
以上就是超级小丸子最近收集整理的关于STM32-土壤湿度传感器的全部内容,更多相关STM32-土壤湿度传感器内容请搜索靠谱客的其他文章。
本图文内容来源于网友提供,作为学习参考使用,或来自网络收集整理,版权属于原作者所有。
发表评论 取消回复