一,MOSFET导通、关断过程详细分析(转)详见下
MOSFET导通、关断过程详细分析(转) - 知乎
二,弄懂mosfet的导通过程和损耗分析 详见下
弄懂MOS管的导通过程和损耗分析
三、MOSFET datasheet 的数据解释
深入理解MOSFET规格书/datasheet
四、如何通过MOS管控制电源通断以及缓启动 - 知乎
一、MOSFET导通、关断过程详细分析(转)
MOSFET导通过程详细分析
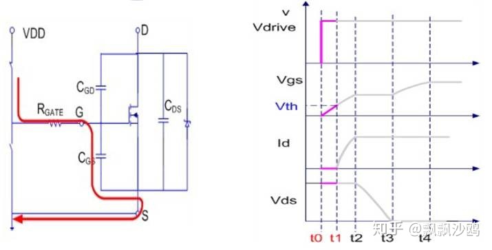
一、MOSFET开通过程

T0~T1:驱动通过Rgate对Cgs充电,电压Vgs以指数的形式上升

T1~T2:Vgs达到MOSFET开启电压,MOSFET进入线性区,Id缓慢上升,至T2时刻Id到达饱和或是负载最大电流。在此期间漏源极之间依然承受近乎全部电压Vdd

T2~T3:T2时刻 Id达到饱和并维持稳定值,MOS管工作在饱和区,Vgs固定不变, 电压Vds开始下降。此期间Cgs不再消耗电荷, VDD开始给Cgd提供放电电流

T3~T4: 电压Vds下降到0V,VDD继续给Cgs充电,直至Vgs=VDD,MOSFET完成导通过程。
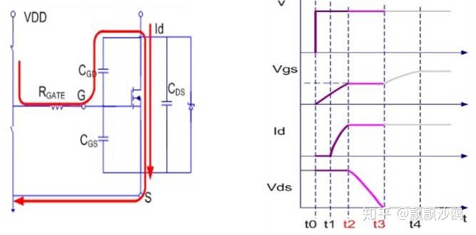
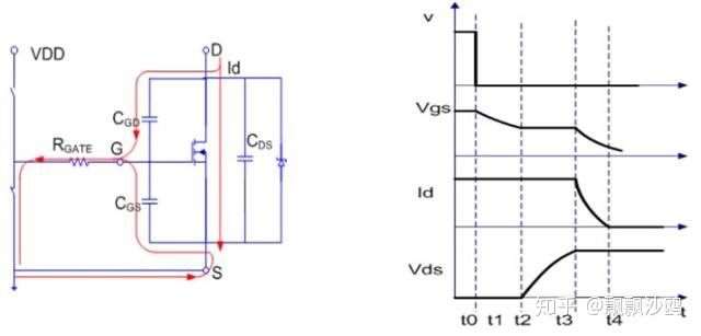
二、MOSFET关断过程

MOSFET关断过程是开通过程的反过程。如上图示意
二、弄懂mosfet的导通过程和损耗分析
MOS管在平时的电源电路和驱动电路的设计中使用非常广泛,只有深入了解其工作原理和规格书参数才能保证设计的稳定可靠。
1. MOS管导通过程分析
MOS管和三极管的特性曲线分别如图1和图2所示,它们各自区间的命名有所不同,其中MOS管的饱和区也称为恒流区、放大区。其中一个主要的不同点在于MOS管有个可变电阻区,而三极管则是饱和区,没有可变电阻区的说法。从图中也能明显看出,MOS管在可变电阻区内,Vgs一定时,Id和Vds近似为线性关系,不同Vgs值对应不同的曲线斜率,即漏极D和源极S之间的电阻值Rds受控于Vgs;而三极管在饱和区内,不同Ib值的曲线都重合在一起,即曲线斜率相同,阻值相同。

图1

图2
MOS管导通过程中的各电压电流曲线如图3所示,其中Vgs曲线有著名(臭名昭著)的米勒平台,即Vgs在某段时间(t3-t2)内保持不变。

图3
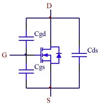
我们知道MOS管是压控器件,不同于三极管是流控器件,但是实际上MOS管在从关断到导通的过程也是需要电流(电荷)的,原因是因为MOS管各极之间存在寄生电容Cgd,Cgs和Cds,如图4所示。MOS管导通条件是Vgs电压至少达到阈值电压Vgs(th),其通过栅极电荷对Cgs电容充电实现,当MOS管完全导通后就不需要提供电流了,即压控的意思。这三个寄生电容参数值在MOS管的规格书中一般是以Ciss,Coss和Crss形式给出,其对应关系为:
反向传输电容:Crss=Cgd;米勒电容
输入电容:Ciss=Cgs+Cgd;
输出电容:Coss=Cds+Cgd。
然而,这三个等效电容是构成串并联组合关系,它们并不是独立的,而是相互影响,其中一个关键电容就是米勒电容Cgd。这个电容不是恒定的,它随着栅极和漏极间电压变化而迅速变化,同时会影响栅极和源极电容的充电。
米勒电容,米勒效应,米勒平台
MOSFET(二):米勒效应_Infinity_lsc的博客-CSDN博客_米勒效应
MOS管的米勒效应_古 夏的博客-CSDN博客_mos管的米勒效应
MOS管米勒效应详解_ltqshs的博客-CSDN博客_mos管米勒电容
米勒电容引起的米勒效应_Ronnie_Hu的博客-CSDN博客_米勒电容引起的米勒效应
米勒电容和米勒效应_Cherylzzx的博客-CSDN博客_米勒电容
MOSFET开关中电压尖峰的形成原因、后果及解决方案-电子发烧友网
对于MOSFET,米勒效应(Miller Effect)指其输入输出之间的分布电容(栅漏电容)在反相放大作用下,使得等效输入电容值放大的效应。由于米勒效应,MOSFET栅极驱动过程中,会形成平台电压,引起开关时间变长,开关损耗增加,给MOS管的正常工作带来非常不利的影响。

在MOS管的规格书上一般还有如图5所示的栅极充电曲线,其可以很好地解释为何Vgs电压会有米勒平台。Vgs一开始随着栅极电荷的增加而增加,但是当Vgs增加到米勒平台电压大小Vp时,即使栅极电荷继续增加,Vgs也保持不变,因为增加的栅极电荷被用来给Cgd电容进行充电。因此,MOS管会有对应的Qgs,Qgd和Qg电荷参数,如图6所示。在MOS管截止时,漏极电压对Cgd充电,Cgd的电压极性是上正下负;当MOS管进入米勒平台后,大部分的栅极电荷用来对Cgd进行充电,但是极性与漏极充电相反,即下正上负,因此也可理解为对Cgd反向放电,最终使得Vgd电压由负变正,结束米勒平台进入可变电阻区。米勒平台时间内,Vds开始下降,米勒平台的持续时间即为Vds电压从最大值下降到最小值的时间。由此可见米勒平台时间与电容Cgd大小成正比,在通信设备行业中-48V电源的缓启动电路经常在MOS管栅漏极间并联一个较大的电容,以延长米勒平台时间来达到电压缓启动的目的(正面应用)。
米勒效应是无法避免的,只有采用适当的方法减缓!
一般有四种方法:
①选择合适的门极驱动电阻RG
②在门极G和射极E之间增加电容
③采用负压驱动
④门极有源钳位

图5

图6
米勒平台电压的大小可以近似地通过以下公式进行估算,Id=gfs(Vp-Vgs(th)),通过规格书可以得到阈值电压Vgs(th)和跨导gfs,根据电路参数可以得到漏极电流Id,因此,可以近似推算出米勒平台电压Vp。但是需要注意的是跨导gfs并不是一个常数,规格书中给出的数值都是基于一定的Vds和Id条件下得到的。此外,还有另外一种估算方法Id=K(Vp-Vgs(th))2,根据规格书中的参数计算出常数K,然后计算得到Vp,有兴趣的可以查阅参考文献2。
了解了MOS管的米勒平台后,我们可以分析一下图3所示导通过程中MOS管电压电流的变化曲线。以常见的MOS管开关电路为例,在t0~t1时间段内,Vgs小于阈值电压Vgs(th)时,MOS管处于截止区关断,漏极电流Id=0,漏源极电压差Vds为输入电压Vin。
在t1~t2时间段内,随着Vgs从阈值电压Vgs(th)逐渐增大至米勒平台电压Vp,电流Id从0开始逐渐增大至最大值,MOS管开始导通,并进入恒流区(饱和区)。此时Vds仍旧维持不变,但是实际电路中可能会由于各种杂散寄生电感等因素的影响,也会产生一部分压降损失,导致实际的Vds会略微下降。同三极管类似,MOS管在饱和区内具有相似的放大特性,其公式为:Id=gfs*Vgs,gfs为MOS管的跨导,可从规格书中得到。
在t2~t3时间段内,当Id逐渐增大至最大值(由电路参数决定)时,MOS管开始进入米勒平台,由于电流Id已经达到最大值保持不变,所以Vgs=Id/gfs亦保持不变,即从公式角度也可以解释米勒平台。在t2~t3时间段内,Vds开始以一定斜率下降。但是实际下降的斜率在整个时间段内并非一直保持不变。因为MOS管的Cgd电容在这个过程中是变化的,一开始Cgd较小,之后变大,所以实际的VDS曲线斜率会稍有变化,即一开始Cgd电容小,电压下降较快,之后Cgd电容较大,电压下降较慢,Cgd电容值的变化曲线如图7所示。

图7
在t3之后,MOS管进入可变电阻区,米勒平台结束,Vgs电压在栅极电荷的驱动下继续升高至最大值,Vds则电压下降至最低值Rds(on)*Id。图3 MOS管导通曲线的简化版如图8所示,分析问题时图8已经足够使用。MOS管关断时的分析过程相反,其变化曲线如图9所示。

图8

图9
t1和t2的时间可以根据RC充放电原理进行近似计算,t1=Rg*Ciss*ln(Vgs/(Vgs-Vgs(th))),t2= Rg*Ciss*ln(Vgs/(Vgs-Vp)),其中Vgs为栅极驱动电压大小,Rg为栅极驱动电阻。t2值近似于规格书中的参数延时导通时间td(on)。米勒平台的持续时间tp可以通过以下公式近似计算:由于该时间段内Vp保持不变,因此栅极驱动电流大小Ig=(Vgs-Vp)/Rg,tp=Qgd/Ig。tp=t3-t2,近似于规格书中的参数上升时间tr。
2. MOS管损耗分析
MOS管损耗主要有开关损耗(开通损耗和关断损耗,关注参数Cgd(Crss))、栅极驱动损耗(关注参数Qg)和导通损耗(关注参数Rds(on))等。
以如图10所示的同步BUCK拓扑为例进行说明,由于高侧的开关管Q1和低侧的同步管Q2组成一个半桥结构,为了防止两个MOS管同时导通而使输入回路短路,因此两个MOS管的驱动信号会存在一个死区时间,即两个MOS管都关断。在死区时间内,由于电感的电流不能突变,因此同步管Q2的寄生体二极管将率先导通进行续流。正是由于体二极管导通后,同步管Q2才被驱动导通,在忽略二极管压降的情况下,同步管Q2导通时两端电压为0,可以看作是0电压导通;同步管Q2导通后,其两端电压为0直至关断,因此也是0电压关断。因此,同步管Q2基本没有开关损耗,这意味着对于同步管的选取,功耗主要取决于与导通电阻RDS(on)相关的导通损耗,而开关损耗可以忽略不计,因此不必考虑栅极电荷Qg。而高侧的开关管Q1由于开通和关闭时都不是0电压,因此要基于导通损耗和开关损耗综合来考虑。

图10
所谓开关损耗是指MOS管在开通和关断过程中,电压和电流不为0,存在功率损耗。由前述MOS管导通过程可知,开关损耗主要集中在t1~t3时间段内。而米勒平台时间和MOS管寄生电容Crss成正比,其在MOS管的开关损耗中所占比例最大,因此米勒电容Crss及所对应的Qgd在MOS管的开关损耗中起主导作用。因此对于MOS管的选型,不仅需要考虑栅极电荷Qg和栅极电阻Rg,也需要同时考虑Crss(Cgd)的大小,其同时也会在规格书的上升时间tr和下降时间tf参数上有间接反映,MOS管的关键参数如图11所示。

图11
MOS管的各种损耗可以通过以下公式近似估算:
导通损耗:
Q1管:P(HO) = D × (IO 2 × RDS(ON) × 1.3);
Q2管:P(LO) = (1 - D) × (IO 2 × RDS(ON) × 1.3);
系数1.3主要是考虑MOS管的导通电阻会随着温度的升高而增加。
栅极驱动损耗:
PGC = n ×VCC × Qg × fSW;
n表示MOS管的个数(MOS管选型相同时),fSW表示开关频率;栅极驱动损耗主要是发生在电源控制芯片上,而非MOS管上,但是其大小与MOS管的参数有关。
开关损耗:
PSW = 0.5× Vin × Io × (tr + tf) × fSW;
系数0.5是因为将MOS管导通曲线看成是近似线性,折算成面积功率,系数就是0.5;Vin是输入电压,Io是输出电流;tr和tf是MOS管的上升时间和下降时间,分别指的是漏源电压从90%下降到10%和漏源电压从10%上升到90%的时间,可以近似看作米勒平台的持续时间,即图3中的(t3-t2)。另外,规格书中的td(on)和td(off)可以近似看作是Vgs电压从0开始上升到米勒平台电压的时间,即图3中的t2。
最后
以上就是飘逸泥猴桃最近收集整理的关于MOSFET导通、关断过程详细分析、损耗分析、米勒效应、datasheet解释一、MOSFET导通、关断过程详细分析(转)的全部内容,更多相关MOSFET导通、关断过程详细分析、损耗分析、米勒效应、datasheet解释一、MOSFET导通、关断过程详细分析(转)内容请搜索靠谱客的其他文章。
发表评论 取消回复