关于74LS147编码器的应用,相信大家记忆最深刻的就是编码器优先编码这个特点了,学好了优先级这个特点,也就离编码器的熟练掌握和运用不远。
医院里常常见到病房里的呼叫系统,按下按钮,就会启动呼叫端,这里以74LS147编码器使用为例来设计一个简单的病房呼叫显示系统。下面直接看题:

一、课题分析
根据题意可知,该逻辑系统有五个输入端分别对应5个呼叫号,输出数值用数码管显示,由于最高输出为0101,故只需要四个输出端即可。又该逻辑满足1号到5号优先权递减顺序,故需要采用74LS147编码器,以及部分门电路进行基本设计。
二、真值表及表达式构建

三、实验元器件
根据表达式及所需功能,选择元器件如下 :
74LS147编码器、与非门、四输入共阴数码管、开关、5V直流电源,导线若干。
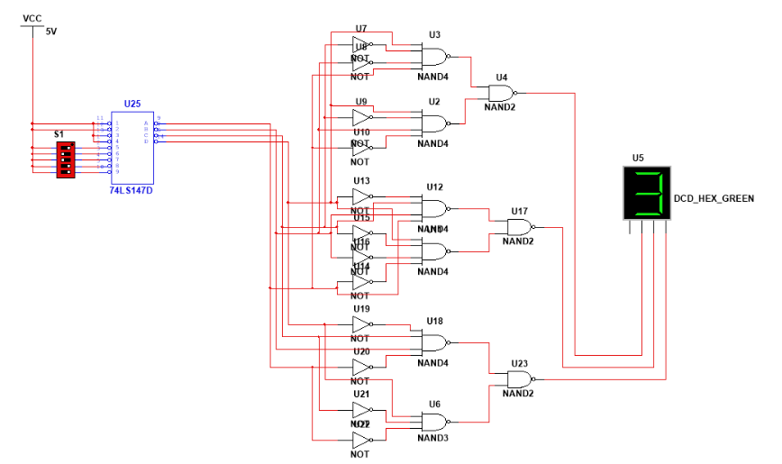
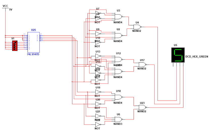
四、绘制电路图并仿真




五、总结与分析
通过仿真调试,拨动左方呼叫按钮可以发现,在1号按钮(最下方按钮)断开情况下(即有效输入为0),其它按钮不论状态怎样,数码管显示总为1,依次实验,发现优先级为1、2、3、4、5,满足题目要求,设计成功。
该题主要考察编码器优先译码这个点,要区分并牢记编码器编码的优先级顺序,该题关键字在优先级上,基本就可以确定使用编码器芯片。
从电路设计上分析,此题除了编码器芯片,用了较多的与非门,连线过于复杂,如果从电路简化的角度分析,可以采用更加合适的布线方式来简化并改进电路!
关于设计的.ms12工程文件分享给大家:(Tip:需要12版本以上才能打开哦)
Multisim工程文件下载链接????
最后
以上就是甜美泥猴桃最近收集整理的关于74LS147编码器高级应用-病房呼叫系统-Multisim仿真的全部内容,更多相关74LS147编码器高级应用-病房呼叫系统-Multisim仿真内容请搜索靠谱客的其他文章。
本图文内容来源于网友提供,作为学习参考使用,或来自网络收集整理,版权属于原作者所有。
发表评论 取消回复