开发板原理图
V853 开发板由全志合作伙伴 索智科技 根据全志提供的参考设计修改设计。
本章节将对开发板几个主要的部件的原理图进行说明,方便快速上手开发板的硬件资料。
开发板硬件框图如下:

模块介绍
GPIO 分配
此表格为 V853 部分重要的 GPIO 的分配表,> 表示对IO的另外一个复用,完整的 GPIO 分配请参阅原理图。
| GPIO GROUP | 用途 | 接口 |
|---|---|---|
| PA[0:21] | MIPI CSI | 摄像头 CAMERA FPC 连接器 |
| PC[0:11] | eMMC | 板载eMMC |
| > PC[0:11] | SPF | 板载SOIC16焊盘(未贴装) |
| > PC[0:6] | SPI0 | 板载SOIC8焊盘(未贴装) |
| PD[0:22] | RGB(HV)LCD | RGB-LCD FPC 连接器 |
| > PD[1:7] | MIPI-DSI | MIPI-LCD 连接器 |
| > PD[13:14] | IR-CUT | 摄像头 IR 滤光片驱动 |
| PE[0:17] | DVP-CSI | 板载2x16p连接器母座 |
| > PE[0:15] | RMII | 板载IP101GR,百兆以太网 |
| > PE[8:15] | XR829 蓝牙 | 板载XR829模块 |
| PF[0:6] | SDC0 | 板载TF卡槽 |
| PG[0:7] | XR829 WLAN | 板载XR829模块 |
| PH[0:1] | UART 3 | UART3 排针 |
| > PH[0:1] | GPS | GPS 3.5mm 连接器 |
| PH[0:4] | I2S | I2S 排针 |
| PH[5:8] | CTP | 触摸屏FPC连接器 |
| PH[9:10] | UART0 | UART0排针 |
| PI[1:2] | PMU TWI | 板载 AXP2101 通讯使用 |
| PI[3:4] | TWI3 | SC7A20 3轴数字加速度计(未贴装)DA380B 惯性传感器 |
DRAM(DDR3)
开发板使用 Rayson晶存 所生产的 RS256M16VRDK DDR3 512MB 内存,BGA96 封装。
下图为DRAM原理图,其中颗粒端的 SDQ 信号线乱序是 DDR本身的特性,SDQ 线在组内的顺序是可以改变的,一共分两组:第一组 SDQ0-SDQ7+SDQSN/P0+SDQM0,第二组 SDQ8-SDQ16+SDQSN/P1+SDQM1 这样可以方便内存的 PCB 布线。
V853 芯片支持双贴DRAM、同时也支持单帖双RANK的DRAM,最大16Gb。

MEMORY(EMMC)
开发板 Memory 使用的是 珠海妙存科技 设计的 AT70B08G3 eMMC ,容量为 8GB,运行在 8bit 模式下。
其中 PC2,PC3 脚为 BOOT SEL 启动顺序选择脚,通过上拉或下拉执行启动。
开发板预留了SPI NOR、SPI NAND的焊盘,可以焊接 V853 芯片支持的 SPI NOR、SPI NAND 储存器
| BOOT SEL 0 | BOOT SEL 1 | 1 | 2 | 3 | 4 | 5 | 6 | 7 | 8 | 备注 |
|---|---|---|---|---|---|---|---|---|---|---|
| 0 | 0 | SPI NAND | SPI NOR(4线) | SPI NOR(1线) | USB FEL | |||||
| 0 | 1 | SPI NOR(4线) | SPI NOR(1线) | SPI NAND | USB FEL | 快速启动使用 | ||||
| 1 | 0 | SDC 0 | SPI NAND | SPI NOR(4线) | SPI NOR(1线) | UART BRUN | USB FEL | |||
| 1 | 1 | SDC 0 | SPI NOR(4线) | SPI NOR(1线) | EMMC2 USR | EMMC BOOT | SPI0 NAND | UART BURN | USB FEL | 默认 |

MIPI 摄像头(MIPI CSI)
V853 开发板板载 40Pin FPC 连接器引出了全部 MIPI CSI 资源,支持双2lane摄像头与单4lane摄像头,开发板默认提供 1080P 双目摄像头方案,型号:GC2063。

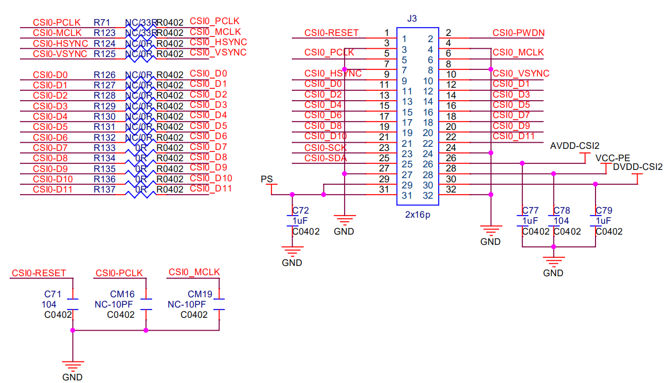
DVP 摄像头(DVP CSI)
V853 开发板使用排母连接器引出了DVP所需的IO,由于PE接口存在复用关系,使用时请注意其复用关系。

屏幕(LCD)
V853 开发板配套 7寸 LCD屏幕,配有相对应的电容式触摸屏幕。
屏幕使用MIPI DSI接口,连接到板子对应的 MIPI LCD FPC 连接器上,触摸屏则连接到 CTP 接口上。
同时开发板也引出了 RGB666 FPC 连接器,可以连接RGB屏幕(带触摸)

音频输入部分(MICIN、LINEIN)
V853 开发板提供2路MIC音频输入与LINE输入,当使用LINE输入时复用MIC的接口。使用内部音频Codec,也可以使用 Inter-IC Sound (I2S)总线外接外部数字Codec,实现麦克风阵列与声源定位。

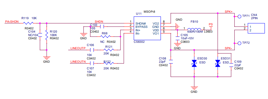
音频输出部分(LINEOUT)
V853 开发板提供一路差分音频输出接口,并使用CG8302功放连接到扬声器,音频输出使用内部音频Codec,也可以使用 Inter-IC Sound (I2S)总线外接外部数字Codec获得更好的音质。

MICRO SD卡(TF CARD)
Micro SD卡(又称TF卡) 板载自弹式TF卡槽,卡槽所有引脚均使用ESD器件加以保护。img
开发板预留了管理Micro SD卡供电防止烧毁低内阻的Micro SD卡的保护电路,开发板默认不贴装这一部分保护电路。
MicroSD卡所使用的SDIO接口均使用芯片内部上拉,无需外部上拉电路。

有线网络(NETWORK)
V853 开发板板载了IP101GR百兆以太网收发器,连接网线即可连接上网。

无线网络(WIRELESS NETWORK)
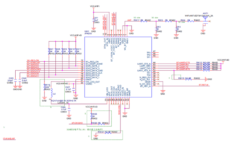
V853 开发板板载了XR829 Wi-Fi,蓝牙模块,支持2.4G IEEE 802.11 b/g/n WLAN,Bluetooth v2.1/4.0/4.2。Wi-Fi通过SDIO总线与 V853 通讯,蓝牙通过 UART 通讯。

电源(POEWR TREE)
开发板使用同为全志自研的 AXP2101 PMU 作为电源管模块。可支持DC 12V输入、USB 5V输入和电池输入。其使用 TWI 总线与 V853 进行通讯。
AXP2101 为通用 PMU,可以适配多种芯片,提供了多路电源输出,不需要使用的电源部分可以将其关闭。
电源输出分配见下图(红色为启用电源输出,黑色为未启用电源输出)

按键(KEY)
V853 开发板共有8个按键,其中按键 VOL+ VOL- MENU ENTER HOME 按键连接在 GPADC 上,通过识别当前ADC的电压识别按键键值。另外 UBOOT 按键连接到 V853 芯片上的 FEL 引脚,按下后可以进行刷机调试操作。
还有PWR 键与 RESET 键,是连接到 AXP2101 PMU上的,用于开机与 RESET 芯片。

串口(UART)
V853 开发板提供 2个 独立的UART调试口,分别是 UART0 与 UART3,默认配置 UART0 为 Arm 核串口调试口,UART3 为 E907 核调试口。
同时 UART3 也可复用为 GPS 的通讯接口,板载 3.5mm 连接器进行连接。

PDF文档下载地址:https://bbs.aw-ol.com/topic/1578/
原贴链接:https://bbs.aw-ol.com/topic/1578/
全志在线开发者论坛 全志在线开发者交流企鹅群(客服机器人24小时在线解答):498263967
资源获取、问题讨论可以到全志在线开发者社区进行:https://www.aw-ol.com
全志及开发者最新动态可以关注全志在线微信公众号
最后
以上就是笑点低灰狼最近收集整理的关于全志V853开发板硬件框图及各模块原理图【内附PDF版本】开发板原理图的全部内容,更多相关全志V853开发板硬件框图及各模块原理图【内附PDF版本】开发板原理图内容请搜索靠谱客的其他文章。
发表评论 取消回复