视频教程汇总帖:【学以致用,授人以渔】2022视频教程汇总贴,持续更新中,DSP更新到第4期,ThreadX更新到第3期,BSP驱动更新到第9期(2022-03-17) - STM32F429 - 硬汉嵌入式论坛 - Powered by Discuz!
Matlab Simulink是图形编程工具,可以直接面向实际工程应用。Simulink应用领域包括汽车、航空航天、工业自动化、大型建模,AI,数字信号处理等方面。
本次视频我们给大家展示下Simulink图形化编程设计,直接生成代码下载到板子中运行。像STM32CubeMX图形编程仅仅是功能配置,并不支持应用设计,而Simulink是支持应用设计,不仅可以开发外设应用,如GPIO, CAN,PWM ,ADC,DAC等。
大家可以加入各种算法,电机控制模型,网络,音频,Modbus等,其中算法的加入才是我们最终想要的。
视频(1080p):
DSP视频教程第4期:Matlab Simulink生成C工程代码在STM32上运行_哔哩哔哩_bilibili
本期视频教程分为以下几个部分:
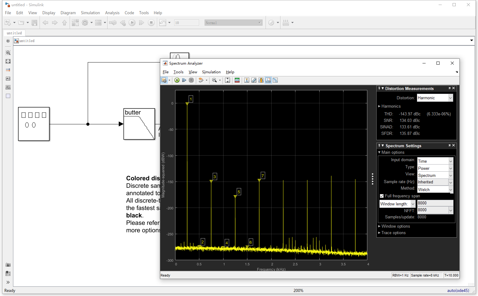
第1部分:Simulink支持介绍
(1) 展示Simulink数字信号处理仿真
(2) Simulink各种硬件支持
第2部分:安装APP软件包
第3部分:Simulink配置
(1) 正确设置工程代码路径。
(2) 基础配置。
(3) 各种simulink模型介绍
第4部分:simulink生成bin文件,下载测试。
参考资料:
Release Notes for Embedded Coder Support Package for STMicroelectronics STM32 Processors- MATLAB & Simulink
STMicroelectronics Hardware Support from Simulink - MATLAB & Simulink

最后
以上就是贤惠铅笔最近收集整理的关于DSP视频教程第4期:Matlab Simulink生成C工程代码在STM32上运行(2022-03-17)的全部内容,更多相关DSP视频教程第4期:Matlab内容请搜索靠谱客的其他文章。
发表评论 取消回复