我是靠谱客的博主 娇气砖头,这篇文章主要介绍安信可nbiot模块_【LoRa模组专题④】安信可科技LoRa模组快速入门指南,现在分享给大家,希望可以做个参考。

前言

安信可 LoRa 系列模块是安信可科技基于 SX1278/1276 设计开发的,主要采用LoRa™远程调制解调器,用于超长距离扩频通信,抗干扰性强,能够最大限度降低电流消耗。

借助 SEMTECH 的 LoRa™ 专利调制技术,SX1278 具有超过 -148dBm 的高灵敏度,+20dBm 的功率输出,传输距离远,可靠性高。

同时,相对传统调制技术,LoRa™ 调制技术在抗阻塞和选择方面也具有明显优势,解决了传统设计方案无法同时兼顾距离、抗干扰和功耗的问题。

01 产品特性

  • 支持FSK、GFSK、MSK、GMSK、LoRa™及OOK调制方式
  • 低至-140 dBm的超高接收灵敏度
  • 拥有卓越的抗阻塞特性
  • 支持前导码检测
  • 支持半双工SPI通讯
  • 带有CRC、高达256字节的数据包引擎
  • 采用小体积双列邮票孔贴片封装

5ae22346ba463def425596b907f775f5.png

02 接线

2.1 LoRa系列模组接线

如下是Ra-01,Ra-01H,Ra-02对应51测试板的接线方法:

(LoRa模块上的的8线分别与测试板上的,如下图所示)

LoRa模块MCU
NSSCSN
MOSIMOSI
MISOMISO
SCKSCK
RESETCE
DIO0IRQ
3.3VVCC
GNDGND

b17337c0b61e72f942e4ced7c0009e6c.png

2.2Ra-06接线方法

自带MCU和LoRa调制程序,可使用另一个MCU的串口通过AT指令来控制它。

d117a6be9ab6b594ab3b4232e4cd2ec7.png

03 烧录(测试程序)

(本测试程序使用51系列的单片机开发,仅供测试参考,用于验证模块的性能与良好,如需在此程序上进行二次开发,暂不提供源码编写支持)

3.1示例固件烧录

示例固件下载地址(https://docs.ai-thinker.com/lora)

LoRa测试板程序源代码:测试板程序

LoRa测试板固件:测试板固件

LoRa测试板烧录方法:测试版烧录方法

3.2测试板烧录方法
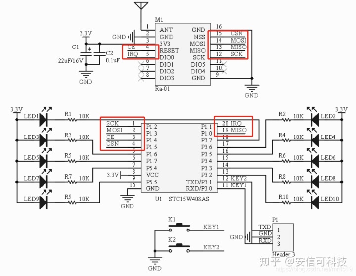
(1)用串口工具连接51测试板RX,TX,GND,连接方法如下图所示(烧录时请对应相应的单片机型号,此程序对应的单片机为为安信可提供的STC15W408AS型号);

0333ab3eaadbed0be212ed2ae9a8c644.png

(2)软件下载请到官网上(http://www.stcmcu.com/)下载;

(3)打开STC-ISP工具,点击检测MCU选项,模块会自动完成软件配置;

(4)点击“打开程序文件”,选择MCU的Hex固件,注意输入用户程序运行时的IRC频率为22.1184MHz;

(5)点击下载编程后工具会将所选择的固件烧录到单片机里,此时完成下载(注:如果点击监测和下载工具界面无反应,那么请尝试点击以后进行一次复位启动);

667a7590aa8639ff807159f8f7b7bdfa.png

3.3示例固件测试

固件下载完成后,请重新复位测试板。插上LoRa转接板,此测试必须要两块测试板,一块用来发送,另外一块用来接收。当模块上电时不做任何操作,则LoRa模块进入接收模式。当其中一个测试板按下其中一个按键,模块进入发送模式,模块右边的灯会亮起,另外一个模块处于接收模块,如果收到数据,左边的灯会闪烁。

daae8125e86e906dbe1c33cb646653ad.png

按照如图所示在测试板上接入USB转TTL工具打开串口可以收到模块发送的打印信息。

04 AT指令

(本次测试基本参数均为出厂默认参数,均采用Ra-06的出厂固件,在测试串口时,需配置串口默认波特率9600,偶校验才能进行数据收发和AT指令测试)
AT 指令采用基于 ASCII 码的命令行,命令格式如下:
请求消息格式为:AT+[OPTION][para, …][r][n]。可以不加换行符(rn)!

AT指令分为如下几块:
(1)基本执行指令:

(2)系统参数设置指令:

(3)LoRa参数配置设置指令:

(4)数据传输格式指令:

详细的指令语法以及参数调配请参照如下链接中的AT指令文档:https://docs.ai-thinker.com/_media/ra-06_at_command-20191104.pdf

05 通信测试

(本次测试基本参数均为出厂默认参数,均采用Ra-06的出厂固件,在测试串口时,需配置串口默认波特率9600,偶校验才能进行数据收发和AT指令测试,测试时请加装符合规格参数的天线,否则可能导致数据传输错误或者无法通信)

5.1点对点通信

步骤一(主机):
AT+ADDR=2 //设置本机主机地址为2
AT+TADDR=3 //设置目标地址为3

步骤二(节点1):
AT+ADDR=3 //设置本机主机地址为2
AT+TADDR=1 //设置目标地址为1
AT+RECV=1 //接收数据

步骤三(主机):
AT+MSG=Ai-Tinker //主机发送数据

8c19bfd820bad5484c672143cb251e5d.png

5.2一对多广播通信测试示例

步骤一(主机):
AT+ADDR=1 //设置本机主机地址为1
AT+TADDR=65535 //设置目标地址为广播地址

步骤二(节点1):
AT+ADDR=2 //设置本机主机地址为2
AT+TADDR=1 //设置目标地址为1
AT+RECV=1 //接收数据

步骤三(节点2):
AT+ADDR=3 //设置本机主机地址为2
AT+TADDR=1 //设置目标地址为1
AT+RECV=1 //接收数据

步骤四(主机):
AT+MSG=1234567890 //主机发送数据

cfee6e0dfb203ee842b1df77e2b40c9e.png

本文由安信可科技原创。

如对产品有疑问,请在下方留言。

最后

以上就是娇气砖头最近收集整理的关于安信可nbiot模块_【LoRa模组专题④】安信可科技LoRa模组快速入门指南的全部内容,更多相关安信可nbiot模块_【LoRa模组专题④】安信可科技LoRa模组快速入门指南内容请搜索靠谱客的其他文章。

本图文内容来源于网友提供,作为学习参考使用,或来自网络收集整理,版权属于原作者所有。
点赞(198)

评论列表共有 0 条评论

立即
投稿
返回
顶部