01
前言

用了这么久ADC,从没细看过ADC的内部原理和如何获得最佳精度,今天看到一篇ST的官方文档讲的不错,这里整理分享给大家。
02
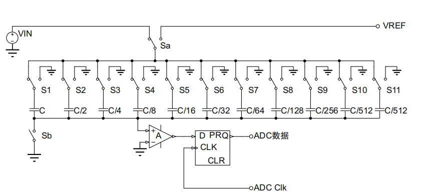
SAR ADC内部结构
STM32微控制器中内置的ADC使用SAR(逐次逼近)原则,分多步执行转换。转换步骤数等 于ADC转换器中的位数。每个步骤均由ADC时钟驱动。每个ADC时钟从结果到输出产生一 位。ADC的内部设计基于切换电容技术。
下面的图介绍了ADC的工作原理。下面的示例仅显示了逼近的前面几步,但 是该过程会持续到LSB为止
SAR切换电容ADC的基本原理(10位ADC示例)
带数字输出的ADC基本原理图

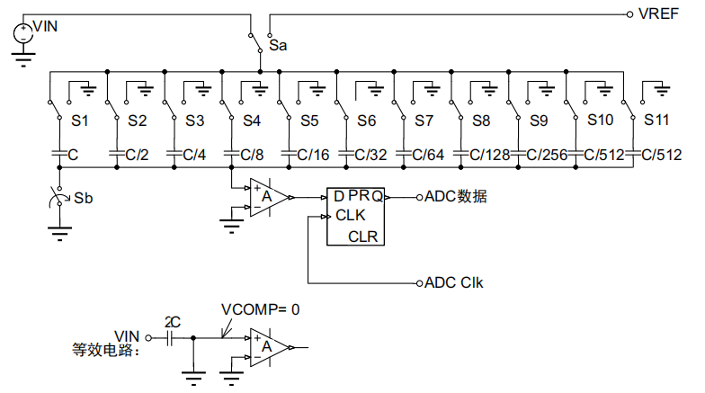
采样状态
采样状态:电容充电至电压VIN。Sa切换至VIN,采样期间Sb开关闭合

保持状态
保持状态:输入断开,电容保持输入电压。Sb开关打开,然后S1-S11切换至接地且Sa切换至VREF。

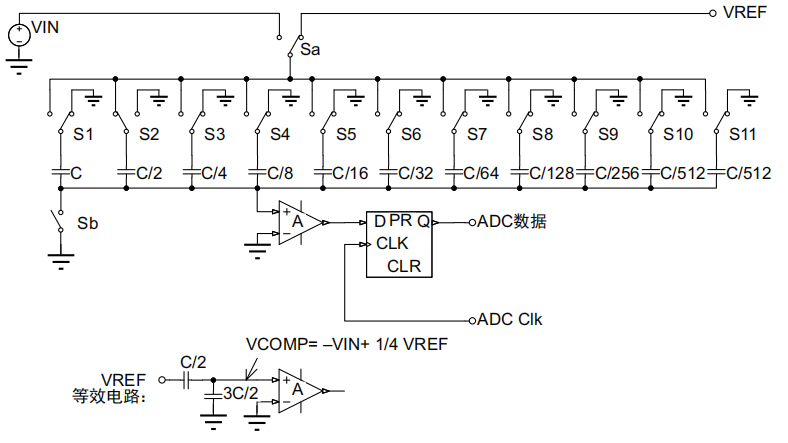
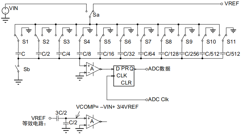
逐次逼近
1、第一个逼近步骤。S1切换至VREF。VIN与VREF/2比较

2、如果MSB = 0,则与¼VREF进行比较,S1切换回接地。S2切换至VREF。

3、如果MSB = 1,则与¾VREF进行比较,S1保持接地。S2切换至VREF。

重复如上步骤,直到LSB为止。可以简单理解为二分法逐次进行输入电压与参考电压的比较。首次于VREF/2比较,下次比较根据上次比较结果决定,如果MSB=1则与¾VREF比较。如果MSB=0则与¼VREF比较。后面决定与1/8VREF 3/8VREF、 5/8VREF、 7/8VREF之一做比较。循环直到输出LSB为止。

最后
以上就是甜美冬瓜最近收集整理的关于ADC内部原理知道吗?的全部内容,更多相关ADC内部原理知道吗内容请搜索靠谱客的其他文章。
本图文内容来源于网友提供,作为学习参考使用,或来自网络收集整理,版权属于原作者所有。
发表评论 取消回复