电力电子器件
- 重点总结
- 基本器件
- 器件特性
- 基本特性及分类
- 大致重点题型总结
- 计算题
- 简答题
- 选择性查漏补缺
- 一些容易混淆的概念
- 单极型晶体管和双极型晶体管
- 电力电子器件
- 概念
- 电力电子器件和信息电子电路器件的对比
- 功率损耗
- 实际应用中的构成
- 分类
- 控制程度
- 驱动信号性质
- 驱动信号波形
- 电力二极管
- PN结与电力二极管的工作原理
- 二极管的单向导电性
- 二极管的PN电容效应
- 静态特性
- 基本特性
- 主要特征参数
- 主要类型
- 晶闸管(半控)
- 静态特性
- 伏安特性
- 动态特性
- 开通过程
- 关断过程
- 主要参数
- 静态参数
- 动态参数
- 派生器件
- 全控型电力电子器件
- 主要分类
- 电力场效应晶体管
- 结构
- 转移特性
- 工作原理
- 转移特性
- 输出特性
- 开关过程
- 优点总结
- 绝缘栅双极型晶体管(IGBT)
- 结构
- 工作原理
- 转移特性
- 输出特性
- 动态特性
- IGBT的特性和参数特点总结
- 电力电子器件的现状
- 发展趋势
重点总结
基本器件
thyristor晶闸管
SCR=Silicon Controlled Rectifier可控硅整流器
GTR=Giant Transistor电力晶体管/大功率晶体管
GTO=gate turn off thyristor门极可关断晶闸管
IGBT=Insulated Gate Bipolar Translator绝缘栅双极型(门级)晶体管
MOSFET=Metal Oxide Semiconductor Field-Effect Transisto电力场效应晶体管
器件特性
1.处理电功率
2.工作开关状态
3.需要驱动电路
4.通常采取一定保护措施
5.散热(封装上讲究散热设计,工作时一般也要安装散热器)
基本特性及分类
| 电力电子器件 | 二极管 | 晶闸管 | SCR | GTO | GTR | IGBT | MOSFET |
|---|---|---|---|---|---|---|---|
| 可控程度 | × | 半控 | √ | √ | √ | √ | √ |
| 电子和空穴导电状况 | PN结整流管双极型 | 双极型 | 双极型 | 双极型 | 双极型 | 复合型 | 单极型 |
| 驱动电路信号(控制信号) | 电流 | 电流 | 电流 | 电流 | 电流 | 电压 | 电压 |
双极型是电流驱动,单极型和混合型都是电压驱动
| 电力电子器件 | 优点 | 缺点 |
|---|---|---|
| IGBT | 开关速度高,损耗小,具有耐脉冲电流冲击能力,通态压降较低,输入阻抗高,为电压驱动,驱动功率小 | 开关速度低于电力MOSFET,电流容量不及GTO |
| GTR | 耐压高,电流大,开关特效好,通流能力强,饱和压降低 | 开关速度低,是电流驱动,所需驱动功率大,驱动电路复杂,存在二次击穿问题 |
| GTO | 电压电流容量大,适用于大功率场合,具有电导调制效应,其通流能力很强 | 电流关断增益很小,关断时门级负脉冲电流大,开关速度低,驱动功率大,驱动电路复杂,开关频率低 |
| 电力MOSFET | 开关速度快,输入阻抗高,热稳定性好,所需驱动功率小且驱动电路简单,工作频率高,不存在二次击穿 | 电流容量小,耐压低,一般只适用于功率不超过10kW的电力电子装置 |

大致重点题型总结
计算题
下图中阴影部分为晶闸管处于通态区间的电流波形,各波形的电流最大值均为
I
m
I_{m}
Im, 试计算各 波形的电流平均值
I
d
I
、
d
2
,
I
d
s
I_{d I} 、_{d 2}, I_{d s}
IdI、d2,Ids 与电流有效值
I
I
、
I
2
、
I
3
I_{I} 、 I_{2} 、 I_{3}
II、I2、I3。

解题关键:两个公式
电流平均值
电流有效值
a)
I
d
l
=
1
2
π
∫
π
4
π
I
m
sin
ω
t
d
(
ω
t
)
=
I
m
2
π
(
2
2
+
1
)
≈
0.2717
I
m
I
1
=
1
2
π
∫
π
4
z
(
I
m
sin
ω
t
)
2
d
(
ω
x
)
=
I
m
2
3
4
+
1
2
π
≈
0.4767
I
m
quad I_{d l}=frac{1}{2 pi} int_{frac{pi}{4}}^{pi} I_{m} sin omega t d(omega t)=frac{I_{m}}{2 pi}left(frac{sqrt{2}}{2}+1right) approx 0.2717 I_{m}\ I_{1}=sqrt{frac{1}{2 pi} int_{frac{pi}{4}}^{z}left(I_{m} sin omega tright)^{2} d(omega x)}=frac{I_{m}}{2} sqrt{frac{3}{4}+frac{1}{2 pi}} approx 0.4767 I_{m}
Idl=2π1∫4ππImsinωtd(ωt)=2πIm(22+1)≈0.2717ImI1=2π1∫4πz(Imsinωt)2d(ωx)=2Im43+2π1≈0.4767Im
b)
I
d
2
=
∫
π
4
π
I
m
sin
ω
t
d
(
ω
t
)
=
I
m
π
(
2
2
+
D
≈
0.5434
I
m
I
2
=
1
π
∫
π
4
π
(
I
m
sin
ω
t
)
2
d
(
ω
t
)
=
2
I
m
2
3
4
+
1
2
π
≈
0.6741
I
m
quad I_{d 2}=int_{frac{pi}{4}}^{pi} I_{m} sin omega t d(omega t)=frac{I_{m}}{pi}left(frac{sqrt{2}}{2}+D approx 0.5434 I_{m}\ I_{2}=sqrt{frac{1}{pi} int_{frac{pi}{4}}^{pi}left(I_{m} sin omega tright)^{2} d(omega t)}=frac{sqrt{2} I_{m}}{2} sqrt{frac{3}{4}+frac{1}{2 pi}} approx 0.6741 I_{m}right.
Id2=∫4ππImsinωtd(ωt)=πIm(22+D≈0.5434ImI2=π1∫4ππ(Imsinωt)2d(ωt)=22Im43+2π1≈0.6741Im
C)
I
d
s
=
∫
0
π
2
I
m
d
(
ω
t
)
=
1
4
I
m
I
3
=
1
2
π
∫
0
π
2
I
m
2
d
(
ω
t
)
=
1
2
I
m
I_{d s}=int_{0}^{frac{pi}{2}} I_{m} d(omega t)=frac{1}{4} I_{m}\ I_{3}=sqrt{frac{1}{2 pi} int_{0}^{frac{pi}{2}} I_{m}^{2} d(omega t)=frac{1}{2} I_{m}}
Ids=∫02πImd(ωt)=41ImI3=2π1∫02πIm2d(ωt)=21Im
上题中如果不考虑安全裕量,问100A的晶闸管能送出的平均电流
I
d
I
,
I
d
2
,
I
d
s
I_{d I}, I_{d 2}, I_{d s}
IdI,Id2,Ids 各为多少
?
?
? 这时, 相应的电流最大值
I
m
l
、
I
m
2
、
I
m
3
I_{m l} 、 I_{m 2} 、 I_{m 3}
Iml、Im2、Im3 各为多少
?
?
?
解题关键:需要注意的是,额定电流中通态平均电流就是,在通过“所允许的最大正弦半波电流”的时候测量得到的。所以可以根据正弦半波波形平均值与有效值之比为 1: 1. 57 来计算(在课本第一节有讲)

知道这一点以后,都是有效值的关系,由于上面已经算出来三种波形电流有效值,按比例放大即可。
完整解答
额定电流
I
r
/
u
ν
=
100
I_{r / u nu}=100
Ir/uν=100 A的晶闸管,允许的电流有效值
I
=
157
A
:
I=157 mathrm{A}:
I=157A:
a)
I
m
1
≈
I
0.4767
≈
329.35
A
I
d
1
≈
0.2717
I
m
1
≈
89.48
A
I_{m 1} approx frac{I}{0.4767} approx 329.35 mathrm{A}\ I_{d 1} approx 0.2717 I_{m 1} approx 89.48 mathrm{A}
Im1≈0.4767I≈329.35AId1≈0.2717Im1≈89.48A
b)
I
m
2
≈
I
0.6741
≈
232.90
A
I
d
2
≈
0.5434
I
m
2
≈
126.56
A
I_{m 2} approx frac{I}{0.6741} approx 232.90 mathrm{A}\ I_{d 2} approx 0.5434 I_{m 2} approx 126.56 mathrm{A}
Im2≈0.6741I≈232.90AId2≈0.5434Im2≈126.56A
C)
I
m
3
=
2
I
=
314
A
I
d
3
=
I
m
3
=
78.5
A
I_{m 3}=2 I=314 mathrm{A}\ I_{d 3}=I_{m 3}=78.5 mathrm{A}
Im3=2I=314AId3=Im3=78.5A
简答题
试说明IGBT、GTR、GTO和电力MOSFET各自的优缺点。
| 电力电子器件 | 优点 | 缺点 |
|---|---|---|
| IGBT | 开关速度高,损耗小,具有耐脉冲电流冲击能力,通态压降较低,输入阻抗高,为电压驱动,驱动功率小 | 开关速度低于电力MOSFET,电流容量不及GTO |
| GTR | 耐压高,电流大,开关特效好,通流能力强,饱和压降低 | 开关速度低,是电流驱动,所需驱动功率大,驱动电路复杂,存在二次击穿问题 |
| GTO | 电压电流容量大,适用于大功率场合,具有电导调制效应,其通流能力很强 | 电流关断增益很小,关断时门级负脉冲电流大,开关速度低,驱动功率大,驱动电路复杂,开关频率低 |
| 电力MOSFET | 开关速度快,输入阻抗高,热稳定性好,所需驱动功率小且驱动电路简单,工作频率高,不存在二次击穿 | 电流容量小,耐压低,一般只适用于功率不超过10kW的电力电子装置 |
选择性查漏补缺
一些容易混淆的概念
单极型晶体管和双极型晶体管
单极型晶体管也称场效应管,简称FET(Field Effect Transistor)。它是一种电压控制型器件,由输入电压产生的电场效应来控制输出电流的大小。它工作时只有一种载流子(多数载流子)参与导电,故称为单极型晶体管。
特点: 输入电阻高,可达107 ~ 1015 Ω,绝缘栅型场效应管(IGFET) 可高达 1015 Ω。 噪声低,热稳定性好,工艺简单,易集成,器件特性便于控制,功耗小,体积小,成本低。 分类: 根据材料的不同可分为结型场效应管JFET (Junction Field Effect Transistor)和绝缘栅型场效应管IGFET(Insulated Gate FET) 。
双极型晶体管也称晶体三极管,它是一种电流控制型器件,由输入电流控制输出电流,其本身具有电流放大作用。它工作时有电子和空穴两种载流子参与导电过程,故称为双极型三极管。
特点: 三极管可用来对微弱信号进行放大和作无触点开关。它具有结构牢固、寿命长、体积小、耗电省等一系列独特优点,故在各个领域得到广泛应用。 分类: 根据材料的不同晶体三极管可分为硅管(Si)与锗管(Ge)。 硅三极管的反向漏电流小,耐压高,温度漂移小,且能在较高的温度下工作和承受较大的功率损耗。锗三极管的增益大,频率响应好,尤其适用于低压线路。
电力电子器件
概念
可直接用于主电路中实现电能变换或控制的电 子器件。
主电路:电力电子设备中承担电能变换任务的 电路。
主电路的核心:电力电子器件通常专指电力半导体器件。
电力电子器件和信息电子电路器件的对比
1.处理的电功率的大小,电力电子器件承受的电压和电流能力远大于信息电 子技术中的电子器件,这两个量也是电力电子器件最重要参数:
2.为了减少本身的损耗,提高效率,一般电力电子器件只工作在导通或阻断状态,因此电力电子器件也被称为开关器件;
3.通常电力电子器件的控制是由信息电子电路来实现的,两者之间连接需要专用驱动电路 ;
4.电力电子器件的功率损耗要远大于信息电子器件,工作时,通常都需要附加散热装置。
功率损耗
断态损耗:较小,通常可忽略不记:
通态损耗:指电力电子器件导通状态下的损耗,也是电力电子器件损耗的主要因素;
开关损耗:分为开通过程损耗和关断过程损耗, 当开关频率较低时这部分损耗较小,当开关频率较高时开关损耗也会大幅度增加。
实际应用中的构成

控制电路:根据实际的需要和由检测电路、保护电路得到的信息,通过驱动电路来控制主电路中的电力电子器件导通或阻断,进而达到相应电能变换的目的。
分类
控制程度
- 不可控器件:通常特指电力二极管它是不能够用控制信号来控制其导通或阻断状态。
- 半控型器件:主要是指晶闸管及其大部分的派 生器件其关断是由其在主电路中承受的电压和 电流的来确定的。
- 全控型器件:目前常用的有绝缘棚双极性晶体管 (IGBT) 和电力场效应晶体管 (Power MOSFET) 。
不可控器件通断状态只由主电路承受的电压方向决定。
半控型器件导通由电压决定,但是关断由电压电流共同决定。
全控型器件通断都可以由控制信号决定。
驱动信号性质
- 电流驱动型:通过在器件的控制端注入或抽出电流来实现器件的导通或者阻断。
- 电压驱动型:通过在控制端和公共端之间施加一定的电压信号就可以实现导通或者关断的控制。
驱动信号波形
- 脉冲触发型:通过在器件的控制端施加一个电压 或电流的脉冲信号来实现器件的开通或阻断。
- 电平控制型:通过持续在控制端和公共端之间施加一定电压或电流信号来维持器件的开通或阻断状态。
电力二极管
20世纪50年代初得到了应用。
在采用全控型器件的电路中电力二极管往往是不可缺少的, 特别是开通和关断速度很快的快恢复二极管和肖特基二极管,具有不可替代的地位。
PN结与电力二极管的工作原理
电力二极管是以半导体PN结为基础的,实际上是由一个面积较大的PN结和两端引线以及封装组成的。
从外形上看, 可以有螺检型、平板型等多种封装形式。

二极管的单向导电性
电力二极管外接正向电压时,电流由阳极A流 入阴极K流出,这样流过的电流一一正向电流
二极管外接反向电压时,这时器件呈现阻断状 态,没有电流流过一反向截止状态
阻断状态时,器件一般具有较高的反向耐压能力。但当反向电压过大,反向电流会突然增大一一反向击穿
因过热而烧毀现象一一热击穿(反向击穿一点点及时纠正还能用)
二极管的PN电容效应
在高速开通/阻断状态下,会导致电力二极管的单向导电性变差,甚至不能工作。
静态特性

主要是指其伏安特性
正向电压大到一定值 (门槛电压
U
T
O
)
,
left.U_{T O}right),
UTO), 正向电流才开始明显增加,处于稳定导通状态。与
I
F
I_F
IF对应 的电力二极管两端的电压即为其正向电压降
U
F
U_{F}
UF 。
承受反向电压时,只有少子引起的微小而数值 恒定的反向漏电流。
基本特性

二极管的端电压由正向偏置转为反向偏置时,需经过短暂反向恢复时间才能恢复反向阻断能力进入截止状态;
二极管由反向偏置转换为正向偏置时也需要经过一段时间才能进入稳定导通状态;
该过程一一正向恢复时间
电压和电流随时间变化的这个过程一一开关过程
相应器件的端电压和电流的关系一一电力二极管的动态特性 (开关特性)
主要特征参数
正向平均电流
I
F
I_F
IF:指电力二极管长期工作是在特定 管壳温度和散热条件下,允许流过的最大工频正弦半波电流的平均值。
正向压降:指电力二极管在特定温度下流过某一 特定正向电流所对应的器件两端的压降。也反映了器件工作过程中的功率损耗情况。。
反向重复峰值电压:指电力二极管所能承受的反复施加的反向最高峰值 电压值。反映了器件的工作电压定额,使用时,通常应留有两倍的裕量。
主要类型
普通二极管又称整流二极管,其特点是正向电流定额和反向电压电定额都较高。
快恢复二极管,其反向恢复过程相对较短,正向导通压降也较低。
肖特基二极管,这种二极管的反向恢复时间更短,同时 它的正向导通压降也更低,但其最大的缺点是反向耐压相对较低,对温度也比较敏感。
晶闸管(半控)

晶体闸流管的简称,曾被称为可控硅。
晶闸管能承受的电压和电流容量,仍是目前广泛使用的电力电子器件中最高的,且工作可靠,因此在大容量的场合仍占有重要的地位。

由于PNPN的结构,可以等效为双晶体管。
静态特性
- 当晶闸管承受反向电压时,不论门极是否有触发 电流,晶闹管都不会导通。
- 当晶闸管承受正向电压时,仅在门极有触发电流 的情况下晶闸管才能开通。
- 晶闸管一旦导通, 门极就失去控制作用,不论门极电流是否还存在,晶闸管都保持导通。
- 若要使已导通的晶闸管关断, 只能利用外加电压和外电路的作用使流过晶闸管的电流降到接近于零的某一数值以下。
伏安特性

在器件两端施加正向电压时:
- 当I G = 0 , _{mathrm{G}}=0, G=0, 晶闸管处于正向阻断状态,只有很小的正向漏电流流过。
- 如果正向电压超过临界极限电压 U b o , U_{b o}, Ubo, 则漏 电流急剧增大,器件转为开通状态。这个临 界极限电压 U b o U_{b o} Ubo 称为“正向转折电压”。
- 随着门极电流幅值的增大,正向转折电压降低, 晶闸管导通后本身压降很小,约为1V左右。
- 如果门极电流为零,并且阳极电流降至接近于零 的某一数值 I H I_{H} IH 以下,则晶闸管又恢复正向阻断, 这个电流 I H I_{H} IH 称为维持电流。
在器件两端施加反向电压时:
1 其伏安特性与二极管的反向特性类似。晶闸管处于反向阻断状态, 只有极小的反向浦 电流通过
2 当反向电压超过一定限度, 达到反向击穿电 压后, 外电路如无限流措施, 则反向漏电流 会急剧增大, 最终会导致晶闸管发热损坏。
动态特性

开通过程
- 由于晶闸管内部由阻断变为导通的过程需要 时间, 再加上外电路电感的限制,晶闸管门 极触发后, 电流的增长不是瞬间完成的,这 个过程所需的时间称为开通时间。
- 一般开通过程随门极电流的增大而减小。
- 在开通电流上升过程中, 晶闸管两端的电压也逐步减小,显然此阶段流过晶闲管两端的电流和电压都较大, 此阶段器件会产生较大的功率损耗,称为开通过程损耗。
关断过程
- 由于外电路电感的存在,原处于导通状态的晶 闸管当外加电压突然由正向变为反向时,其阳 极电流在衰减时必然也是有过渡过程的。
反向阻断恢景时间 t r r t_{r r} trr
正向阻断恢厦时间 t g r t_{g r} tgr
关断时间 t q = t r r + t g r t_{q}=t_{r r}+t_{g r} tq=trr+tgr - 关断过程中如重新对晶闸管施加正向电压, 晶闸管会重新导通。
- 在电流下降过程中,晶闸管同样会产生较大的功率损耗,这个损耗我们称之为关断过程损耗。
主要参数
静态参数
- 正向断态重复峰值电压
U
D
R
M
mathbf{U}_{mathrm{DRM}}
UDRM
是在门极断路而结温为额定值时(100A以上为1l5℃,50A以下为100℃),允许重复加在器件上的正向峰值电压。
UDRM=Repetitive peak off-state voltage - 反向重复峰值电压
U
R
R
M
mathrm{U}_{mathrm{RRM}}
URRM
是在门极断路而结温为额定值(100A以上为1l5℃,50A以下为100℃)时,允许重复加在器 件上的反向峰值电压。
URRM=Reverse repeated peak voltage
一般取额定电压为正常工作时晶闸管所承受峰值电压的2~3倍。 - 通态平均电流
I
T
(
A
V
)
mathrm{I}_{mathrm{T}}(mathbf{AV})
IT(AV)
国标规定通态平均电流为晶闸管在环境温度为40℃和规定的冷却状态下,稳定结温不超过额定结温时所允许流过的最大工频正弦半波电流的平均值。
工程上一般取流过电流有效值的1.5~2倍。 - 维持电流
I
H
mathrm{I}_{mathrm{H}}
IH
维持电流是指使晶闸管维持导通所必需的最小电流,一般为几十到几百毫安。
结温越高则 I H I_H IH相对较小。 - 擎住电流 I
L
_{mathbf{L}}
L
擎住电流是晶闸管刚从断交转入通交并移除触发 信号后, 能维持器件正常导通所需的最小电流。
约为 I H I_H IH的2~4倍。 - 浪涌电流
I
T
S
M
I_{mathrm{TSM}}
ITSM
指由于电路异常情况引起的并使结温超过额定 结温的不重复性最大正向过载电流。
动态参数
- 器件动态过程的开通时间 t s t_{s} ts 和关断时间 t g t_{g} tg 反应了器件的开关速度。
- 断态电压临界上升率
d
u
d
t
frac {du}{dt}
dtdu
在额定结温和门极开路的情况下, 不导致晶闸管从断态到通态转换的外加电压最大上升率。
由于电压上升率过快,会导致晶闸管出现误导通现象。 - 通态电流临界上升率
d
i
d
t
frac {di}{dt}
dtdi
在规定条件下,晶闸管能承受最通态电流的上升率。电流上升太快, 会造成局部过热而使晶闸管损坏。
派生器件
快速晶闸管(开关时间较短)
双向晶闸管(可以认为是一对反并联晶闸管集成)
逆导晶闸管(将晶闸管反并联一个电力二极管)
光导晶闸管(利用一定波长的光照信号触发)
全控型电力电子器件
主要分类
双极性晶体管(BJT)
门极可关断晶闸管(GTO)
BJT和GTO都是电流驱动型器件,电流流通能力较强,但开关慢,需要驱动的功率较大,驱动电路复杂,应用较少
电力场效应晶体管 (POWER MOSFET)
绝缘棚双极晶体管(IGBT)
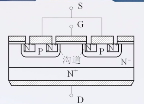
电力场效应晶体管
结构
电力场效应晶体管目前主要是MOS型绝缘協场效应 晶体管,简称电力MOSFET (Power MOSFET) 。
N沟道:棚极电压大于零时才存在导电沟道。(目前主要应用)
P沟道:栅极电压小于零时才存在导电沟道。

转移特性
驱动电路简单,所需要的驱动功率较小。
开关速度快,工作频率高。
热稳定性较好。
电流的容量较小,耐压较低。(主要用于功率不超过10kw的小型电力电子装置)
工作原理
当漏源极间接正向电压,棚极和源极间电压为零,则漏源极之间无电流流过。此时电力MOSFET处于截止状态。
若在栅极和源极之间加一正电压
U
G
S
,
U_{G S},
UGS, 且
U
G
S
U_{G S}
UGS 大于某一电压值
U
T
U_{T}
UT 时,漏极和源极可以导 电,即电力MOSFET进入导通状态。其中
U
T
U_{T}
UT 为开启电压 (或阈值电压) ,随着
U
G
S
,
U_{GS},
UGS, 导电能力越强,漏源极可通过的电流越大。

转移特性

概念:指漏极电流
I
D
和栅源间电压
U
G
S
的关系。
text {概念:指漏极电流 } I_{D} text { 和栅源间电压 } U_{G S} text { 的关系。 }
概念:指漏极电流 ID 和栅源间电压 UGS 的关系。
特点:
I
D
I_{D}
ID 较大时
,
,
, 其与
U
G
S
U_{GS}
UGS 的关系局部近似线性, 其关系曲线的斜率被定义为MOSFET的跨导
G
f
s
G_{fs}
Gfs
G
f
s
=
d
I
D
d
U
G
S
G_{mathrm{fs}}=frac{mathrm{d}{I}_{mathrm{D}}}{mathrm{d} U_{mathrm{GS}}}
Gfs=dUGSdID
显然为电压控制型器件,输入阻抗较高,输入电流较小。
输出特性

可分为截止区、饱和区、非饱和区三个区域。
开关状态的电力MOSFET,是截止区和非饱和区之间进行转换的。其中截止区器件处于阻断状态,而非饱和区则器件处于导通状态。
开关过程

电力MOSFET开关过程的速度和其输入电容的充放电有很大关系:降低栅驱动电路回路的电阻
R
s
,
R_{s},
Rs, 可减小栅极回路的充放电时间常数,加快开关速度。

开通时间包含
开通延迟时间
t
d
(
o
n
)
t_{d(o n)}
td(on)
电流上升时间
t
r
t_{r}
tr
电压下降时间
t
N
t_{N}
tN
关断过程
关断延迟时间
t
d
(
o
f
f
)
t_{d(off)}
td(off)
电压上升时间
t
r
v
t_{rv}
trv
电流下降时间
t
f
i
t_{fi}
tfi
开关频率越高,所需要的驱动功率也越大。(工作频率可达100KHz以上,是目前主要电力电子器件中,开关频率最高的)
存在开通损耗和关断过程损耗。
优点总结
开关速度快
输入阻抗高
热稳定性好
所需驱动电路简单
双极性晶体管和门极可关断晶闸管的通流能力强
绝缘栅双极型晶体管(IGBT)
结构
以上优点的结合

等效为双极型晶体管和电力场效应晶体管的组合
其输入控制侧具有电力场效应晶体管的特点,而输出功率容量较大的优点。
工作原理
与电力MOSFET相同,也是一种场控型器件及电压控制型器件。
开通和关断是由栅极和发射极间的电压
U
G
E
U_{G E}
UGE 决定的。
当
U
G
E
U_{G E}
UGE 为正且大于开启电压
U
G
E
(
t
h
)
U_{G E(th)}
UGE(th) 时,IGBT导通。
当棚极与发射极间施加反向电压或不加信号时,IGBT关断。
转移特性

描述IGBT集电极电流
I
c
I_{c}
Ic 与栅射电压
U
G
E
U_{G E}
UGE 之间的关系。
开启电压
U
G
E
(
ω
)
U_{G E(omega)}
UGE(ω) 是IGBT实现导通的最低栅极和射极间电压,其随温度升高而略有下降。
输出特性

以棚射电压为参考变量时,集电极电流
I
C
I_{C}
IC 与集射极间电压
U
C
E
U_{C E}
UCE 之间的关系。
工作在开关状态IGBT,是在正向阻断区和饱和区之间进行转换的:
正向阻断区器件处于阻断状态 ;
饱和区则器件处于导通状态。
动态特性
通常IGBT的开关速度要低于电力MOSFET。

开通时间
开通延迟时间
t
d
(
o
n
)
t_{d(o n)}
td(on)
电流上升时间
t
r
t_{r}
tr
电压下降时间
t
f
v
t_{fv}
tfv
关断时间
关断延迟时间
t
d
(
o
f
f
)
t_d{(off)}
td(off)
电压上升时间
t
r
v
t_{rv}
trv 电流下降时间
t
f
i
t_{f i}
tfi
IGBT的特性和参数特点总结
与电力MOSFET相比,IGBT的通流能力和驱动负载能力更强;
与双极性晶体管相比,IGBT的开关速度高,开关损耗小;
IGBT的擎住效应:寄生的晶闸管触发导通工作,栅极会失去对集电极电流的控制作用,电流失控。(集电极电流过大,集电极和发射极之间的电压的变化率过大或温度升高)
电力电子器件的现状
小功率(10kW以下)场合以电力MOSFET为主 ;
中、大功率场合以IGBT为主的压倒性局面 ;
在10MVA以上或者数千伏以上的应用场合,如果不需要自关断能力,晶闸管是目前的首选器件。
发展趋势
20世纪中后期电力电子器件逐步向模块化方向发展。出现了将 多个器件封装在一个模块中的功率模块:
缩小装置体积
降低成本
提高可靠性
减小了线路电感
简化了对保护和缓冲电路的要求
功率集成电路
宽禁带半导体材料(碳化硅、氮化镓),相比硅器件:
高得多的耐高电压能力
低得多的通态电阻
更好的导热性能和热稳定性
更强的耐受高温和射线辐射的能力
最后
以上就是潇洒茉莉最近收集整理的关于电力电子技术- >电力电子器件重点总结大致重点题型总结选择性查漏补缺的全部内容,更多相关电力电子技术-内容请搜索靠谱客的其他文章。
发表评论 取消回复