1 图像bayer格式介绍
bayer格式是伊士曼·柯达公司科学家Bryce Bayer发明的,Bryce Bayer所发明的拜耳阵列被广泛运用数字图像。Bayer格式是相机内部的原始数据, 一般后缀名为.raw。
对于彩色图像,一般是三原色数据,rgb格式。但是摄像头一个像素点只有rgb中一种数据(下图为bayer色彩滤波阵列)。但是有很多摄像头直接输出rgb和yuv格式,如ov5640、ov7725等等,这是因为在Sensor模组的内部会有一个ISP模块,会将 Sensor采集到的数据进行插值和特效处理,所以直接输出彩色图像。但不是所有的摄像头都集成ISP,而直接输出Bayer数据,这就需要自己写Bayer转rgb算法。

2 MT9V034简单介绍
做图像处理的朋友都知道,MT9V034是一款十分出色的做机器视觉的摄像头,一般都是灰度的。但是也有彩色款,当时我觉得灰度的效果那么好,一时头热就买一个彩色款的。mt9v034用起来很方便,可以不用寄存器配置,上电默认752*480分辨率。根据需求也可以iic配置。
全局快门(相对滚动快门) 拍摄高速物体的效果:

高动态效果:

3 MT9V034 datasheet 简单解析
1)有效图像 752x480
最大时钟为27Mhz
最大帧率为60fps
10位的adc(我的是八位的输出,店家只将高8位引出,有点影响最后图像的精度)

2)这是mt9v034Bayer阵列,注意输出方向,从左到右,从上到下。

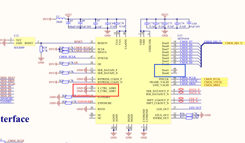
3)摄像头ID号要根据 S_CTRL_ADR1, S_CTRL_ADR0这两个引脚咋连接的

4)下图是摄像头原理图,很明显S_CTRL_ADR1, S_CTRL_ADR0是被拉低了,所以摄像头ID为0x90.上面说到摄像头只有高8位被引出,在这里可以证实了。

5)下面是大部分寄存器,mt9v034可配置的寄存器很少。0x00是芯片版本。03、04是摄像头分辨率

6)datasheet就介绍到这里,更多信息可以自己去阅读。
4 Bayer转rgb算法解析
我是用shift register ip 缓存两行数据,形成2*2窗口(这是FPGA做图像算法最常用的方法和ip),不是很会的朋友可以百度搜一搜,有很多博客可以学习,一定要自己仿真一下,搞明白,这有点难理解。
根据窗口移动,不难发现,总结出一条重要的规律:总共只有四种窗口,而且与行和列的奇偶有关。
假设计数器从零开始记数:
第一种{行偶,列偶}

第二种{行偶,列奇}

第三种{行奇,列偶}

第四种{行奇,列奇}

5 算法实现
首先说明我是用xilinx的zynq fpga,altera的也有类似的ip。我直接说明一下ip 参数修改,其他的怎么添加ip什么的我就不讲了,不会的自己百度学习。
1)这是ip首页,蓝框自定义ip名,修改一下红框的参数,我们是8位数据,一行数据为640个。clock enable端与sclr端可以根据自己的要求决定勾不勾选。其他默认就行,点击ok可以了。


2)vivado也提供端口例化模板,如下图操作就行,

3)源码
用两个shift register ip形成2*2的窗口,代码就不具体解说了,自己仿真一下结合源码理解吧。
`timescale 1ns / 1ps // // Company: // Engineer: // // Create Date: 2019/02/04 10:29:56 // Design Name: colour MT98V034 bayer2rgb // Module Name: MT_bayer2rgb // Project Name: Colour_MT_bayer2rgb // Target Devices: ZYNQ7020 // Tool Versions: vivado2018.3 // Description: // // Dependencies: // // Revision: // Revision 0.01 - File Created // Additional Comments: // // module MT_bayer2rgb( //system singal input s_rst_n , //cmos simgals input vsync_i , input hsync_i , input pclk , input [7:0] bayer_data , //输出 output vsync_o , output hsync_o , output [23:0] rgb_data ); //======================================================================== // =========== Define Parameter and Internal signals =========== //========================================================================/ reg [9:0] col_cnt ; reg [8:0] row_cnt ; reg hsync_i_1 ; reg hsync_i_2 ; reg hsync_i_3 ; reg vsync_i_1 ; reg vsync_i_2 ; reg vsync_i_3 ; wire [7:0] line_1 ; wire [7:0] line_2 ; reg [2:0] data_control ; reg [7:0] line1_1 ; reg [7:0] line1_2 ; reg [7:0] line2_1 ; reg [7:0] line2_2 ; reg [7:0] rgb_r ; reg [8:0] rgb_g ; reg [7:0] rgb_b ; //============================================================================= //**************************** Main Code ******************************* //============================================================================= //列计数 always @ (negedge pclk or negedge s_rst_n) begin if(s_rst_n == 1'b0) col_cnt <= 10'd0; else if (hsync_i_3 == 1'b1 && hsync_i_2 == 1'b1) col_cnt <= col_cnt + 1'b1; else col_cnt <= 10'd0; end always @ (posedge pclk or negedge s_rst_n) begin if(s_rst_n == 1'b0) begin hsync_i_1 <= 1'b0; hsync_i_2 <= 1'b0; hsync_i_3 <= 1'b0; end else begin hsync_i_1 <= hsync_i; hsync_i_2 <= hsync_i_1; hsync_i_3 <= hsync_i_2; end end always @ (posedge pclk or negedge s_rst_n) begin if(s_rst_n == 1'b0) begin vsync_i_1 <= 1'b0; vsync_i_2 <= 1'b0; vsync_i_3 <= 1'b0; end else begin vsync_i_1 <= vsync_i; vsync_i_2 <= vsync_i_1; vsync_i_3 <= vsync_i_2; end end //行计数 always @ (posedge pclk or negedge s_rst_n) begin if(s_rst_n == 1'b0) row_cnt <= 9'd0; else if(~hsync_i && hsync_i_1) row_cnt <= row_cnt + 1'b1; else if (~vsync_i && vsync_i_1) row_cnt <= 9'd0; end //data_control always @ (posedge pclk or negedge s_rst_n) begin if(s_rst_n == 1'b0) data_control <= 3'b100; else if (hsync_i_2 == 1'b1 && hsync_i_1 == 1'b1) data_control <= {1'b0,row_cnt[0],~col_cnt[0]}; else data_control <= 3'b100; end shift_ram shift_ram_1 ( .D (bayer_data ), // input wire [7 : 0] D .CLK (pclk ), // input wire CLK .CE (hsync_i ), // input wire CE .SCLR (~s_rst_n ), // input wire SCLR .Q (line_1 ) // output wire [7 : 0] Q ); shift_ram shift_ram_2 ( .D (line_1 ), // input wire [7 : 0] D .CLK (pclk ), // input wire CLK .CE (hsync_i ), // input wire CE .SCLR (~s_rst_n ), // input wire SCLR .Q (line_2 ) // output wire [7 : 0] Q ); always @ (posedge pclk or negedge s_rst_n) begin if(s_rst_n == 1'b0) begin line1_1 <= 8'd0; line1_2 <= 8'd0; line2_1 <= 8'd0; line2_2 <= 8'd0; end else begin line1_1 <= line_1; line1_2 <= line1_1; line2_1 <= line_2; line2_2 <= line2_1; end end always @ (data_control) begin case(data_control) 3'b000 : begin rgb_r = line1_1; rgb_g = line2_1 + line1_2; rgb_b = line2_2; end 3'b001 : begin rgb_r = line1_2; rgb_g = line1_1 + line2_2; rgb_b = line2_1; end 3'b010 : begin rgb_r = line2_1; rgb_g = line1_1 + line2_2; rgb_b = line1_2; end 3'b011 : begin rgb_r = line2_2; rgb_g = line2_1 + line1_2; rgb_b = line1_1; end default: begin rgb_r = 8'd0; rgb_g = 9'd0; rgb_b = 8'd0; end endcase end assign rgb_data = {rgb_r,rgb_g[8:1],rgb_b}; assign vsync_o = vsync_i_3; assign hsync_o = hsync_i_3; endmodule
4)最后欣赏一下效果 ,效果还不错,继承了灰度款的优良性能。

最后说明一下,最后分辨率改为640*480,但是发现480指的是0~480,所以行计数器在481清零。我是用的zynq,所以没进行iic硬件配置,用的是ps端arm的 iic接口做的。如果用默认的分辨率就需要修改一下ip的深度和行计数器的清零的数值就行了。说到仿真,vivado自带的仿真器还是没有modelsim好,但是modelsim仿真含有vivado ip的工程时,很麻烦,独立仿真更不行,ip仿真的源文件不好添加,联合仿真操作有点繁琐,这里呢先不讲,我下次再另外写一篇博客总结一下。
转载于:https://www.cnblogs.com/hqz68/p/10413896.html
最后
以上就是朴实豌豆最近收集整理的关于彩色MT9V034摄像头 Bayer转rgb FPGA实现的全部内容,更多相关彩色MT9V034摄像头内容请搜索靠谱客的其他文章。

发表评论 取消回复