1.项目背景
随着全球政治经济水平的不断提高,许多的问题也产生了。其中单身独居人士家中安全问题也十分突出。
本系统利用esp32实现了远程控制家中灯亮灭,可以减少入室盗窃的几率。而且配合监控系统也可以有效查看家中情况。
2.设计目标
基于esp32的远程控制和esp32 cam的远程监控来保护家中安全。另外也可添加语音提示功能来有效恐吓入室行窃的人。
3.设备端硬件设计
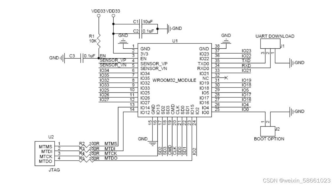
3.1 ESP32模块

ESP32是由我国的乐鑫公司设计研发的一款可作为独立系统运行应用程序或是主机 MCU 的从设备,通过 SPI / SDIO 或 I2C / UART 接口提供 Wi-Fi 和蓝牙功能。该芯片专为移动设备、可穿戴电子产品和物联网应用而设计,具有业内高水平的低功耗性能,包括精细分辨时钟门控、省电模式和动态电压调整等。其次ESP32将天线开关、RF balun、功率放大器、接收低噪声放大器、滤波器、电源管理模块等功能集于一体,这使得ESP32 只需极少的外围器件,即可实现强大的处理性能、可靠的安全性能,和 Wi-Fi & 蓝牙功能。同时,ESP32 具备极其稳定的性能,工作温度范围达到 –40°C 到 +125°C。集成的自校准电路实现了动态电压调整,可以消除外部电路的缺陷并适应外部条件的变化。
ESP32原理图如下图所示。
3.2 ESP32 CAM

ESP32-CAM是安信可最新发布小尺寸的摄像头模组。该模块可以作为最小系统独立工作,尺寸仅为27*40.5*4.5mm,深度睡眠电流最低达到6mA。
ESP32-CAM可广泛应用于各种物联网场合,适用于家庭智能设备、工业无线控制、无线监控、QR无线识别,无线定位系统信号以及其它物联网应用,是物联网应用的理想解决方案。
ESP32-CAM采用DIP封装,直接插上底板即可使用,实现产品的快速生产,为客户提供高可靠性的连接方式,方便应用于各种物联网硬件终端场合。
注:因为时间有限加上疫情原因esp32 cam 开发板没有搞到所以就没设计监控系统
3.3 ST7789


4.设备端软件设计
4.1系统总体结构
系统总体结构如下图所示。

通过手机扫描RGB_TFT 240*240所显示的二维码进而控制家中灯的亮灭。
4.1.1 ST7789与ESP32连接原理图
| ST7789 | GND | VCC | G18 | G23 | G15 | G2 | G5 | V5 | |
| RGB_TFT | GND | VCC | SCL | SDA | RES | DC | CS | BL |
4.1.2整体控制逻辑

4.1.3ST7789与ESP32连接实物图

4.2项目驱动
4.2.1 ESP32WIFI模块驱动
ESP32联网后截图

与网络调试助手测试网络是否连接
4.2.2 SPI控制ST7789驱动
st7789py_mpy/lib at master · russhughes/st7789py_mpy · GitHub参考网上操作。
4.2.3显示二维码遇到的困难及解决
QRCODEhttps://github.com/JASchilz/uQR
最后
以上就是耍酷面包最近收集整理的关于利用ESP32控制LED亮灭的全部内容,更多相关利用ESP32控制LED亮灭内容请搜索靠谱客的其他文章。
发表评论 取消回复