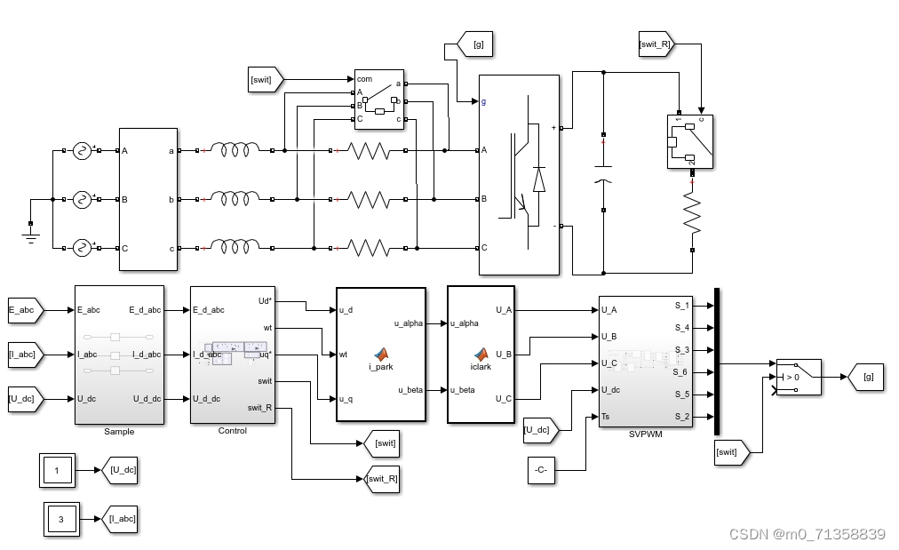
在simulink中搭建了PWM整流电路
直流测电压采用软启动的方式,使直流测电压逐渐上升,达到给定值时再加入负载。
在s-function中编写软启动程序,实现软启动,直流测电容电压在软启动过程中没有过压与超调。
实现了单位功率因数,网侧电压与电流同相位。
采用基于双二阶广义积分器的锁相环,锁得电网相位





ID:6980
672849651303
最后
以上就是优雅小懒猪最近收集整理的关于在simulink中搭建了PWM整流电路的全部内容,更多相关在simulink中搭建了PWM整流电路内容请搜索靠谱客的其他文章。
本图文内容来源于网友提供,作为学习参考使用,或来自网络收集整理,版权属于原作者所有。
发表评论 取消回复