电力电子技术——第一讲
总结内容:
内容包括: 电力电子器件类型归纳、电力二极管、晶闸管、梅逊公式 、GTO、GTR、电力MOSFET、IGBT、电力电子器件的驱动、晶闸管的触发电路、直接耦合式驱动电路、贝克嵌位、电力MOSFET的一种驱动电路、IGBT的驱动、 过电压的产生及过电压保护、电力电子器件器件的串联和并联使用、单相半波可控整流电路、单相桥式全控整流电路、单相桥式半控整流电路、三相半波可控整流电路、三相桥式全控整流电路、变压器漏感对整流电路的影响、整流电路的有源逆变工作状态、同步信号为锯齿波的触发电路。
提示:本文章是本人结合所学的课程进行总结所写,如果大家感兴趣,直接从目录里找需要的看。本文很长,切忌一口气读完
文章目录
- 电力电子技术——第一讲
- 前言
- 第一章——电力电子器件
- 一.基本概念
- 二.不可控器件—电力二极管
- 1.二极管的基本原理——PN结的单向导电性
- 2.PN结与电力二极管的工作原理
- 3.电力二极管的主要参数
- 4.电力二极管的主要类型
- 三.半控器件—晶闸管
- 1.晶闸管的基本原理
- 2.晶闸管的主要参数
- 3.晶闸管的派生器件
- 四.典型全控型器件
- 1.GTO 门极可关断晶闸管
- 2.GTR 电力晶体管
- 3.电力MOSFET(电力场效应晶体管)
- 4. IGBT(绝缘栅双极晶体管)
- 五.电力电子器件的驱动
- 1.晶闸管的触发电路
- 2.电流驱动型器件(GTO 、GTR)的驱动电路
- 3.电压驱动型器件(电力MOSFET、IGBT)的驱动电路
- 六.电力电子器件的保护
- 七.电力电子器件器件的串联和并联使用
- 第二章——整流电路
- 一.单相可控整流电路
- 1.单相半波可控整流电路
- 2.单相桥式全控整流电路
- 3.单相全波与单相全控桥的区别:
- 4.单相桥式半控整流电路
- 二.三相可控整流电路
- 1.三相半波可控整流电路
- 2.三相桥式全控整流电路
- 三.变压器漏感对整流电路的影响
- 四.整流电路的谐波和功率因数
- 五.整流电路的有源逆变工作状态
- 六.同步信号为锯齿波的触发电路
- 1.脉冲形成与放大环节
- 2.锯齿波的形成和脉冲移相环节
- 3.同步环节
- 4.双窄脉冲形成环节
- 5.强触发环节
- 总结
- 学习附件
前言
简介:
大家好,接着之前的自动控制原理,现在我开始总结电力电子技术。作为电气专业,电力电子技术可以说是我们的专业课中的专业课,正是因为它尤其的重要,所以我决定好好研究研究,认真抠每一个细节。以下便是我对电力电子技术所学知识的理解与总结,由于分析得可以说是比较细,篇幅可能会过长,此篇文章仅是第一讲,由于时间的缘故,我还有些其他的事情要处理,第二讲可能会过段时间再发布。
本人学艺不精,有一些知识点地方可能存在瑕疵,希望各位大佬可以多多指教。
以下是本篇文章正文内容:
第一章——电力电子器件
一.基本概念
(1)基本概念及其特征:
电力电子器件——可直接用于主电路中,实现电能的变换或控制的电子器件。
同处理信息的电子器件相比,其所能处理电功率的大小,也就是其承受电压和电流的能力,是其最重要的参数,一般都远大于处理信息的电子器件。电力电子器件为了减小本身的损耗,提高效率,一般都工作在开关状态,同时由信息电子电路来控制 ,而且需要驱动电路,自身的功率损耗通常仍远大于信息电子器件,在其工作时一般都需要安装散热器。其中通态损耗是器件功率损耗的主要成因。当器件开关频率较高时,开关损耗可能成为器件功率损耗的主要因素。
(2)电力电子器件的分类:
●按照器件能够被控制的程度,分为:
①半控型器件:如晶闸管,器件的关断完全是由其在主电路中承受的电压和电流决定的。
②全控型器件:目前最常用的是 IGBT 和 Power MOSFET。通过控制信号既可以控制其导通,又可以控制其关断。
③不可控器件:如电力二极管,不能用控制信号来控制其通断。
●按照驱动电路信号的性质,分为两类:电流驱动型、电压驱动型。
●按照驱动信号的波形(电力二极管除外 ),分为两类:脉冲触发型、电平控制型。
●按照载流子参与导电的情况:单极型器件、双极型器件、复合型器件
二.不可控器件—电力二极管
1.二极管的基本原理——PN结的单向导电性
◆当PN结外加正向电压(正向偏置)时,在外电路上则形成自P区流入而从N区流出的电流,称为正向电流IF,这就是PN结的正向导通状态。
◆当PN结外加反向电压时(反向偏置)时,反向偏置的PN结表现为高阻态,几乎没有电流流过,被称为反向截止状态。
☞综上,PN结具有一定的反向耐压能力,但当施加的反向电压过大,反向电流将会急剧增大,破坏PN结反向偏置为截止的工作状态,这就叫反向击穿。
2.PN结与电力二极管的工作原理
(1)电力二极管与普通二极管内部结构的不同之处:
• 垂直导电结构,显著提高通流能力
• 增加低掺杂N区,增加承受反向电压的能力
注:低掺杂N区的高电阻率对于正向导通是不利的。电导调制效应对解决这一矛盾有利
(2)电导调制效应:
•PN结上流过的正向电流较小时,二极管的电阻主要是作为基片的低掺杂N区的欧姆电阻,阻值较高。
•PN结上流过的正向电流较大时,注入并积累在低掺杂N区的空穴载流子浓度将很大,电阻率明显下降。
(3)使用时与普通二极管的区别:
•正向导通时流过的正向电流很大,电导调制效应不能忽略,引线和焊接电阻的压降有明显影响。
•导通与关断过程中di/dt 较大,线路及负载电感影响较大。
•为了提高反向耐压,掺杂浓度低,尽管有电导调制效应,正向压降较大。
(4)静态特性(伏安特性)

•正向电压大到一定值(门槛电压UTO ),正向电流才开始明显增加,处于稳定导通状态。与IF对应的电力二极管两端的电压即为其正向电压降UF。
•承受反向电压时,只有少子引起的微小而数值恒定的反向漏电流。
(5)动态特性

◆因为结电容的存在,电压—电流特性是随时间变化的,这就是电力二极管的动态特性,并且往往专指反映通态和断态之间转换过程的开关特性。
◆由正向偏置转换为反向偏置:**电力二极管并不能立即关断,而是须经过一段短暂的时间才能重新获得反向阻断能力,进入截止状态。**在关断之前有较大的反向电流出现,并伴随有明显的反向电压过冲。
(6)开通过程(由零偏置转换为正向偏置):先出现一个过冲 UFP,经过一段时间才趋于接近稳态压降的某个值(如2V)。
☞出现电压过冲的原因:电导调制效应起作用所需的大量少子需要一定的时间来储存,在达到稳态导通之前管压降较大;正向电流的上升会因器件自身的电感而产生较大压降。电流上升率越大,UFP越高。
3.电力二极管的主要参数
额定电流——长期运行时,在指定的管壳温度和散热条件下,其允许流过的最大工频正弦半波电流的平均值。(波形相同时,直接按照额定电流选用)
(1)正向平均电流 IF(AV)—— IF(AV) 是按照电流的发热效应来定义的,(波形不同时)使用时应按有效值相等的原则来选取电流定额,并应留有一定的裕量。 IF(AV) 与有效值的关系1:1.57,电力二极管允许流过最大电流有效值为1.57 IF(AV) 。
(2)正向压降UF——在指定温度下,流过某一指定的稳态正向电流时对应的正向压降。
(3)反向重复峰值电压URRM——对电力二极管所能重复施加的反向最高峰值电压。使用时,应当留有两倍的裕量。
(4)反向恢复时间trr —— trr = td + tf
(5)最高工作结温TJM
(6)浪涌电流IFSM——指电力二极管所能承受最大的连续一个或几个工频周期的过电流。
4.电力二极管的主要类型
可分为普通二极管、快恢复二极管(恢复过程很短,特别是反向恢复过程)、肖特基二极管(反向恢复时间很短,正向恢复过程中也不会有明显的电压过冲)。
三.半控器件—晶闸管
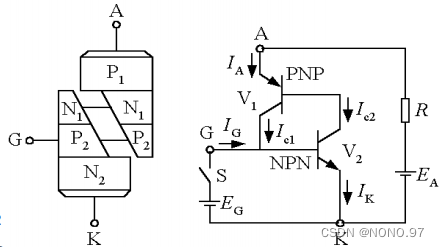
1.晶闸管的基本原理
其能承受的电压和电流容量仍然是目前电力电子器件中最高的,而且工作可靠,因此在大容量的应用场合仍然具有比较重要的地位。
◆内部是PNPN四层半导体结构,有三个PN结

◆阻断状态:IG=0, α1+α2 很小。流过晶闸管的漏电流稍大于两个晶体管漏电流之和。
◆开通状态:注入触发电流使晶体管的发射极电流增大以致 α1+α2 趋近于1的话,流过晶闸管的电流IA,将趋近于无穷大,实现饱和导通。IA实际由外电路决定。
(1)晶闸管正常工作时的特性总结如下:
◆承受反向电压时,不论门极是否有触发电流,晶闸管都不会导通。
◆承受正向电压时,仅在门极有触发电流的情况下晶闸管才能开通。
◆晶闸管一旦导通,门极就失去控制作用。
◆要使晶闸管关断,只能使晶闸管的电流降到接近于零的某一数值以下 。
(2)静态特性
①正向特性:IG=0时,器件两端施加正向电压,只有很小的正向漏电流,为正向阻断状态。正向电压超过正向转折电压Ubo,则漏电流急剧增大,器件开通。随着门极电流幅值的增大,正向转折电压降低。晶闸管本身的压降很小, 在1V左右。

②反向特性:类似二极管的反向特性。反向阻断状态时,只有极小的反相漏电流流过。当反向电压达到反向击穿电压后,可能导致晶闸管发热损坏。
(3)动态特性
①开通过程:由于晶闸管内部的正反馈过程需要时间,再加上外电路电感的限制,晶闸管受到触发后,其阳极电流的增长不可能是瞬时的。延迟时间随门极电流的增大而减小,上升时间除反映晶闸管本身特性外,还受到外电路电感的严重影响。提高阳极电压,延迟时间和上升时间都可显著缩短。
②关断过程:由于外电路电感的存在,原处于导通状态的晶闸管当外加电压突然由正向变为反向时,其阳极电流在衰减时必然也是有过渡过程的。在正向阻断恢复时间内如果重新对晶闸管施加正向电压,晶闸管会重新正向导通,而不是受门极电流控制而导通。
2.晶闸管的主要参数
(1)断态重复峰值电压UDRM、反向重复峰值电压URRM,通常取晶闸管的 UDRM 和 URRM 中较小的标值作为该器件的额定电压。选用时 ,一般取额定电压为正常工作时晶闸管所承受峰值电压2~3倍。
(2)通态平均电流 IT(AV)——在环境温度为40C和规定的冷却状态下,稳定结温不超过额定结温时所允许流过的最大工频正弦半波电流的平均值。标称其额定电流的参数。使用时应按有效值相等的原则来选取晶闸管。一般取其通态平均电流为按发热效应相等(即有效值相等)的
原则所得计算结果的1.5~2倍。
(3)维持电流 IH ——使晶闸管维持导通所必需的最小电流。结温越高,则 IH越小。
(4)擎住电流 IL ——晶闸管刚从断态转入通态并移除触发信号后,能维持导通所需的最小电流。对同一晶闸管来说,通常 IL 约为 IH 的2~4倍。
(5)浪涌电流ITSM ——指由于电路异常情况引起的并使结温超过额定结温的不重复性最大正向过载电流 。
(6)断态电压临界上升率 du/dt——指在额定结温和门极开路的情况下,不导致晶闸管从断态到通态转换的外加电压最大上升率。电压上升率过大,使充电电流足够大,就会使晶闸管误导通。
(7)通态电流临界上升率 di/dt ——指在规定条件下,晶闸管能承受而无有害影响的最大通态电流上升率。如果电流上升太快,可能造成局部过热而使晶闸管损坏。
3.晶闸管的派生器件
分为快速晶闸管、双向晶闸管(是一对反并联联接的普通晶闸管)、逆导晶闸管(晶闸管反并联一个二极管)、光控晶闸管。
四.典型全控型器件
1.GTO 门极可关断晶闸管
与普通晶闸管的相同点: PNPN四层半导体结构,外部引出阳极、阴极和门极。
和普通晶闸管的不同点:GTO是一种多元的功率集成器件。
(1)工作原理:与晶闸管类似, α1 + α2 = 1 是器件临界导通的条件。
(2)GTO的主要参数:开通时间ton、关断时间toff、最大可关断阳极电流IATO、电流关断增益βoff。
(3)小结:GTO能够通过门极关断的原因是其与普通晶闸管有如下区别:
●设计 α2 较大,使晶闸管V2控制灵敏,易于GTO。
●导通时 α1 + α2 更接近1( α1 + α2 ≈ 1.05 ),导通时接近临界饱和,有利门极控制关断,但导通时管压降增大(普通晶闸管>=1.15)。
●多元集成结构,门极和阴极间距小,使得P2基区横向电阻很小,能从门极抽出较大电流。
2.GTR 电力晶体管
结构:通常采用至少由两个晶体管按达林顿接法组成的单元结构,单管GTR的 β 值比小功率的晶体管小得多,通常为10左右,采用达林顿接法可有效增大电流增益。采用集成电路工艺将许多这种单元并联而成 。
(1)工作原理:与普通的双极结型晶体管基本原理是一样的。主要特性是耐压高、电流大、开关特性好。(N-区,电导调制)
共发射极接法时的典型输出特性:截止区、放大区和饱和区。在电力电子电路中GTR工作在开关状态。在开关过程中,即在截止区和饱和区之间过渡时,要经过放大区。

(2)GTR的主要参数:电流放大倍数 β 、直流电流增益 hFE、集射极间漏电流Iceo、开通时间 ton、关断时间 toff、最高工作电压、集电极最大允许电流Icm、集电极最大耗散功率Pcm
(3)GTR的二次击穿现象与安全工作区:当GTR的集电极电压升高至击穿电压时,集电极电流迅速增大,这种首先出现的击穿是雪崩击穿,被称为一次击穿。发现一次击穿发生时如不有效地限制电流,Ic增大到某个临界点时会突然急剧上升,同时伴随着电压的陡然下降,这种现象称为二次击穿。出现一次击穿后,GTR一般不会损坏,二次击穿常常立即导致器件的永久损坏,或者工作特性明显衰变,因而对GTR危害极大。
安全工作区:

将不同基极电流下二次击穿的临界点连接起来,就构成了二次击穿临界线。GTR工作时不仅不能超过最高电压UceM,集电极最大电流IcM和最大耗散功率PcM,也不能超过二次击穿临界线。
3.电力MOSFET(电力场效应晶体管)
电力MOSFET主要是N沟道增强型。
特点——用栅极电压来控制漏极电流驱动电路简单,需要的驱动功率小。开关速度快,工作频率高。热稳定性优于GTR。电流容量小,耐压低,只适用于功率不超过10kW的电力电子装置 。
(1)工作原理:截止:漏源极间加正电源,栅源极间电压为零。– P基区与N漂移区之间形成的PN结J1反偏,漏源极之间无电流流过。
导电: 在栅极和源极之间加一正电压UGS,正电压会将其下面P区中的空穴推开,
而将P区中的少子——电子吸引到栅极下面的P区表面。当UGS大于某一电压值UT时,使P型半导体反型成N型半导体,该反型层形成N沟道而使PN结J1消失,漏极和源极导电。UT称为开启电压(或阈值电压),UGS超过UT越多,导电能力越强,漏极电流 ID 越大。
(2)结构:
●是单极型晶体管。只有一种极性的载流子参与导电。栅极绝缘,无法注入少数载流子,无电导调制效应。
●N-区用来增加承受高电压。
●结构上与小功率MOS管有较大区别,小功率MOS管是横向导电器件,而目前电力MOSFET大都采用了垂直导电结构,所以又称为VMOSFET(Vertical MOSFET),这大大提高了MOSFET器件的耐压和耐电流能力。
(3)输出特性(漏极伏安特性):
截止区(对应于GTR的截止区)、饱和区(对应于GTR的放大区)、非饱和区(对应于GTR的饱和区)三个区域,饱和是指漏源电压增加时漏极电流不再增加,非饱和是指漏源电压增加时漏极电流相应增加。
常工作在开关状态,即在截止区和非饱和区之间来回转换。这是由本身结构所致,漏极和源极之间形成了一个与MOSFET反向并联的寄生二极管。通态电阻具有正温度系数,对器件并联时的均流有利。
(4)使用中的注意事项:防止静电击穿、防止偶然性振荡损坏器件、防止过电压、防止过电流
4. IGBT(绝缘栅双极晶体管)
GTR 和 MOSFET 复合,结合二者的优点。
三端器件:栅极G、集电极C和发射极E
IGBT 比 电力MOSFET多一层P+注入区,具有很强的通流能力。简化等效电路表明,IGBT是GTR与MOSFET组成的达林顿结构,一个由 MOSFET 驱动的厚基区 PNP 晶体管。

(1)工作原理:驱动原理与电力MOSFET基本相同,场控器件,通断由栅射极电压uGE决定。
导通:uGE大于开启电压UGE(th)时,MOSFET内形成沟道,为晶体管提供基极电流,IGBT导通。
通态压降:电导调制效应使电阻RN减小,使通态压降减小。
关断:栅射极间施加反压或不加信号时,MOSFET内的沟道消失,晶体管的基极电流被切断,IGBT关断。
(2)IGBT的输出特性(伏安特性):
分为三个区域:正向阻断区、有源区和饱和区。当UCE<0时,IGBT为反向阻断工作状态。在电力电子电路中,IGBT工作在开关状态,因而是在正向阻断区和饱和区之间来回转换。

(3)擎住效应或自锁效应:在IGBT内部寄生着一个N-PN+晶体管和作为主开关器件的P+N-P晶体管组成的寄生晶闸管。其中NPN晶体管的基极与发射极之间存在体区短路电阻。一旦集电极电流超过额定电流值,IGBT开通并自锁,栅极失去对集电极电流的控制,称为擎住效应。
产生原因:集电极电流超过额定电流值(静态擎住效应),duCE / dt 过大(动态擎住效应),温度升高。
五.电力电子器件的驱动
驱动电路的基本任务:按控制目标的要求施加开通或关断的信号。还要提供控制电路与主电路之间的电气隔离环节,一般采用光隔离或磁隔离。
按照驱动信号的性质分,可分为电压驱动型(IGBT 、电力MOSFET)和电流驱动型(GTO、GTR、SCR)。
1.晶闸管的触发电路
目的:产生符合要求的门极触发脉冲,保证晶闸管在需要的时刻由阻断转为导通、还包括对其触发时刻进行控制的相位控制电路。
触发电路应满足触发脉冲的宽度应保证晶闸管可靠导通、触发脉冲应有足够的幅度、触发脉冲应不超过晶闸管门极的电压、电流和功率定额,且在门极伏安特性的可靠触发区域之内、应有良好的抗干扰性能、温度稳定性及与主电路的电气隔离。
(1)触发电路

上图是由V1、V2构成的脉冲放大环节和脉冲变压器TM和附属电路构成的脉冲输出环节两部分组成。
◆当V1、V2导通时,通过脉冲变压器向晶闸管的门极和阴极之间输出触发脉冲。
◆VD1和R3是为了V1、V2由导通变为截止时脉冲变压器TM释放其储存的能量而设的。(VD1回路目的是泄流)
2.电流驱动型器件(GTO 、GTR)的驱动电路
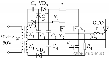
(1)直接耦合式GTO驱动电路

原理分析:
可避免电路内部的相互干扰和寄生振荡,可得到较陡的脉冲前沿;缺点是功耗大,效率较低。
其中电路的电源由高频电源经二极管整流后提供,VD1 和 C1 提供+5V电压,VD2、VD3、C2、 C3 构成倍压整流电路提供+15V电压,VD4 和 C4 提供-15V电压。
V1开通时,输出正强脉冲;V2开通时,输出正脉冲平顶部分;V2关断而V3开通时输出负脉冲;V3关断后R3和R4提供门极负偏压,防止因干扰而误导通。
☞小注:之所以要得到较陡的脉冲前沿,主要是因为GTO开通控制与普通晶闸管相似,但对触发脉冲前沿的幅值和陡度要求高,除此以外,使GTO关断需施加负门极电流,对其幅值和陡度的要求更高。
(2)GTR驱动电路

导通:由上图所示,当输入电压正偏,V2 导通,使集电极电压拉低,从而使 V3、V4、V5导通,V5集电极C点输出高电位,通过 R5、C2 从基极输出给GTR,实现 V 的导通。
当 V 由于通过 R5、C2 从基极输出给GTR的电流导致过饱和时,由于其导通压降变小,则 VD2 阴极侧电压降低,VD2 有电流通过,也就是通过R5、C2的电流被分成3路,其中一路通过VD2,一路通过 VD3 和 V 的基极,一路通过 VD3 和 VS (这一路的电流很小),三路总电流基本不变;被VD2分流后,V的基极电流减小,防止GTR过饱和(基极电流过大——集电极和发射极的导通压降更小,避免过饱和的方法是减小基极电流)。故VD3称为贝克钳位二极管。VD2和VD3构成贝克箝位电路,是一种抗饱和电路,可使GTR导通时处于临界饱和状态。
关断:当关断时,V2、V3、V4、V5 关断,通过 V6 产生负电流,电流方向为V基极-VD4-C2-V6负电流。
注:C2为加速开通和关断过程的电容,开通时 R5 被 C2 短路,电容左边电压变高,电容两端电压不能突变,电容右边的电压也突然升高,就可以产生电压尖冲,这样可以实现驱动电流的过冲,并增加前沿的陡度,加快开通。
此处参考了一位大佬的文章,大佬分析的非常有深度!感谢大佬的分享~
3.电压驱动型器件(电力MOSFET、IGBT)的驱动电路
电压驱动型器件的输出电路的一般要求:
●为快速建立驱动电压,要求驱动电路输出电阻小。
●使MOSFET开通的栅源极间驱动电压一般10~15V, 使IGBT开通的栅射极间驱动电压一般15 ~ 20V。
●关断时施加一定幅值的负驱动电压(一般取-5 ~ -15V)有利于减小关断时间和关断损耗。
●在栅极串入一只低值电阻(数十欧左右)可以减小寄生振荡,该电阻阻值应随被驱动器件电流额定值的增大而减小(减小分压)。
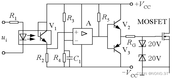
(1)电力MOSFET驱动电路

上图所示,是一种推挽输出电路,当无输入信号时高速放大器A输出负电平,V3导通输出负驱动电压,当有输入信号时A输出正电平,V2导通输出正驱动电压。推挽工作,不会出现饱和状态,因此信号的传输无延迟。
(2)IGBT驱动电路
多采用专用的混合集成驱动器。IGBT驱动电路与电力MOSFET驱动电路结构类似,可混用,故在此不做赘述。

六.电力电子器件的保护
(1)过电压产生原因:来自雷击和系统操作过程等外因、来自电力电子装置内部器件的开关过程如换相过电压、关断过电压等。

外因过电压抑制措施中,RC过电压抑制电路最为常见, RC过电压抑制电路可接于供电变压器的两侧(供电网一侧称网侧,电力电子电路一侧称阀侧),或电力电子电路的直流侧。 大容量电力电子装置可采用图示的三相整流式RC电路多用一组三相整流桥,因只承受直流电压,可采用体积小容量大的电解电容,缩小了保护装置的体积。又可避免电容放电增加晶闸管的di/dt。
(2)过电流保护——过载和短路两种情况
产生过电流的原因:过载; 直流侧短路;逆变失败;晶闸管击穿等。
可采用断路器、继电器、熔断器、直流快速开关和过流继电器等
(3)缓冲电路
缓冲电路又称为吸收电路,其作用是抑制电力电子器件的内因过电压、du/dt或者过电流和di/dt,减小器件的开关损耗。分为关断缓冲电路、开通缓冲电路、复合缓冲电路、耗能式缓冲电路、馈能式缓冲电路
七.电力电子器件器件的串联和并联使用
(1)晶闸管的串联——当晶闸管额定电压小于要求时,可以串联。
易产生的问题:理想串联希望器件分压相等,但因特性差异,使器件电压分配不均匀。
静态不均压:串联的器件流过的漏电流相同,但因静态伏安特性的分散性,各器件分压不等。
动态不均压:由于器件动态参数和特性的差异造成的不均压。
处理方法:选用参数和特性尽量一致的器件。
(2)晶闸管的并联——多个器件并联来承担较大的电流
易产生的问题:会分别因静态和动态特性参数的差异而电流分配不均匀。
处理方法:选用参数和特性尽量一致的器件。采用均流电抗器。用门极强脉冲触发也有助于动态均流。当需要同时串联和并联晶闸管时,通常采用先串后并的方法联接。
第二章——整流电路
触发延迟角:从晶闸管开始承受正向阳极电压起到施加触发脉冲止的电角度,用 α 表示,也称触发角或控制角。
导通角:晶闸管在一个电源周期中处于通态的电角度,用 θ 表示 , θ = π - α 。
移相:改变触发脉冲与电源电压之间的相位,即改变控制角 α 。
一次侧和二次侧电压瞬时值分别用 u1 和 u2 表示,有效值分别用 U1 和 U2 表示。
一.单相可控整流电路
1.单相半波可控整流电路
(1)带电阻负载的工作情况:
①工作原理:
当晶闸管触发端有信号时,晶闸管导通。当 u2 输出正向,在晶闸管触发端施加信号,晶闸管导通。由于其上带电阻负载,输出的 ud 与 u2 波形相同;当 u2 输出反向时,无论晶闸管上是否有信号,晶闸管皆不导通。

电阻负载的特点是电压与电流成正比,两者波形相同。
◆改变触发时刻,ud 和 id 波形随之改变,直流输出电压 ud 为极性不变,但瞬时值变化的脉动直流,其波形只在 u2 正半周内出现,故称“半波”整流。加之电路中采用了可控器件晶闸管,且交流输入为单相,故该电路称为单相半波可控整流电路。整流电压 ud 波形在一个电源周期中只脉动1次,故该电路为单脉波整流电路。
②计算公式

随着 α 增大,Ud减小,该电路中VT的 α 移相范围为180。。
晶闸管承受的正反向电压峰值:√2 * U2
通过控制触发脉冲的相位来控制直流输出电压大小的方式称为相位控制方式,简称相控方式。
(2)带阻感负载的工作情况:
①工作原理:
由于此时带的是阻感,电路中有电感,这将导致电路中电流不会突变。当晶闸管VT处于断态,id=0,ud=0,uVT=u2。在 ωt1 时刻,即触发角 α 处,ud = u2,L的存在使 id 不能突变,id 从0开始增加。u2由正变负的过零点处,id已经处于减小的过程中,但尚未降到零,因此VT仍处于通态。 ωt2时刻,电感能量释放完毕,id降至零,VT关断并立即承受反压。 ☞由于电感的存在延迟了VT的关断时刻,使ud波形出现负的部分,与带电阻负载时相比其平均值Ud下降。

u2过零变负,id不等于零,L中能量未释放完。L上的感应电势使 VT 继续导通。电感能量
反送电网;当 id等于零, L 中能量释放完。VT才阻断。
(3)单相半波可控整流电路的特点:
●VT的a 移相范围为180。。
●晶闸管承受的最大正反向电压是 √2 U2
●续流二极管承受的最大反向电压是 √2 U2
●简单,但输出脉动大,变压器二次侧电流中含直流分量,造成变压器铁芯直流磁化。
(4)小结:
●当 φ 一定,α 越大,L储能越少,维持导电能力越弱,θ越小;
●α一定,φ越大,L储能越多,θ越大,负半周导通时间越接近正半周导通时间。
●由于 ud 出现负值。输出直流电压平均值下降。
◆为避免 Ud 太小,在整流电路的负载两端并联续流二极管。

正半周,工作过程同前。当 u2 过零变负时,VDR导通,ud为零。此时为负的u2通 过VDR向VT施加反压使其关断,L储存的能量保证了电流 id在 L-R-VDR 回路中流通,此过程通常称为续流。续流期间 ud 为0,ud 中不再出现负的部分。
2.单相桥式全控整流电路
闸管 VT1 和 VT4 组成一对桥臂,VT2 和 VT3 组成另一对桥臂。
(1)带电阻负载的工作情况
①在u2正半周(即a点电位高于b点电位),若4个晶闸管均不导通,id=0,ud=0,VT1、VT4串联承受电压 u2 。 在触发角 α 处给 VT1 和 VT4 加触发脉冲,VT1 和 VT4 即导通,电流从电源 a 端经 VT1、 R、VT4 流回电源 b 端。
②当 u2 过零时,流经晶闸管的电流也降到零,VT1 和 VT4 关断。
③在 u2 负半周,仍在触发角 α 处触发 VT2 和 VT3 ,VT2 和 VT3 导通,电流从电源b端流出,经 VT3、R、VT2流回电源a端。
④到 u2 过零时,电流又降为零,VT2 和 VT3 关断。

晶闸管承受的最大正向电压和反向电压分别为 √2 U2 / 2和 √2 U2 。而且是全波、双脉波、变压器无直流磁化问题。

α 移相范围为180。。
(2)带阻感负载的工作情况
① 在u2正半周期,触发角 α 处给晶闸管 VT1 和 VT4 加触发脉冲使其开通,ud = u2。 负载电感很大,id不能突变且波形近似为一条水平线。
②在 u2 过零变负时,由于电感的作用晶闸管VT1和VT4中仍流过电流id,并不关断。至 ωt = π + a 时刻,给晶闸管 VT2 和 VT3 加触发脉冲,VT2 和 VT3 两管导通。
③VT2 和 VT3 导通后,VT1 和 VT4 承受反压关断,流过 VT1 和 VT4 的电流迅速转移到 VT2 和 VT3 上,此过程称换相,亦称换流。
◆基本数量关系:
Ud = 0.9 U2 cos α
晶闸管移相范围为90。
晶闸管承受的最大正反向电压均为 √2 U2 。
晶闸管导通角 θ 与 α 无关,均为180。
电流的平均值和有效值: IdVT = 0.5 Id,IVT = 0.707 Id
变压器二次侧电流 i2 的波形为正负各180。的矩形波,其相位由 α 角决定,有效值 I2 = Id。
(3)带反电动势负载时的工作情况
●在|u2|>E时,才有晶闸管承受正电压,有导通的可能。
导通之后,Ud = u2 ,直至|u2|=E,id 即降至 0 使得晶闸管关断,此后 Ud = E 。
●与电阻负载时相比,晶闸管提前了电角度 δ 停止导电,δ 称为停止导电角,在 α 角相同时,整流输出电压比电阻负载时大。
而当α < δ 时,触发脉冲到来时,晶闸管承受负电压,不可能导通。

触发脉冲有足够的宽度,保证当 wt = δ 时刻有晶闸管开始承受正电压时,触发脉冲仍然存在。这样,相当于触发角被推迟为 δ。
id波形在一周期内有部分时间为0的情况,称为电流断续。为了克服此缺点,一般在主电路中直流输出侧串联一个平波电抗器。电感量足够大使电流连续,晶闸管每次导通180。
3.单相全波与单相全控桥的区别:
①单相全波中变压器结构较复杂,材料的消耗多。
②单相全波只用2个晶闸管,比单相全控桥少2个,相应地,门极驱动电路也少2个;但是晶闸管承受的最大电压是单相全控桥的2倍。
③单相全波导电回路只含1个晶闸管,比单相桥少1个,因而管压降也少1个。
从上述后两点考虑,单相全波电路有利于在低输出电压的场合应用。
4.单相桥式半控整流电路
单相全控桥中,每个导电回路中有2个晶闸管,1个晶闸管可以用二极管代替,从而简化整个电路。如此即成为单相桥式半控整流电路。

(1)电阻负载——半控电路与全控电路在电阻负载时的工作情况相同。
(2)阻感负载——每一个导电回路由1个晶闸管和1个二极管构成。
①在u2正半周,a处触发VT1,u2经VT1和VD4向负载供电。
②u2过零变负时,因电感作用使电流连续,VT1继续导通,但因a点电位低于b点电位,电流是由VT1和VD2续流 , ud=0。
③在u2负半周,a处触发触发VT3, 向VT1加反压使之关断,u2经VT3和VD2向负载供电。
④u2过零变正时,VD4导通,VD2关断。VT3和VD4续流,ud又为零。
(3)续流二极管的作用:避免可能发生的失控现象、有利于降低损耗
●该电路也可把VT3和VT4换为二极管VD3和VD4,这样可以省去续流二极管VDR,续流由VD3和VD4来实现。
二.三相可控整流电路
交流测由三相电源供电;负载容量较大,或要求直流电压脉动较小、容易滤波。
1.三相半波可控整流电路

电路特点:变压器二次侧接成星形得到零线,而一次侧接成三角形避免3次谐波流入电网。三个晶闸管采用共阴极接法。
自然换相点:在相电压的交点wt1、wt2、wt3处,均出现了二极管换相,称这些交点为自然换相点。将其作为 a 的起点,即 a = 0° 。
(1)电阻负载
假设将晶闸管换作二极管,三个二极管对应的相电压中哪一个的值最大,则该相所对应的二极管导通,并使另两相的二极管承受反压关断,输出整流电压即为该相的相电压。

① α = 0°
三个晶闸管轮流导通120° , Ud 波形为三个相电压在正半周期的包络线。变压器二次绕组电流有直流分量。晶闸管电压由一段管压降和两段线电压组成,随着 α 增大,晶闸管承受的电压中正的部分逐渐增多。
② α = 30°
负载电流处于连续和断续的临界状态,各相仍导电120°。
③ α >30°
当导通一相的相电压过零变负时,该相晶闸管关断,但下一相晶闸管因未触发而不导通,此时输出电压电流为零。负载电流断续,各晶闸管导通角小于120° 。
◆基本数量关系
①电阻负载时 α 角的移相范围为150° 。
②整流电压平均值——当 α <= 30° :Ud = 1.17 U2 cos α ;当 α > 30° :Ud = 0.675 [1 + cos( α + π / 6)]
③负载电流平均值——Id = Ud / R
④晶闸管承受的最大反向电压——为变压器二次线电压峰值 URM = 2.45 U2
⑤晶闸管阳极与阴极间的最大正向电压——等于变压器二次相电压的峰值 UFM = √2 U2
(2)阻感负载
特点:阻感负载,L值很大,id波形基本平直,流过晶闸管的电流接近矩形波。

①当 α <= 30° :整流电压波形与电阻负载时相同。
②当 α > 30° :(α = 60° 时的波形如上图所示):当 U2 过零时,由于电感的存在,阻止电流下降,因而 VT1 继续导通,直到下一相晶闸管 VT2 的触发脉冲到来,才发生换流,由VT2导通向负载供电,同时向 VT1 施加反压使其关断。这就是 Ud 波形中出现负的部分的原因。
◆基本数量关系
①阻感负载时的移相范围为90° 。
②由于负载电流连续, Ud = Ud0 =1.17 U2
③变压器二次电流即晶闸管电流的有效值为—— I2 = 0.577 Id
④晶闸管的额定电流为——IVT(AV)= 0.368 Id
⑤晶闸管最大正、反向电压峰值——变压器二次线电压峰值 UFM = URM =2.45 U2
三相半波的主要缺点在于其变压器二次电流中含有直流分量,为此其应用较少。
2.三相桥式全控整流电路

(1)电阻负载
①当 α <= 60° :ud 波形均连续,对于电阻负载,id 波形与ud 波形形状一样,也连续。

②当 α > 60° :ud 波形每60° 中有一段为零,ud 波形不能出现负值。

带电阻负载时三相桥式全控整流电路 α 角的移相范围是120°

◆三相桥式全控整流电路的特点:
①两管同时通形成供电回路,其中共阴极组和共阳极组各1个,且不能为同一相器件。
②对触发脉冲的要求:按 VT1-VT2-VT3-VT4-VT5-VT6 的顺序,相位依次差60° 。共阴极组VT1、VT3、VT5的脉冲依次差120° ,共阳极组 VT4、VT6、VT2也依次差120° 。同一相的上下两个桥臂,即 VT1与 VT4,VT3 与 VT6,VT5 与 VT2,脉冲相差180° 。
③ud 一周期脉动6次,每次脉动的波形都一样,故该电路为6脉波整流电路。
④需保证同时导通的2个晶闸管均有脉冲。可采用双脉冲触发。
⑤晶闸管承受的电压波形与三相半波时相同,晶闸管承受最大正、反向电压的关系也相同。
(2)阻感负载
①当 α <= 60° :ud波形连续,工作情况与带电阻负载时十分相似。
相同之处:各晶闸管的通断情况、输出整流电压 ud 波形、晶闸管承受的电压波形。
不同之处:得到的负载电流 id 波形不同。当电感足够大的时候,id的波形可近似为一条水平线。
②当 α > 60° :阻感负载时的工作情况与电阻负载时不同。阻感负载时,ud波形会出现负的部分,而电阻负载时不会。

带阻感负载时,三相桥式全控整流电路的 α 角移相范围为90° 。
(3)◆基本数量关系
①当整流输出电压连续时(即带阻感负载时,或带电阻负载 α ≤ 60° 时)的平均值为:Ud = 2.34 U2 cos α
②带电阻负载且 α >60° 时,整流电压平均值为:Ud = 2.34 U2 [1 + cos( α + π / 3)]
③当整流变压器采用星形接法,带阻感负载时,变压器二次侧电流其有效值为:I2 = 0.816 Id
④晶闸管电压、电流等的定量分析与三相半波时一致。
⑤接反电势阻感负载时,在负载电流连续的情况下,电路工作情况与电感性负载时相似,电路中各处电压、电流波形均相同。
⑥仅在计算 Id 时有所不同,接反电势阻感负载时的 Id 为:Id = (Ud - E) / R
式中R和E分别为负载中的电阻值和反电动势的值。
三.变压器漏感对整流电路的影响
实际上变压器绕组总有漏感,该漏感可用一个集中的电感LB表示,并将其折算到变压器二次侧。
◆由于电感对电流的变化起阻碍作用,电感电流不能突变,因此换相过程不能瞬间完成,而是会持续一段时间。
(1)以下以三相半波为例来分析

从VT1换相至VT2的过程:
☞在 wt1 时刻之前 VT1 导通,wt1 时刻触发 VT2,因a、b两相均有漏感,故ia、ib均不能突变,于是 VT1 和 VT2 同时导通,相当于将 a、b 两相短路,两相间电压差为 ub - ua,它在两相组成的回路中产生环流 ik。
☞ ik = ib 是逐渐增大的,而 ia = Id - ik 是逐渐减小的。
☞当 ik 增大到等于 Id 时, ia = 0 ,VT1 关断,换流过程结束。
☞换相过程持续的时间用电角度表示 γ ,称为换相重叠角。
(2)◆基本数量关系
换相压降——与不考虑变压器漏感时相比,ud平均值降低的多少—— △ Ud = 3XBId / 2π
换相重叠角 γ 的计算—— cos α - cos( α + γ ) = 2XBId / √6 U2
γ 随其它参数变化的规律:Id 越大则 γ 越大; XB越大 γ 越大; 当 α ≤ 90° 时, α 越小 γ 越大。

注:①单相全控桥电路中,环流 ik 是从 -Id 变为 Id。本表所列通用公式不适用;
②三相桥等效为相电压等于 √3U2 的6脉波整流电路,故其 m=6 ,相电压按 √3U2 代入。
(3)◆变压器漏感对整流电路影响的一些结论
①出现换相重叠角 γ ,整流输出电压平均值 Ud 降低。
②整流电路的工作状态增多。
③晶闸管的 di / dt 减小,有利于晶闸管的安全开通。有时人为串入进线电抗器以抑制晶闸管的 di / dt。
④换相时晶闸管电压出现缺口,产生正的 du / dt,可能使晶闸管误导通,为此必须加吸收电路。⑤换相使电网电压出现缺口,成为干扰源。
四.整流电路的谐波和功率因数
无功的危害:导致设备容量增加、使设备和线路的损耗增加、线路压降增大,冲击性负载使电压剧烈波动。
谐波的危害:降低设备的效率(谐波损耗)。 影响用电设备的正常工作(振动,噪声,过热,老化,寿命缩短)。 引起电网局部的谐振,使谐波放大,加剧危害。 导致继电保护和自动装置的误动作并使计量不准确。 对通信系统造成干扰。
功率因数由基波电流相移和电流波形畸变这两个因素共同决定的。
五.整流电路的有源逆变工作状态
逆变(Invertion)——把直流电转变成交流电,整流的逆过程。
有源逆变电路——交流侧和电网连结。
无源逆变电路——变流电路的交流侧不与电网联接,而直接接到负载。
(1)产生逆变的条件:
①有直流电动势,其极性和晶闸管导通方向一致, 其值大于变流器直流侧平均电压。
②晶闸管的控制角 α > π / 2,使 Ud 为负值。
(2)逆变和整流的区别:控制角 α 不同
0 < α < π / 2 时,电路工作在整流状态。 π / 2 < α < π 时,电路工作在逆变状态。
把 α > p /2时的控制角用 π - α = β 表示, β 称为逆变角。
(3)逆变失败的原因
①触发电路工作不可靠,不能适时、准确地给各晶闸管分配脉冲,如脉冲丢失、脉冲延时等,致使晶闸管不能正常换相。
②晶闸管发生故障,该断时不断,或该通时不通。
③交流电源缺相或突然消失。
④换相的裕量角不足,引起换相失败。
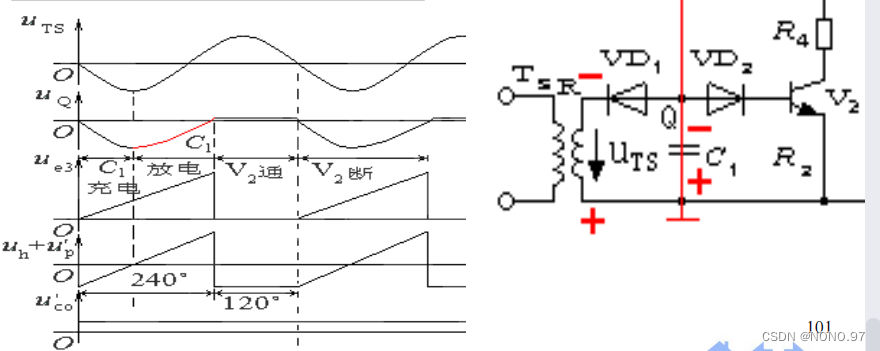
六.同步信号为锯齿波的触发电路
输出可为双窄脉冲(适用于有两个晶闸管同时导通的电路),也可为单窄脉冲。
以下我将用自己的语言来分析该电路:

1.脉冲形成与放大环节
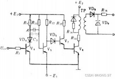
脉冲形成环节由晶体管 V4、V5 组成, V7、V8 起脉冲放大作用。

①当控制电压 Uco ≤ 0V 时: V4 截止,V5 导通。电流的流向为:+E1 (15V)→ R11 → V5be ,从而 V7、V8 截止。此时无脉冲输出。
另一组电流的流向为:+E1 (15V)→ R9 → C3 → V5be → -E1 (15V),最终结果使得 C3 开始充电, Uc3 ≈ 2 E1 = 30V
②当控制电压 Uco ≥ 0.7V 时: V4 导通,V5 截止。由于电容两端的电压不能突变,UA ≈ 1V → U5b ≈-29V → V5 截止 → V7、V8 导通 → 输出触发脉冲。电流的流向为: +E1 (15V)→ R11 → C3 → VD4,使 C3 放电及反向充电。直至当 U5b >-E1 时, V5 导通 , V7,V8截止。输出脉冲终止。
输出触发脉冲的宽度:与时间常数 R11、 C3有关。
2.锯齿波的形成和脉冲移相环节
本电路采用恒流源电路方案,由 V1、V2、V3 和 C2 等元件组成 V1、VS、RP2和R3为一恒流源电路。V3-射极跟随器。目的:减小控制回路的电流对锯齿波电压 Ub3 的影响。

(1)锯齿波形成的过程:当 V2 截止时,V1 导通(工作在放大区),电容器 C2 被恒流 I1C充电,形成锯齿波。当V2导通时,C2 经 R4,V2 放电,完成锯齿波。(R4很小)
改变RP2阻值,可以改变锯齿波的斜率。
(2)脉冲移相环节:由 V4 组成。在 V4 的基极,叠加了锯齿波电压、直流控制电压 Uco 和直流偏置电压 UP。根据叠加原理,分析 V4 基极波形。当只有锯齿波电压 Ue3 时,V4基极仍是锯齿波。当只有偏置电压 UP 时,V4基极为一条与 UP 平行的水平线。当只有控制电压UCO 时,为一条水平线。将其叠加,叠加情况如下:

当uco为正值时,b4 点的波形由uh + u’p + u’co 确定。由于 V4 的存在,上述电压波形与实际波形有出入,当 b4 点电压等于0.7V时,V4导通。之后ub4一直被钳位在0.7V。图中 M 点是 V4 由截止到导通的转折点。由前面分析可知,V4经过 M 点时使电路输出脉冲。因此当 up 为某固定值时,改变 uco 便可改变 M 点的时间坐标,即改变了脉冲产生的时刻,脉冲被移相。
★看到这里可能会有些疑问, uco 明明只是将上边的头给修剪了,为什么说改变 uco 脉冲就会被移相?其原因是脉冲被移相看的不仅仅是M点的时刻,最重要的是时间段!你试想一下,假如 uco 选择为 1.4V 那么这是不是意味着锯齿波中“平顶”的区域减少了,其导通的时间也就变小了。(我个人感觉还是有问题,但我实在找不到答案了,希望有懂的大佬能提点一下!拜托了!!!)
当接阻感负载电流连续时,三相全控桥的脉冲初始相位应为90;当要求系统可逆时,即需要在整流和逆变状态下工作时,理论移相范围180,因锯齿波两端有非线性,要求锯齿波宽度大于180,例如240。当控制电压UCO= 0时,调节 Up的大小使脉冲起始点移至240锯齿波的中央,对应 α =90。当Uco为正值,触发点前移,α < 90,电路工作于整流状态。 当Uco为负值,触发点后移,α > 90,电路工作于逆变状态。
3.同步环节
同步环节由同步变压器TS、V2 、VD1 、VD2等组成。
同步变压器与整流变压器接到同一个电源上,利用同步变压器的副边电压来控制V2的通断,使锯齿波与电源电压同步,(称为锯齿波同步电压)达到使触发脉冲与主回路电源同步的目的。

V2开关的频率就是锯齿波的频率——由同步变压器所接的交流电压决定。
V2由导通变截止期间产生锯齿波——锯齿波起点基本就是同步电压由正变负的过零点。
V2截止状态持续的时间就是锯齿波的宽度——取决于充电时间常数R1C1。

原理分析:
uTS 负半周下降时,VD1导通,Q点电位与 uTS 同步下降。V2截止,变压器给 C1 充电。当 uTS 从最低点上升时,由于电容两端的电压不能突变,此时会发现 Q 点的电压比 R 点低,故此时 VD1截止,Q点电位由R1对C1充电决定,充电时间常数大,Q点电位上升慢,VD1截止。
当Q点电位上升到1.4V时,V2导通。其后重复。一个周期内,V2截止导通各一次,形成锯齿波一个周期,与主电路频率同步。锯齿波宽度由R1C1决定。
4.双窄脉冲形成环节
V5、V6 构成“或”门,当 V5、V6 都导通时,V7、V8都截止,没有脉冲输出。只要 V5、V6 有一个截止,都会使 V7、V8 导通,有脉冲输出。

第一个脉冲由本相触发单元的uco对应的控制角 α 产生。隔 60° 的第二个脉冲是由滞后 60° 相位的后一相触发单元产生(通过V6)。
隔 60° 的第二个脉冲,是将滞后 60° 相位的后一相触发单元的 X 端与此相触发单元 Y 端连接,而获得。
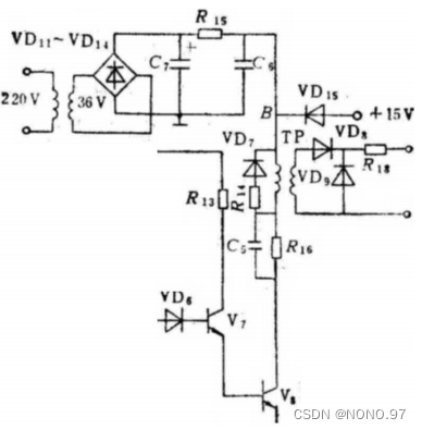
5.强触发环节
目的:缩短晶闸管的开通时间 ton,提高晶闸管承受 di / dt 的能力。

工作原理:在V8导通前,C6充电至50V(36√2),即B点电压 UB =50V。 当 V8 导通时,C6经脉冲变压器原边、R16(C5)及V8快速放电,形成强触发。当UB =电位迅速下降到15V时,VD15导通,使触发脉冲嵌位在15V,直到V8截止。
总结
小小的总结:
又完成一门,历时近一周吧?(ಥ_ಥ) 经过我的深抠之下,总算是完成了~~电力电子的知识虽然看起来很多,但它分析起来,那可是比自控容易太多了呀!总结起来费了不少劲,不过感觉累并快乐着。复习完第一部分,我感觉最近时间不多,接下来我得抓紧时间复习。等我完成了自己的事情之后,下一步便是接着完成第二讲。
之后我将从电机学、电拖入手,进行总结!整理一些我认为比较重要的科目。感谢大家的支持!
学习附件
链接:https://pan.baidu.com/s/1TbCgggatPoXR-ZE2YEgOKA
提取码:osub
最后
以上就是乐观电脑最近收集整理的关于【知识点总结】电力电子技术——第一讲电力电子技术——第一讲前言第一章——电力电子器件第二章——整流电路总结学习附件的全部内容,更多相关【知识点总结】电力电子技术——第一讲电力电子技术——第一讲前言第一章——电力电子器件第二章——整流电路总结学习附件内容请搜索靠谱客的其他文章。
发表评论 取消回复