我是靠谱客的博主 伶俐便当,这篇文章主要介绍verilog 大小端转换 38译码器 边沿检测 ROM 格雷码计数器大小端转换:38译码器边沿检测:ROM:格雷码计数器,现在分享给大家,希望可以做个参考。
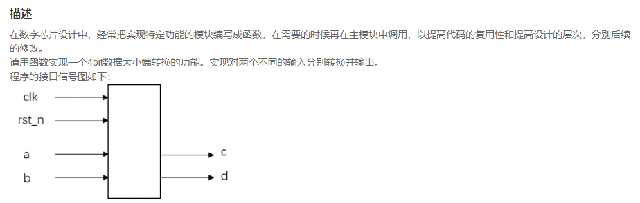
大小端转换:

`timescale 1ns/1ns
module function_mod(
input clk,
input rst_n,
input [3:0]a,
input [3:0]b,
output [3:0]c,
output [3:0]d
);
function [3:0] data_rev; // 函数名和返回变量名相同 data_rev
input [3:0] din; // 声明输入端口
begin
data_rev[0] = din[3];
data_rev[1] = din[2];
data_rev[2] = din[1];
data_rev[3] = din[0];
end
endfunction
assign c = data_rev(a); // 调用函数
assign d = data_rev(b);
endmodule
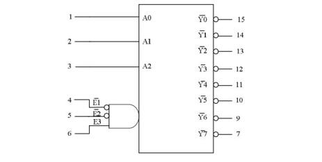
38译码器


`timescale 1ns/1ns
module decoder_38(
input E1_n ,
input E2_n ,
input E3 ,
input A0 ,
input A1 ,
input A2 ,
output wire Y0_n ,
output wire Y1_n ,
output wire Y2_n ,
output wire Y3_n ,
output wire Y4_n ,
output wire Y5_n ,
output wire Y6_n ,
output wire Y7_n
);
wire E;
assign E = E3 & ~E1_n & ~E2_n; // 1&0&0 = 0
assign Y0_n = ~(E & ~A2 & ~A1 & ~A0); //000
assign Y1_n = ~(E & ~A2 & ~A1 & A0); //001
assign Y2_n = ~(E & ~A2 & A1 & ~A0);
assign Y3_n = ~(E & ~A2 & A1 & A0);
assign Y4_n = ~(E & A2 & ~A1 & ~A0);
assign Y5_n = ~(E & A2 & ~A1 & A0);
assign Y6_n = ~(E & A2 & A1 & ~A0);
assign Y7_n = ~(E & A2 & A1 & A0);
endmodule

module Decoder38(data_in,data_out,enable);
input [2:0] data_in;
input enable;
output [7:0] data_out;
reg [7:0] data_out;
always @(data_in)
begin
if (enable == 1)
case(data_in)
3'b000: data_out = 8'b00000001;
3'b001: data_out = 8'b00000010;
3'b010: data_out = 8'b00000100;
3'b011: data_out = 8'b00001000;
3'b100: data_out = 8'b00010000;
3'b101: data_out = 8'b00100000;
3'b110: data_out = 8'b01000000;
3'b111: data_out = 8'b10000000;
default: data_out = 8'bxxxxxxxx;
endcase
else
data_out = 8'b11111111;
end
endmodule
边沿检测:

`timescale 1ns/1ns
module edge_detect(
input clk,
input rst_n,
input a,
output reg rise,
output reg down
);
reg d;
always @(posedge clk or negedge rst_n)
if (!rst_n)
d <= 1'b0;
else
d <= a;
always@(posedge clk or negedge rst_n)begin
if(~rst_n)begin
rise<=1'b0; down<=1'b0;
end
else if(a==1 && d==0) begin
rise <=1'b1;
down <=1'b0;
end
else if(a==0 && d==1) begin
rise <=1'b0;
down <=1'b1;
end
else begin
rise<=1'b0;
down<=1'b0;
end
end
endmodule
ROM:

`timescale 1ns/1ns
module rom(
input clk,
input rst_n,
input [7:0]addr,
output [3:0]data
);
reg[3:0] rom_data[7:0]; // 8个rom_data寄存器,每个4bit
always @(posedge clk or negedge rst_n)begin
if(~rst_n)begin // 初始化
rom_data[0] <= 4'd0;
rom_data[1] <= 4'd2;
rom_data[2] <= 4'd4;
rom_data[3] <= 4'd6;
rom_data[4] <= 4'd8;
rom_data[5] <= 4'd10;
rom_data[6] <= 4'd12;
rom_data[7] <= 4'd14;
end
else begin // 每个时钟周期维持数据
rom_data[0] <= rom_data[0];
rom_data[1] <= rom_data[1];
rom_data[2] <= rom_data[2];
rom_data[3] <= rom_data[3];
rom_data[4] <= rom_data[4];
rom_data[5] <= rom_data[5];
rom_data[6] <= rom_data[6];
rom_data[7] <= rom_data[7];
end
end
assign data = rom_data[addr]; // 按地址输出
endmodule
格雷码计数器



module gray_counter(
input clk,
input rst_n,
output reg [3:0] gray_out
);
//格雷码转二进制
wire [3:0] gray_wire; // 格雷码 wire进 一根线送进
reg [3:0] bin_out; // 二进制 reg出
always @(posedge clk or negedge rst_n)begin
if(~rst_n) begin
bin_out <= 4'b0;
end
else begin
bin_out[3] = gray_wire[3];
bin_out[2] = gray_wire[2]^bin_out[3];
bin_out[1] = gray_wire[1]^bin_out[2];
bin_out[0] = gray_wire[0]^bin_out[1];
end
end
//二进制加一
reg [3:0] bin_add_wire; // 二进制+1结果 reg出
always @(posedge clk or negedge rst_n)begin
if(~rst_n) begin
bin_add_wire <= 4'b0;
end
else begin
bin_add_wire <= bin_out + 1'b1; // bin_out:格雷码转二进制结果
end
end
//二进制转格雷码
assign gray_wire = (bin_add_wire >> 1) ^ bin_add_wire; // 同一根线送出
// 时钟上升沿到来,送进输出
always @(posedge clk or negedge rst_n)begin
if(~rst_n) begin
gray_out <= 4'b0;
end
else begin
gray_out <= gray_wire;
end
end
endmodule
最后
以上就是伶俐便当最近收集整理的关于verilog 大小端转换 38译码器 边沿检测 ROM 格雷码计数器大小端转换:38译码器边沿检测:ROM:格雷码计数器的全部内容,更多相关verilog内容请搜索靠谱客的其他文章。
本图文内容来源于网友提供,作为学习参考使用,或来自网络收集整理,版权属于原作者所有。
发表评论 取消回复