电力电子技术 单相双极性SPWM逆变电路 Simulink仿真
- 一、拓扑结构
- 二、双极性SPWM
- 1.调制波和载波定义
- 2.载波比和调制深度
- 3.PWM信号生成方法
- 4.SPWM基波电压分析
- 5.SPWM谐波分析
- 三、Simulink仿真分析
- 1.问题提出
- 2.分析问题
- 3.Simulink元件选取
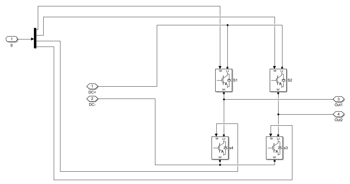
- 4.单相全桥电路子系统搭建
- 5.SPWM波形电路子系统搭建
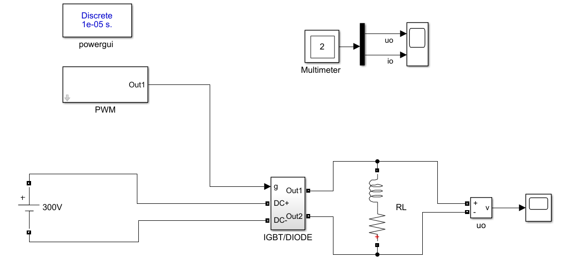
- 6.主电路搭建
- 7.实际效果图
- 四、FFT分析
- 五、仿真文件获取
- 1.积分获取
- 2.免费获取
- 六、其余电力电子电路
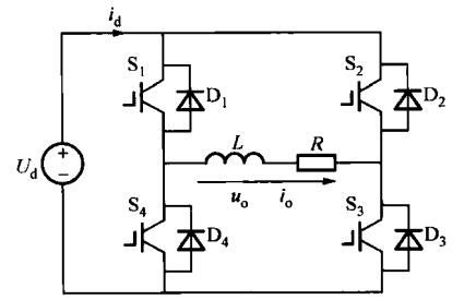
一、拓扑结构
单相PWM逆变电路的主电路与单相方波逆变电路完全相同,如下图所示。只是驱动信号不再是占空比为50%的方波,而是采用PWM控制。若采用标准正弦波为PWM调制波,则称为正弦脉冲宽度调制,常简称为SPWM。

二、双极性SPWM
1.调制波和载波定义
SPWM采用的调制波为频率为fs的正弦波:

载波uc是幅值为Ucm,频率为fc的三角波。
2.载波比和调制深度
载波信号频率fc与调制信号频率fs之比成为载波比,用p来表示 :

正弦调制信号与三角载波信号的幅值之比可以定义为调制深度m:

3.PWM信号生成方法
通常用us与uc相比较的方法生成PWM信号:
当us>uc时,功率开关S1、S3导通,逆变电路输出电压uo等于Ud;
当us<uc时,S2、S4导通,uo等于-Ud。
随着开关管以载波频率fc轮流导通,逆变器输出电压uo不断在正负Ud间切换。
由于在这种情况下,每个开关周期内输出电压波形都会出现正负两种电平,因此称为双极性PWM。下图为p=15时的单相全桥双极性SPWM基本波形。
4.SPWM基波电压分析
工程上对SPWM逆变器常采用电压平均模型进行输出基波电压的计算。当载波频率远远高于输出电压的基频且调制深度m<=1时,可知基波电压u1的幅值U1m满足如下关系:

这是SPWM的一个重要关系,它表明在m<=1,fc>>fs的条件下,SPWM逆变输出电压的基波幅值随调制深度m线性变化。因此通过控制调制信号,可方便地调节逆变器输出电压的频率和幅值。
5.SPWM谐波分析
PWM中含有载波频率fc的整数倍及其附近的谐波。幅值影响最大的是p次谐波分量(p是载波比),随着调制深度的增加,其幅值的相对值逐渐减小。
三、Simulink仿真分析
1.问题提出
完成双极性PWM方式下的单相全桥逆变电路的仿真。
2.分析问题
需要构造一个SPWM发生器来控制全桥电路,这次实验采用子系统封装的形式。
设定输出电阻R=1Ω,输出电感L为2mH,基波50Hz,载波比p为15,即载波频率为15*50=750Hz,调制深度m为0.5。
3.Simulink元件选取
①电源模块:powergui

②Data Type Conversion 用于数据格式转换

③Logical Operator逻辑运算单元

④Relational Operator关系运算单元

⑤Clock、Fcn

⑥Constant

⑦Product

⑧Repeating Sequence

⑨Series RLC Branch

⑩测量及显示单元

其中Multimerter设置如下:

⑪DC Voltage Source

⑫其余连接线

4.单相全桥电路子系统搭建

5.SPWM波形电路子系统搭建

封装参数如下:


6.主电路搭建

7.实际效果图

四、FFT分析
对输出电压uo进行FFT分析,得到如下结果:
柱形图形式

列表形式


对输出电压进行FFT分析,发现基波幅值约为149.9V,和理论值(300V*m,m=0.5)相符。在谐波当中,最严重的是15次谐波(750Hz对应的,载波比p=15),谐波分量已经达到了基波的2.16倍,其次是第13次谐波(p-2)。
五、仿真文件获取
1.积分获取
MATLAB2017版本Simulink:单相双极性SPWM逆变电路
可以自己搭建,或者直接用这个做好的。调节不同的参数观察输出,和书上的理论图对应学习分析。
2.免费获取

六、其余电力电子电路
☆汇总☆电力电子技术simulink仿真电路分析
最后
以上就是虚幻宝马最近收集整理的关于【电力电子技术DC-AC】单相双极性SPWM逆变电路 Simulink仿真一、拓扑结构二、双极性SPWM3.PWM信号生成方法三、Simulink仿真分析四、FFT分析五、仿真文件获取六、其余电力电子电路的全部内容,更多相关【电力电子技术DC-AC】单相双极性SPWM逆变电路内容请搜索靠谱客的其他文章。
发表评论 取消回复