电力电子技术 三相方波逆变电路 Simulink仿真
- 一、拓扑结构
- 二、工况分析
- 三、稳态分析
- 1.电平分析
- 2.傅里叶分析
- 3.接阻性负载
- 4.三相方波逆变电路的特点
- 四、Simulink仿真分析
- 1.问题提出
- 2.分析问题
- 3.Simulink元件选取
- 4.电路连接图
- 5.实际效果图
- 五、仿真文件获取
- 1.积分获取
- 2.免费获取
- 六、FFT分析
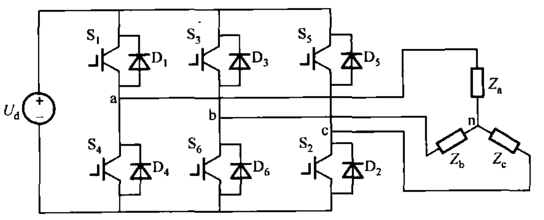
一、拓扑结构
三相方波逆变电路的拓扑结构如下:

二、工况分析
下面是开关管1、2、3、4、5、6交替工作时,相关物理量的波形图:

三、稳态分析
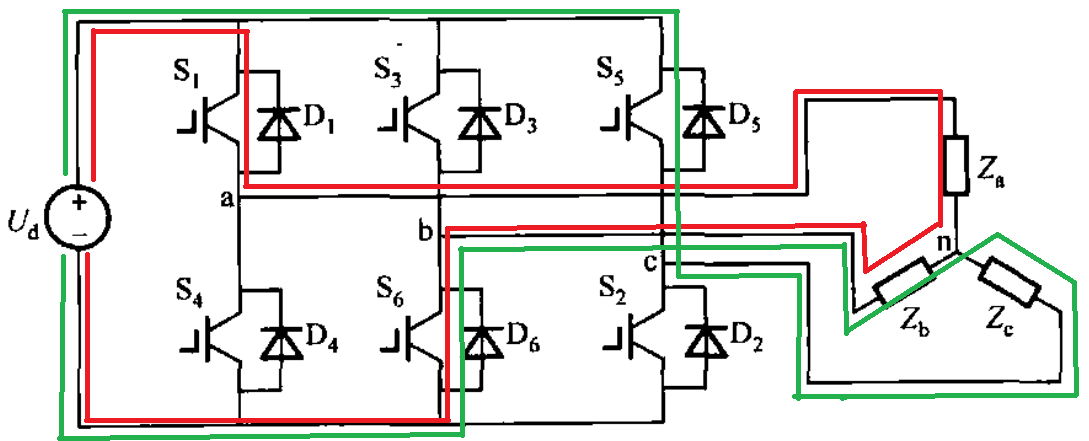
1.电平分析
按照拓扑结构图的元件标号来进行分析,在任意时刻,都有三个开关管导通,导通的顺为:123->234->345->456->561->612的顺序,故在一个周期内有六种导通模式。以561导通模式为例进行分析:

此时负载Za与Zc与电源正极接通,Zb与电源负极接通,故相电压为Ubn=-2/3Ud,Uan=Ucn=1/3Ud。同理可得其他模式下逆变器输出的相电压波形。每隔60°就会发生一次电平变化,形成更加接近于正弦的六阶梯波。
2.傅里叶分析
利用傅里叶分析可得a相电压和a、b间线电压瞬时值分别为:

可见,输出电压中无3的整数倍次谐波,只含更高阶次的奇次谐波,n次谐波幅值为基波幅值的1/n。
线电压基波幅值为:

3.接阻性负载
当逆变电路接阻性负载时,三相半桥电路所有功率开关中的反并联二极管均不导通,逆变器从直流母线吸取无脉动的直流电源。若接感性负载,则逆变器还将与母线交换无功电流,直流脉动频率是输出电压频率的6倍。
4.三相方波逆变电路的特点
①输出电压谐波含量高,尤其是低次谐波成分丰富,输出相电压的THD大约为26%。
②输出电压频率可调,幅值不可调。相应的解决方案是采用相控整流或者不控整流后接DC-DC变换器,通过改变直流电压来调节逆变器输出的交流电压。
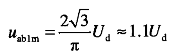
③与PWM的方法比,方波逆变电路的直流电压利用率较高,线电压幅值为1.1倍的直流电压。
四、Simulink仿真分析
1.问题提出
完成三相方波逆变电路的仿真,开关管选用IGBT,直流电压为530V,阻感性负载,负载有功功率为1kW,感性无功功率为0.1kVar。
2.分析问题
需要构造六个脉冲发生器ug1、ug2、ug3、ug4、ug5、ug6,且幅值均为1、频率均为50Hz,占空比均为50%。滞后时间为依次滞后0.02/6s,即相差60°。
注意:simulink中六个开关管的编号和普通拓扑的编号不一样,使用时候需要注意,详细设置见元件选取部分。
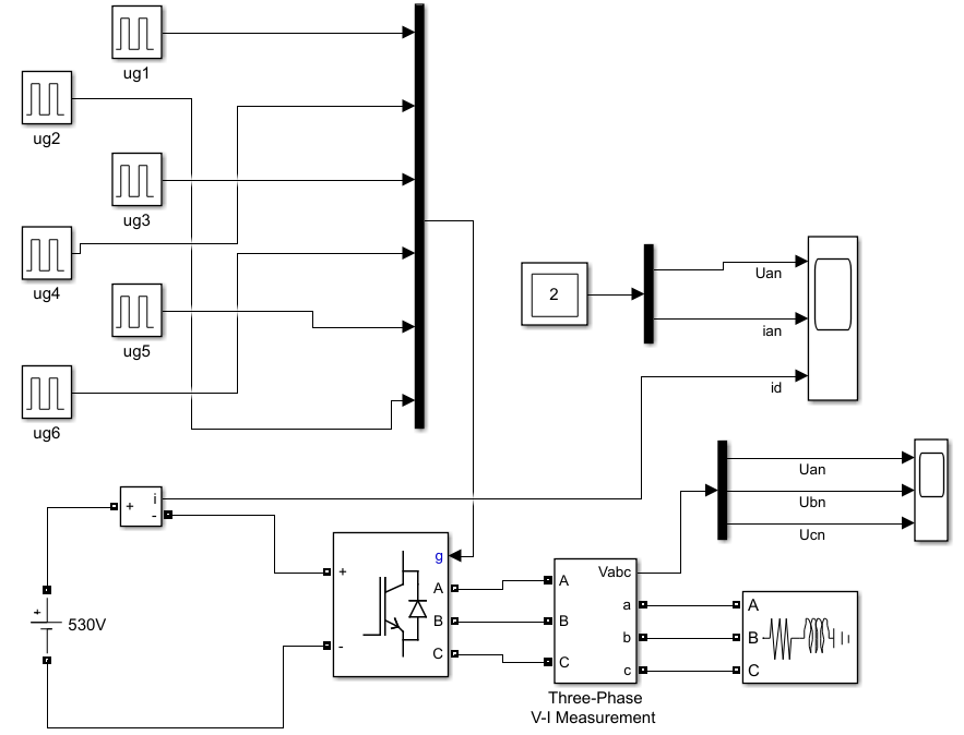
3.Simulink元件选取
①电源模块:powergui

②DC Voltage

③三相桥Universal Bridge

④三相负载Three-Phase Series RLC Load

⑤Pulse Generator

⑥三相测量模块Three-Phase V-I Measurement

⑦相关测量模块

其中Multimeter的设置如下:

⑧mux和demux

4.电路连接图

5.实际效果图
a相相电压、相电流以及电源输出电流波形图

a、b、c三相相电压波形图

五、仿真文件获取
1.积分获取
MATLAB2017版本Simulink:三相波逆变电路
可以自己搭建,或者直接用这个做好的。调节不同的参数观察输出,和书上的理论图对应学习分析。
2.免费获取

六、FFT分析
参考这个:三相方波逆变电路FFT分析
最后
以上就是炙热芹菜最近收集整理的关于【电力电子技术DC-AC】三相方波逆变电路 Simulink仿真一、拓扑结构二、工况分析三、稳态分析四、Simulink仿真分析1.问题提出2.分析问题3.Simulink元件选取五、仿真文件获取六、FFT分析的全部内容,更多相关【电力电子技术DC-AC】三相方波逆变电路内容请搜索靠谱客的其他文章。
发表评论 取消回复