下面来介绍一下如何在MATLAB的simulink中仿真产生阶梯波,具体如下:
1、在MATLAB的主界面中选择新建simulink Model

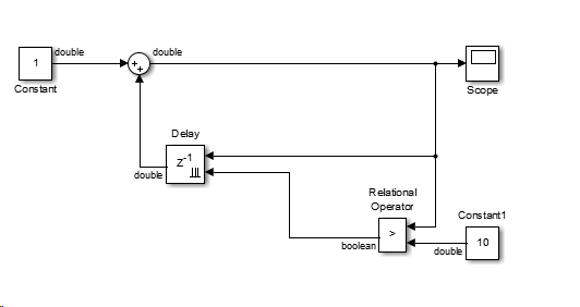
2、在新建的Model中命名保存至自定义路径下,加入下列模块并连接成下图:

3、在Relational Operator选择 >,点击运行,结果如下所示:

至此,运用 Relational Operator对积分延迟单元进行比较输出,产生阶梯波的介绍基本完毕,请大家多多参考!!!
最后
以上就是乐观春天最近收集整理的关于simulink仿真之比较产生阶梯波的全部内容,更多相关simulink仿真之比较产生阶梯波内容请搜索靠谱客的其他文章。
本图文内容来源于网友提供,作为学习参考使用,或来自网络收集整理,版权属于原作者所有。
发表评论 取消回复