计数器IP核调用
- 计数器IP核使用
- FPGA设计方式
- 计数器IP核配置
- Ip核实现到硬件RTL结构
- 功能仿真
- IP核调用实现计数器级联
计数器IP核使用
FPGA设计方式
1、原理图输入(不推荐)系统比较大的时候修改十分困难
2、Verilog HDL设计方式
3、IP核输入方式(例如FFT的实现,包括的原理到最终实现,使用verilogHDL进行开发内容多开发周期太长,缩短开发周期)
计数器IP核配置
QuartusII 提供的LPM_counter IP核的使用
1、 选择输出是多少位
2、 选择计数方式为1向上计数2向下计数3创建一个端口选择是增计数或减计数

3、 选择计数器类型1直接二进制计数2模的形式,计数器计数到设置的最大值直接清零
4、 选择需要的端口1时钟使能信号2计数使能信号3进位输入:若使用这个信号,只有当进位输入有效,才会进行计数4进位输出:若使用信号,当计数结果满预设值,会输出一个进位输出。用于实现计数器级联。

5、 清零、加载、置位选项

Finish后添加IP核,qip信息文件



添加IP核到工程,counter.v就是需要添加等ip核文件。Counter_bb.v文件为blackbox黑盒文件,涉及到ip核具体实现有关,不需要关心。
添加counter.v文件后,代码如下

对于具体内容不用关心,只需要关心端口,将端口例化到用户设计中即可。
由于counter的ip核直接就可以作为输出,可以直接将counter设置为顶层模块进行输出。
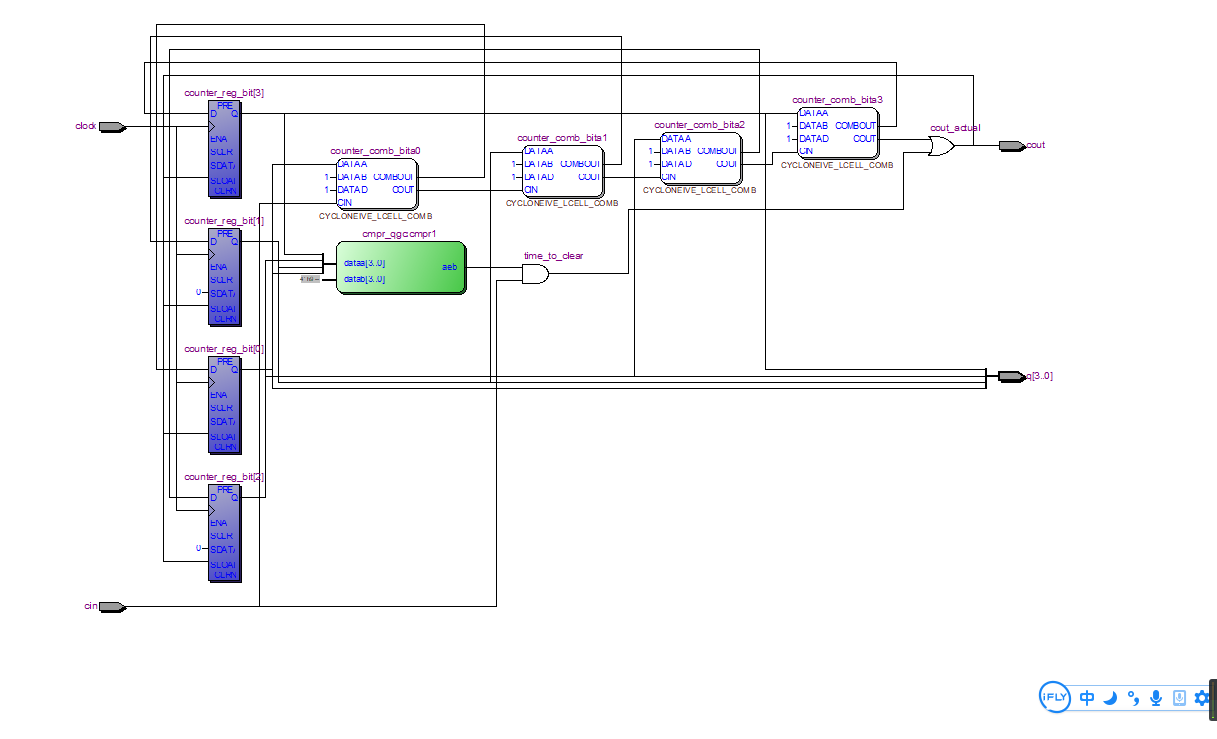
Ip核实现到硬件RTL结构
总体框图

没有使用到到引脚就会默认接地

Counter1、2、3及查找表等结构构成计数器,更加接近FPGA内部的电路结构

功能仿真
编写testbench文件
测试文件中需要给出输入计数的激励
这里每五个低电平产生一个高电平给到计数输入口,重复五次。每得到一个高电平计数器计数一次。
`timescale 1ns/1ns
`define clock_period 20//定义时钟周期,频率20ns,周期20MHz
module counter_tb;
//定位输入端口,输入端口使用reg类型
reg cin;//进位输入
reg clk;//计数基准时钟
//定位输出端口,输出端口用wire类型
wire cout;
wire [3:0] q;
counter counter_0(//模块例化,对新的测试模块命名为counter_0
.cin (cin),
.clock (clk),
.cout (cout),
.q (q)
);
//原模块名 新模块名(
//.原模块接口1 (新模块接口1),
//.原模块接口2 (新模块接口2),
//);
//初始化时钟信号
initial clk = 1 ;
always #(`clock_period/2)clk = ~clk;//每到达时钟周期到一半时,对时钟进行翻转
initial begin
repeat(20)begin//repeat重复循环5次
cin = 0 ;
#(`clock_period*5)cin = 1;//低电平保持五个时钟周期,高电平保持一个时钟周期,得到一个脉冲信号
#(`clock_period)cin = 0;
end
#(`clock_period*200);
$stop;
end
endmodule
仿真结果


由于设置ip核的最大计数值为10,计数器在计数满十次,在计数到9的时候,产生进位输出,下次的计数值为0。在0的时候产生一个毛刺的情况,可能是因为计数器ip核内有布局布线产生的。
更改ip核的设置

此时的进位标志只有当计数器计满时,产生进位标志。

IP核调用实现计数器级联
编写顶层模块,例化两个计数器,并进行级联。
顶层模块例化代码如下
module counter_top(cin,clk,cout,q);
input cin;
input clk;
output cout;
output [7:0] q;
wire cout0;
//顶层默克进行模块例化
counter counter_0(//例化第一个模块
.cin (cin),
.clock (clk),
.cout (cout0),//低位置位信号
.q (q[3:0])//低四位输出
);
counter counter_1(//例化第二个模块
.cin (cout0),//低位置位输出连接到高位输入
.clock (clk),
.cout (cout),
.q (q[7:4])//高四位输出
);
endmodule
RTL视图如下所示。

编写顶层模块测试的testbench文件
`timescale 1ns/1ns
`define clock_period 20//定义时钟周期,频率20ns,周期20MHz
module counter_top_tb;
//定位输入端口,输入端口使用reg类型
reg cin;//进位输入
reg clk;//计数基准时钟
//定位输出端口,输出端口用wire类型
wire cout;
wire [7:0] q;
counter_top counter_0(//模块例化,对新的测试模块命名为counter_0
.cin (cin),
.clk (clk),
.cout (cout),
.q (q)
);
//原模块名 新模块名(
//.原模块接口1 (新模块接口1),
//.原模块接口2 (新模块接口2),
//);
//初始化时钟信号
initial clk = 1 ;
always #(`clock_period/2)clk = ~clk;//每到达时钟周期到一半时,对时钟进行翻转
initial begin
repeat(300)begin//repeat重复循环5次
cin = 0 ;
#(`clock_period*5)cin = 1;//低电平保持五个时钟周期,高电平保持一个时钟周期,得到一个脉冲信号
#(`clock_period)cin = 0;
end
#(`clock_period*200);
$stop;
end
endmodule
仿真结果波形
计数到255时cout输出一个脉冲信号。实现两个四位计数器级联进行计数。最高能计数到11111111(b)=255(d)

更改计数器的设置

让计数器每10产生一次输出
这样的结果是计数到153时cout输出一个脉冲,然后清零。理由:四位计数器的高四位输出为9(hex),低四位的最高输出也为9,那么输出的最大数字为99(hex)=153(d)

最后
以上就是柔弱御姐最近收集整理的关于小梅哥FPGA学习笔记——计数器IP核调用及仿真计数器IP核使用功能仿真IP核调用实现计数器级联的全部内容,更多相关小梅哥FPGA学习笔记——计数器IP核调用及仿真计数器IP核使用功能仿真IP核调用实现计数器级联内容请搜索靠谱客的其他文章。
发表评论 取消回复