21.1 串口通信协议简介
在计算机科学里,大部分复杂的问题都可以通过分层来简化。如芯片被分为内核层和片上外设;STM32 标准库则是在寄存器与用户代码之间,软件层。对于通讯协议,我们也以分层的方式来理解,最基本的是把它分为物理层和协议层。
物理层规定通讯系统中具有机械、电子功能部分的特性,确保原始数据在物理媒体的传输。协议层主要规定通讯逻辑,统一收发双方的数据打包、解包标准。
1.RS232标准 RS232
2.USB转串口 TTL
3.原生的串口到串口 TTL->TTL
RS232与TTL电平的区别
TTL 3.3V 0V CPU 外设
RS232 增加串口通讯的远距离传输及抗干扰能力,它使用15V 表示逻辑 1,+15V 表示逻辑 0

相差30V 容差能力比较强
RS232标准串口主要用于工业设备直接通信
电平转换芯片一般有MAX3232,SP3232


协议层:
串口通讯的数据包由发送设备通过自身的 TXD 接口传输到接收设备的 RXD 接口。在串口通讯的协议层中,规定了数据包的内容,它由启始位、主体数据、校验位以及停止位组成,通讯双方的数据包格式要约定一致才能正常收发数据。
在有效数据之后,有一个可选的数据校验位。由于数据通信相对更容易受到外部干扰导致传输数据出现偏差,可以在传输过程加上校验位来解决这个问题。校验方法有奇校验(odd)、偶校验(even)、0 校验(space)、1 校验(mark)以及无校验(noparity)。奇校验要求有效数据和校验位中“1”的个数为奇数,比如一个 8 位长的有效数据为:01101001,此时总共有 4 个“1”,为达到奇校验效果,校验位为“1”,最后传输的数据将是 8 位的有效数据加上 1 位的校验位总共 9 位。偶校验与奇校验要求刚好相反,要求帧数据和校验位中“1”的个数为偶数,比如数据帧:11001010,此时数据帧“1”的个数为 4 个,所以偶校验位为“0”。0 校验是不管有效数据中的内容是什么,校验位总为“0”,1 校验是校验位总为“1”。
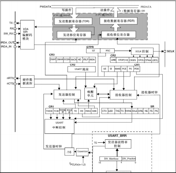
21.2 STM2串口功能框图讲解
TX:发送数据输出引脚。
RX:接收数据输入引脚。
SW_RX:数据接收引脚,只用于单线和智能卡模式,属于内部引脚,没有具体外部引
脚。
nRTS:请求以发送(Request To Send),n 表示低电平有效。如果使能 RTS 流控制,当USART 接收器准备好接收新数据时就会将 nRTS 变成低电平;当接收寄存器已满时,nRTS将被设置为高电平。该引脚只适用于硬件流控制。
nCTS:清除以发送(Clear To Send),n表示低电平有效。如果使能 CTS 流控制,发送器在发送下一帧数据之前会检测 nCTS 引脚,如果为低电平,表示可以发送数据,如果为高电平则在发送完当前数据帧之后停止发送。该引脚只适用于硬件流控制。
SCLK:发送器时钟输出引脚。这个引脚仅适用于同步模式。
USART_DR包含了已发送的数据或者接收到的数据。USART_DR实际是包含了两个寄存器,一个专门用于发送的可写 TDR,一个专门用于接收的可读 RDR。当进行发送操作时,往 USART_DR 写入数据会自动存储在 TDR 内;当进行读取操作时,向 USART_DR 读取数据会自动提取 RDR 数据。

USART_DR数据位由USART_CR1寄存器M位:字长 (Word length)该位定义了数据字的长度,由软件对其设置和清零 0:一个起始位,8个数据位,n个停止位;1:一个起始位,9个数据位,n个停止位。
USART_CR1:PCE、PS控制校验位,PCE:校验控制使能 PS:校验选择

UE:串口使能 TE:发送使能 RE:接受使能 TXE:发送数据寄存器为空 TC:发送完成 TXEIE:接受中断
USART_SR:RXNE 读入数据不为空

USART_BRR
21.3 串口初始化结构体固件库讲解
typedef struct
{
//配置波特率
uint32_t USART_BaudRate; /*!< This member configures the USART communication baud rate.
The baud rate is computed using the following formula:
- IntegerDivider = ((PCLKx) / (16 * (USART_InitStruct->USART_BaudRate)))
- FractionalDivider = ((IntegerDivider - ((u32) IntegerDivider)) * 16) + 0.5 */
//8bit 还是 9bit
uint16_t USART_WordLength; /*!< Specifies the number of data bits transmitted or received in a frame.
This parameter can be a value of @ref USART_Word_Length */
//停止位
uint16_t USART_StopBits; /*!< Specifies the number of stop bits transmitted.
This parameter can be a value of @ref USART_Stop_Bits */
//校验位
uint16_t USART_Parity; /*!< Specifies the parity mode.
This parameter can be a value of @ref USART_Parity
@note When parity is enabled, the computed parity is inserted
at the MSB position of the transmitted data (9th bit when
the word length is set to 9 data bits; 8th bit when the
word length is set to 8 data bits). */
//模式 TX RX
uint16_t USART_Mode; /*!< Specifies wether the Receive or Transmit mode is enabled or disabled.
This parameter can be a value of @ref USART_Mode */
//是否硬件控制流
uint16_t USART_HardwareFlowControl; /*!< Specifies wether the hardware flow control mode is enabled
or disabled.
This parameter can be a value of @ref USART_Hardware_Flow_Control */
} USART_InitTypeDef;
typedef struct
{
//时钟
uint16_t USART_Clock; /*!< Specifies whether the USART clock is enabled or disabled.
This parameter can be a value of @ref USART_Clock */
//时钟极性 空闲的时候是高电平还是低电平
uint16_t USART_CPOL; /*!< Specifies the steady state value of the serial clock.
This parameter can be a value of @ref USART_Clock_Polarity */
//时钟相位 边沿 极性和相位配合使用
uint16_t USART_CPHA; /*!< Specifies the clock transition on which the bit capture is made.
This parameter can be a value of @ref USART_Clock_Phase */
//最后一位时钟脉冲
uint16_t USART_LastBit; /*!< Specifies whether the clock pulse corresponding to the last transmitted
data bit (MSB) has to be output on the SCLK pin in synchronous mode.
This parameter can be a value of @ref USART_Last_Bit */
} USART_ClockInitTypeDef;
固件库函数
//串口初始化函数
//将我们初始化结构体的值写到对应的寄存器里面去
void USART_Init(USART_TypeDef* USARTx, USART_InitTypeDef* USART_InitStruct);
//中断配置函数
void USART_ITConfig(USART_TypeDef* USARTx, uint16_t USART_IT, FunctionalState NewState);
//串口使能函数
void USART_Cmd(USART_TypeDef* USARTx, FunctionalState NewState);
//数据发送函数
void USART_SendData(USART_TypeDef* USARTx, uint16_t Data);
//数据接受函数
uint16_t USART_ReceiveData(USART_TypeDef* USARTx);
//中断状态位获取函数
ITStatus USART_GetITStatus(USART_TypeDef* USARTx, uint16_t USART_IT);
//清除中断标志位
void USART_ClearFlag(USART_TypeDef* USARTx, uint16_t USART_FLAG);
//获取中断标志位
FlagStatus USART_GetFlagStatus(USART_TypeDef* USARTx, uint16_t USART_FLAG);
21.4 串口发送和接受代码讲解
21.4.1 中断接受和发送

#ifndef _BSP_USART_H
#define _BSP_USART_H
#include "stm32f10x.h"
#include "stdio.h"
// 串口1-USART1
#define DEBUG_USARTx USART1
#define DEBUG_USART_CLK RCC_APB2Periph_USART1
#define DEBUG_USART_APBxClkCmd RCC_APB2PeriphClockCmd
#define DEBUG_USART_BAUDRATE 115200
// USART GPIO 引脚宏定义
#define DEBUG_USART_GPIO_CLK (RCC_APB2Periph_GPIOA)
#define DEBUG_USART_GPIO_APBxClkCmd RCC_APB2PeriphClockCmd
#define DEBUG_USART_TX_GPIO_PORT GPIOA
#define DEBUG_USART_TX_GPIO_PIN GPIO_Pin_9
#define DEBUG_USART_RX_GPIO_PORT GPIOA
#define DEBUG_USART_RX_GPIO_PIN GPIO_Pin_10
#define DEBUG_USART_IRQ USART1_IRQn
#define DEBUG_USART_IRQHandler USART1_IRQHandler
void USART_Config(void);
void Usart_SendByte(USART_TypeDef* pUSARTx,uint8_t data);
void Usart_SendHalfWord(USART_TypeDef* pUSARTx,uint16_t data);
void Usart_SendArray(USART_TypeDef* pUSARTx,uint8_t *array,uint8_t num);
void Usart_SendStr(USART_TypeDef* pUSARTx,uint8_t *str);
int fputc(int ch, FILE *f);
#endif /*_BSP_USART_H*/
#include "bsp_usart.h"
static void NVIC_Configuration(void)
{
NVIC_InitTypeDef NVIC_InitStructure;
/* 嵌套向量中断控制器组选择 */
NVIC_PriorityGroupConfig(NVIC_PriorityGroup_2);
/* 配置USART为中断源 */
NVIC_InitStructure.NVIC_IRQChannel = DEBUG_USART_IRQ;
/* 抢断优先级*/
NVIC_InitStructure.NVIC_IRQChannelPreemptionPriority = 1;
/* 子优先级 */
NVIC_InitStructure.NVIC_IRQChannelSubPriority = 1;
/* 使能中断 */
NVIC_InitStructure.NVIC_IRQChannelCmd = ENABLE;
/* 初始化配置NVIC */
NVIC_Init(&NVIC_InitStructure);
}
void USART_Config(void)
{
GPIO_InitTypeDef GPIO_InitStructure;
USART_InitTypeDef USART_InitStructure;
// 打开串口GPIO的时钟
DEBUG_USART_GPIO_APBxClkCmd(DEBUG_USART_GPIO_CLK, ENABLE);
// 打开串口外设的时钟
DEBUG_USART_APBxClkCmd(DEBUG_USART_CLK, ENABLE);
// 将USART Tx的GPIO配置为推挽复用模式
GPIO_InitStructure.GPIO_Pin = DEBUG_USART_TX_GPIO_PIN;
GPIO_InitStructure.GPIO_Mode = GPIO_Mode_AF_PP;
GPIO_InitStructure.GPIO_Speed = GPIO_Speed_50MHz;
GPIO_Init(DEBUG_USART_TX_GPIO_PORT, &GPIO_InitStructure);
// 将USART Rx的GPIO配置为浮空输入模式
GPIO_InitStructure.GPIO_Pin = DEBUG_USART_RX_GPIO_PIN;
GPIO_InitStructure.GPIO_Mode = GPIO_Mode_IN_FLOATING;
GPIO_Init(DEBUG_USART_RX_GPIO_PORT, &GPIO_InitStructure);
// 配置串口的工作参数
// 配置波特率
USART_InitStructure.USART_BaudRate = DEBUG_USART_BAUDRATE;
// 配置 针数据字长
USART_InitStructure.USART_WordLength = USART_WordLength_8b;
// 配置停止位
USART_InitStructure.USART_StopBits = USART_StopBits_1;
// 配置校验位
USART_InitStructure.USART_Parity = USART_Parity_No ;
// 配置硬件流控制
USART_InitStructure.USART_HardwareFlowControl =
USART_HardwareFlowControl_None;
// 配置工作模式,收发一起
USART_InitStructure.USART_Mode = USART_Mode_Rx | USART_Mode_Tx;
// 完成串口的初始化配置,写到寄存器里面
USART_Init(DEBUG_USARTx, &USART_InitStructure);
// 串口中断优先级配置
NVIC_Configuration();
// 使能串口接收中断
USART_ITConfig(DEBUG_USARTx, USART_IT_RXNE, ENABLE);
// 使能串口 总开关 打开串口
USART_Cmd(DEBUG_USARTx, ENABLE);
}
/*发送一个字节*/
void Usart_SendByte(USART_TypeDef* pUSARTx,uint8_t data)
{
USART_SendData(pUSARTx, data);
while(USART_GetFlagStatus(pUSARTx, USART_FLAG_TXE) == RESET)
{
}
}
/*发送两个字节的数据*/
void Usart_SendHalfWord(USART_TypeDef* pUSARTx,uint16_t data)
{
uint8_t temp_h,temp_l;
temp_h = (data&0xff00) >> 8;
temp_l = data&0xff;
USART_SendData(pUSARTx, temp_h);
while(USART_GetFlagStatus(pUSARTx, USART_FLAG_TXE) == RESET);
USART_SendData(pUSARTx, temp_l);
while(USART_GetFlagStatus(pUSARTx,USART_FLAG_TXE) == RESET);
}
/*发送8位数据的数组*/
void Usart_SendArray(USART_TypeDef* pUSARTx,uint8_t *array,uint8_t num)
{
uint8_t i;
for(i=0;i<num;i++)
{
Usart_SendByte(pUSARTx, array[i]);
}
while(USART_GetFlagStatus(pUSARTx, USART_FLAG_TC) == RESET);
}
/*发送字符串*/
void Usart_SendStr(USART_TypeDef* pUSARTx,uint8_t *str)
{
uint8_t i = 0;
do{
Usart_SendByte(pUSARTx,*(str+i));
i++;
}while(*(str+i) != '