本篇文章的仿真分享,需要simulink仿真文件的评论区留下邮箱吧!!!!!
SPWM的基本原理

SPWM的重要理论基础

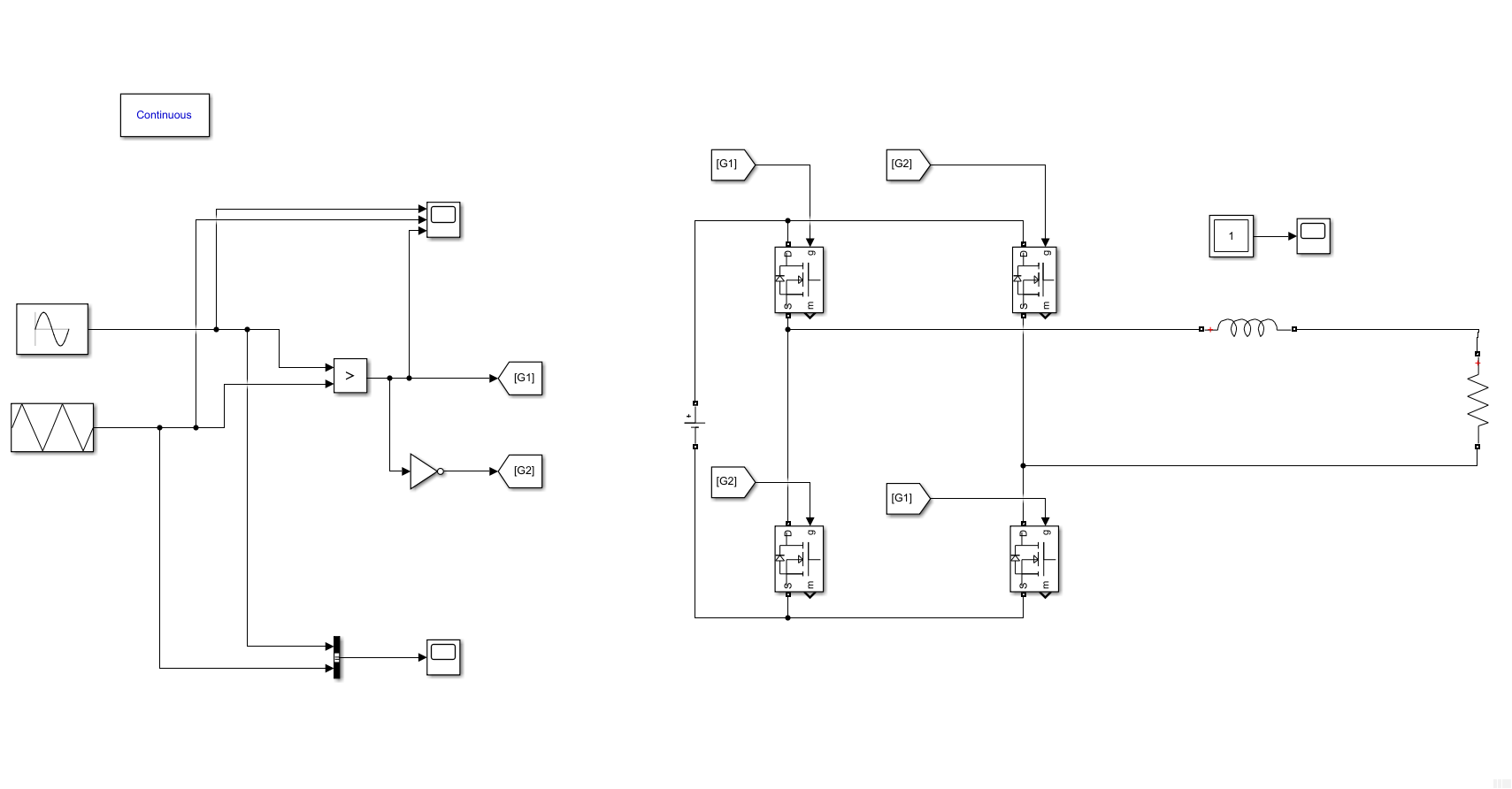
单相SPWM仿真

通过比较产生控制信号
、
输出结果

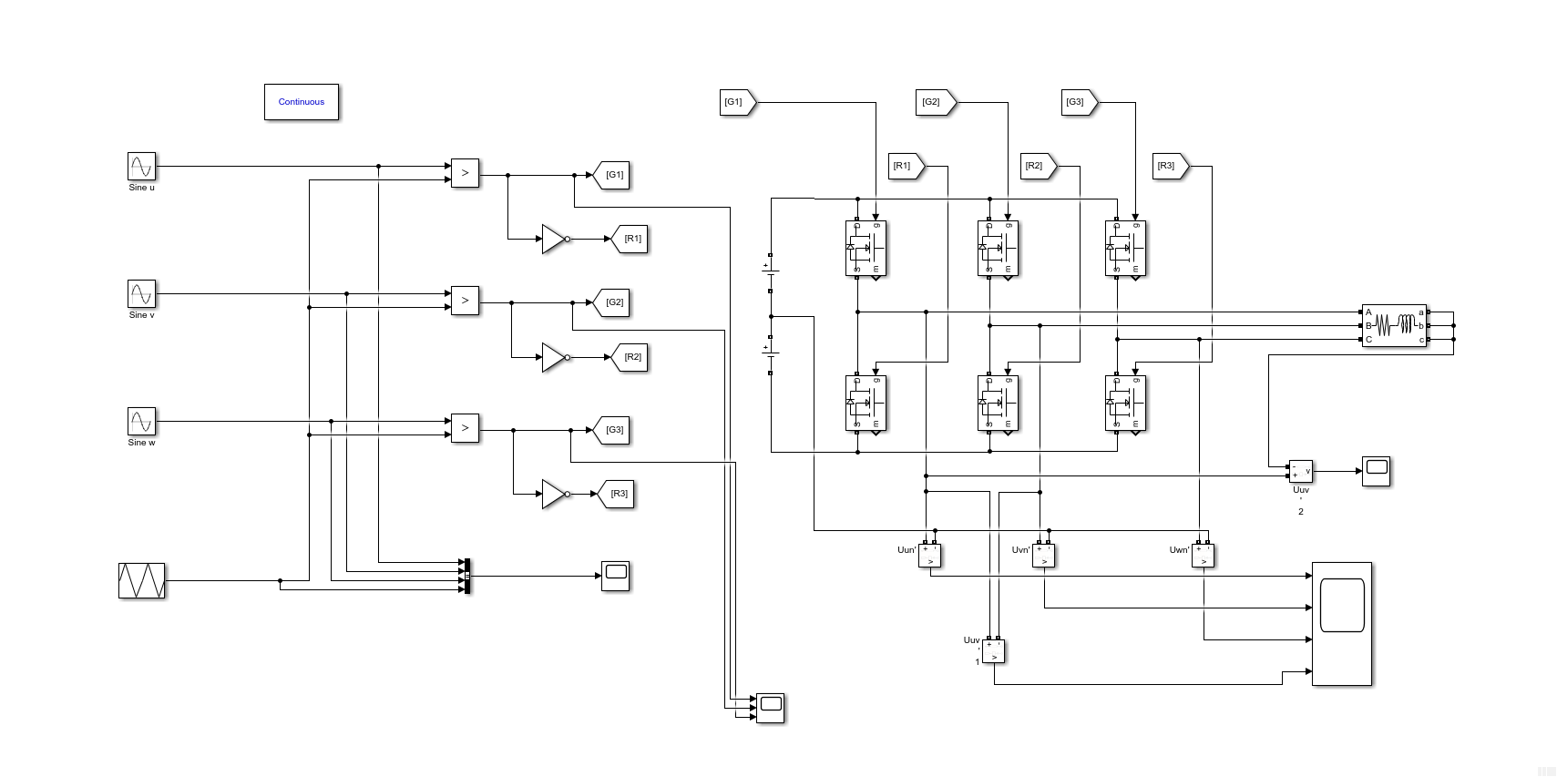
三相SPWM仿真

比较产生控制电平

输出的控制电平

输出结果

个人学习中还存很多的不足希望向大家学习。
完整的仿真搭建已经详细给出,可以自行搭建,需要我的原版模型和有相关问题联系微信。
weixin:shadowknight007
本篇文章的仿真分享,需要simulink仿真文件的评论区留下邮箱吧!!!!!
最后
以上就是虚拟冬天最近收集整理的关于脉冲宽度调制(SPWM)Simulink仿真教程SPWM的基本原理单相SPWM仿真三相SPWM仿真的全部内容,更多相关脉冲宽度调制(SPWM)Simulink仿真教程SPWM内容请搜索靠谱客的其他文章。
本图文内容来源于网友提供,作为学习参考使用,或来自网络收集整理,版权属于原作者所有。
发表评论 取消回复