

MAB指南是由一个独立的行业工作组为使用MATLAB®、Simulink®、Stateflow®和Embedded Coder®开发的一套建模指南。该指南是多年工程专业知识和最佳实践的结晶,用于开发、维护和记录生产软件开发中使用的控制算法模型。
MAB指南是项目成功和团队合作的重要基础--无论是在内部还是与合作伙伴或分包商合作时。遵守准则是实现的一个关键前提。才能保证输出高质量的模型和代码,以确保:
系统集成没有问题
定义明确的接口
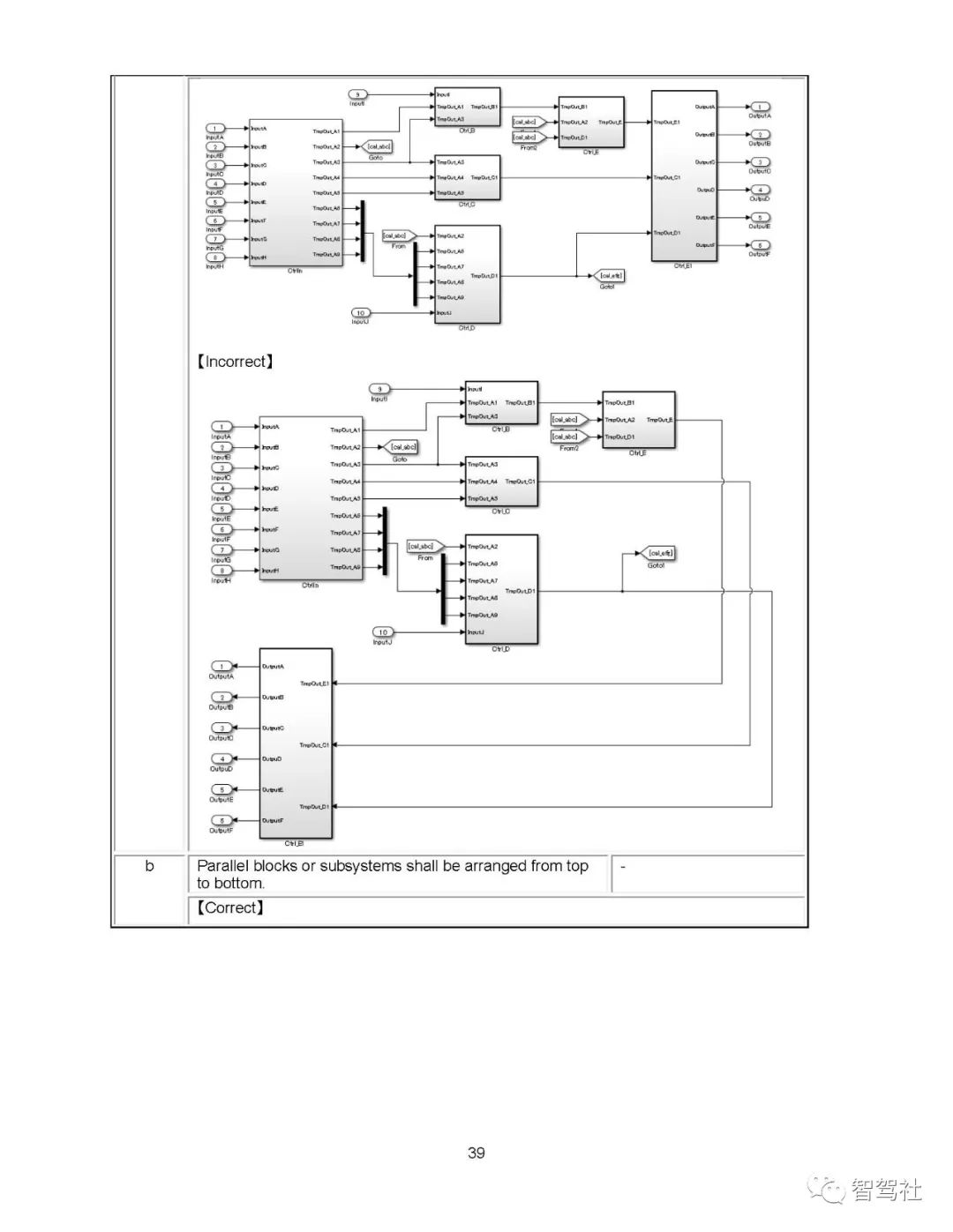
模型、代码和文件的统一外观
可重复使用的模型
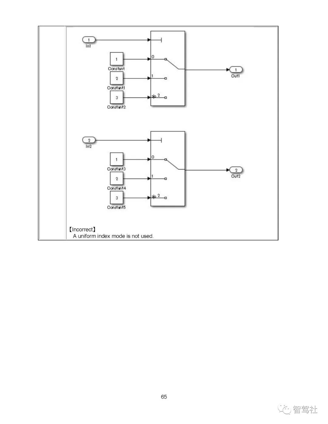
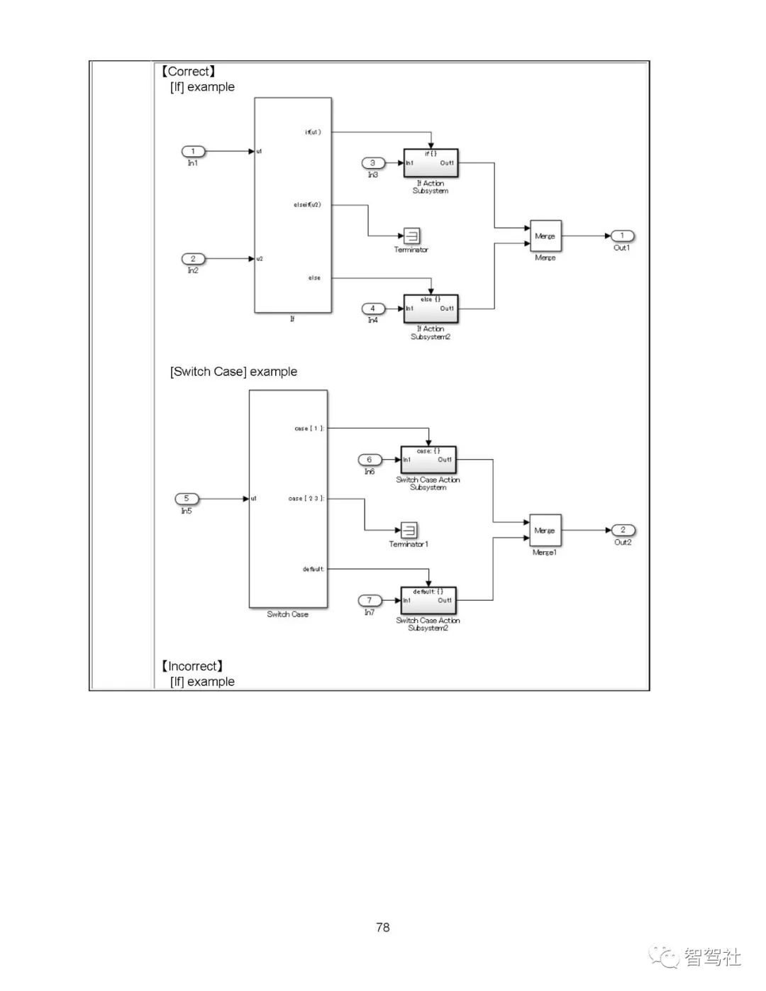
可读模型
模型变换的时候无问题
简单、高效的流程
专业的管理文档
易于理解的说明和描述
快速更换软件
与供应商更好的合作
将研究或预研项目更容易移交给产品开发部门

获得pdf全文,朋友圈集赞30个



































































































好书推荐:
1. Radar: 《雷达手册》<推荐理由:中译本在原著的基础上增加了缩略语词汇总表等5个附录,便于读者查阅。原著是集合当今世界雷达各方面造诣最深的专家、学者编撰而成的,受到全世界雷达工程师、设计师和技术人员的欢迎。中译本的审稿人员和译者亦是国内雷达界享有盛誉的院士和专家。因此本书应该成为国内雷达领域的权威参考书。>
2. Camera: 《数字图像处理》
<推荐理由: 本书是数字图像处理领域的一本新著,是1977年问世的《数字图像处理(第一版)》的重要修订与扩充。较上一版,啬了关于小波变换、图像形态学和彩色图像处理的章节,并新增了500多幅图像、200多幅图表。该书是近20年来此领域最权威的教材之一。全书共分12章,首先介绍了数字图像基础、空间域和频域的图像增强;然后讨论了图像复原、彩色图像处理、小波变换及多分辨率处理和图像压缩;最后讲述了形态学图像处理、图像分割、表示与描述和对象识别等。本书侧重于对数字图像处理基本概念和方法的介绍,并为本领域的进一步学习和研究奠定了坚实的基础。全书概念清楚、深入浅出、图文并茂,并且反映了近10年来数字图像处理领域的最新发展情况。 》3. Sensor Fusion:《多传感器数据融合手册》
<推荐理由:本书包含了来自于不同学科的很新数据融合概念和技术。由世界靠前的融合领域研究者和学者贡献,全书共34章,大致分为两部分,涵盖了基础理论和很近的理论进展,以及多传感器数据融合应用。每章自身完整,可单独或者与书中其他章节相结合阅读。在部分中,至23章致力于多传感器数据融合算法设计方面优选水准和新的进展,提供了很优融合和多传感器滤波方面的新材料和成果。在第2部分,第24到34章主要展示多传感器数据融合在不同领域的发展,比如医疗应用、导航、交通(流量)分析等。》
驾驶辅助系统手册
<推荐理由:本书全面的讲述了驾驶员辅助系统的重要知识,并介绍了驾驶员辅助系统在主动安全性和舒适性方面的系统组成和工作原理。书中的内容由德国汽车工业和学术界的96位专家 共同编写。本书的内容也正是很多读者所关心的新课题,而紧凑的章节内容,即使对于一名非常忙碌的从业人员来说也能够有时间进行阅读。相信本书必然会成为国内汽车智能驾驶和智能辅助驾驶行业技术人员以及高校汽车相关专业学者了解和掌握驾驶员辅助系统技术以及审视未来相关技术发展所不可或缺的工具书。>
车辆动力学< 推荐理由: 本书讲述了车辆驾驶安全、ABS防抱死制动系统、ASR牵引力控制系统、ESP电子稳定程序、自动刹车功能、传感器、液压装置、驾驶辅助系统、驾驶辅助系统的人机交互、车辆传感器传感器、泊车系统、自适应巡航控制、车载导航、摄像头感知系统的基本原理、理论基础及设计方法。本书是BOSCH公司出版的汽车工程系列中的一本,译自德文版。图书内容广博而又简明扼要、切合实际,反映国外汽车工程的先进技术,有极高的阅读和使用价值。本书对我国汽车工程技术现代化的发展将起到一定的指导作用,对于在从事或者想从事智能驾驶和智能辅助驾驶相关方向的人员提供指导和参考。>大家有不错的好书,可以私密小编,一经采纳,送10元红包哦
最后
以上就是开放冬日最近收集整理的关于netty权威指南 第一版_MATLAB Simulink和Stateflow的控制算法建模指南MAB 5.0 1100页(MAAB)...的全部内容,更多相关netty权威指南内容请搜索靠谱客的其他文章。
发表评论 取消回复