10天智能锁项目实战第1天(了解单片机STM32F401RET6和C语言基础)
- 一、学习目标
- 二、了解单片机STM32F401RET6
- 三、C语言基础
一、学习目标
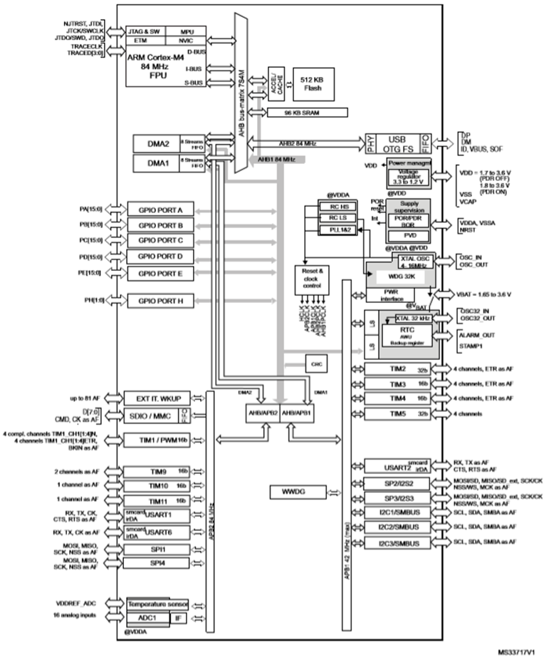
二、了解单片机STM32F401RET6






4、STM32F401RE特征



三、C语言基础
1.数据类型
常用2的次方:
2^7 = 128
2^8 = 256
2^15 = 32768
2^16= 65536
51单片机常见的数据类型:
char: 占内存1字节 取值范围:-128~127 -2^7 ~ 2^7-1
unsigned char: 0~255
int: 占内存4字节 取值范围:-32768~32767
unsigned int: 0~65535
long int : 占内存4字节 取值范围:-2147483648~2147483647
unsigned long int:0~4294967295
补充:1字节(byte) = 8位(bit) 每一位代表 0/1
2.进制转换
① 十进制转换为二进制
Eg:83

② 16进制转换为二进制
Eg:0XFF
16进制: 0 1 2 3 4 5 6 7 8 9 A B C D E Ff:1 2 4 8

3.变量
变量使用之前用户需要去定义变量
定义变量:
Int a; //a是int类型的变量
char b;//b是char型的变量
float c;//c是float型的变量
特殊前缀:
extern int a;//声明int类型的变量a,能跨文件使用,一般.h里面定义
const int b=1;//定义一个不可变的变量,使用const关键字要赋予一个初始值
static int c=1;//静态变量,只在第一次使用时候初始化,相当于全局变量
4.基本语句
条件语句:
If(a>0)
{
执行 ;
}
Else、else if
提醒:
If后面的条件语句的结果进行判断时候,非零为真,零为假
Else后面不需要加条件
switch(ch)
{
case ‘a’: 执行 ; break;
case ‘b’: 执行 ; break;
}
循环语句:
for
格式:
for(i=0;i<n;i++)
{
}
While
格式:
while(1)
{
;
}
do while;//适用于不知道循环次数的循环
控制语句:
break;//直接跳出条件语句和循环语句
coutinue;
goto
最后
以上就是标致毛衣最近收集整理的关于10天智能锁项目实战第1天(了解单片机STM32F401RET6和C语言基础)一、学习目标二、了解单片机STM32F401RET6三、C语言基础的全部内容,更多相关10天智能锁项目实战第1天(了解单片机STM32F401RET6和C语言基础)一、学习目标二、了解单片机STM32F401RET6三、C语言基础内容请搜索靠谱客的其他文章。


发表评论 取消回复