IT项目管理作业六
一、教材练习题6

-
画出该项目的双代号网络图。把节点的号码标在一个圆圈内,画出节点之间的箭线,在每一条箭线上标注代表活动的字母和活动工期

-
按照图6-8表示每条路径的方法,找出网络图中的所有路径并标出它们的长度。
路径1:A-B-E-H-K 长度=2+2+2+2+2=10天
路径2:A-B-E-I-J-K 长度=2+2+2+5+1+2=14天
路径3:A-C-F-H-K 长度=2+3+3+2+2=12天
路径4:A-C-F-I-J-K 长度=2+3+3+5+1+2=16天
路径5:A-D-G-J-K 长度=2+4+6+1+2=15天 -
哪条是该项目的关键路路径?它的长度是多少?
路径4:A-C-F-I-J-K,长度为16 -
完成该项目所需的最短时间可能是多少?
16天
二、教材练习题7
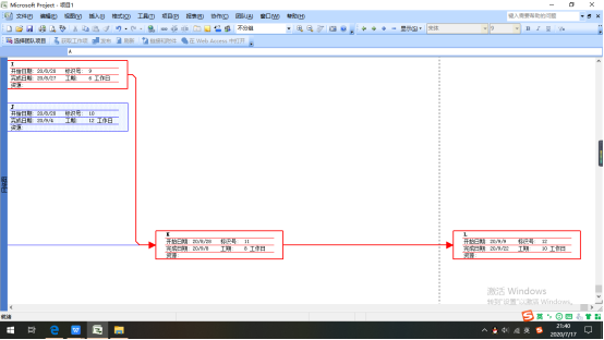
网络图:

放大之后的细节:


任务进度表:

甘特图:

关键路径:A+D+F+G+I+K+L=48天
图表介绍
网络图:由任务方块和箭头组成。任务方块包含任务名称、开始日期、完成日期、标识号、工期和所需资源。箭头表示任务间的依赖关系,被指向的任务方块依赖于指向它的任务方块。
任务进度表:一个二维表格,存储任务属性,包含任务名称、开始日期、完成日期、标识号、工期、前置任务和资源名称
甘特图:横轴表示时间,每个实心线段表示任务,线段的起止表示日期起止,长度为日期长度。箭头表示任务间的依赖。
三、收集网上资料,总结看板在软件项目中的使用
看板管理是协调管理全公司的一个生产信息系统,具有指示生产与搬运的功能、目视管理的功能和现场改善的功能.
1、指示的功能只按照看板指示的数量进行生产与搬运,这是看板的最基本功能。
看板具有作业指导的功能。项目管理人员对项目各个部分的优先顺序能够一目了然。能够直观反映不同模块的依赖性。
2、目视管理的功能
①起到物料标识的作用零件或产品的货架上若附有看板,则可以明确地判断库存号、产品编号、产品名称,也易于搬运
②自动控制生产过量、搬运过量的作用通过看板管理者容易发现生产与搬运是否过量。。
③反映生产线进度的作用操作者在看板发放时按看板所示的数量进行生产,即按必要的物品、必要的时间、必要的量进行生产。
3、现场改善的功能看板作为目视化管理的工具
如果能正确理解、正确应用看板,就会发现它还可作为改善的工具而发挥看重要作用。通过看板管理者容易发现异常,并及时采取措施来减少事故发生及对异常问题的改善。
最后
以上就是虚拟盼望最近收集整理的关于IT项目管理作业六的全部内容,更多相关IT项目管理作业六内容请搜索靠谱客的其他文章。
发表评论 取消回复