

触发器第二弹

触
发
器

04.08


果不其然我又来喽!嘿嘿嘿(这次还带着丑陋的排版和背景emmmmm....这不是重点)上次以实验作业为例简单分享了D触发器的两个应用,这次主要分享一下各类触发器的特点以及分析问题。害,说起这就又双叒叕想起了被波形图支配的恐惧。数电课程主要涉及了基本RS触发器、同步触发器、主从型触发器以及边沿触发器四种类型,每种类型有分不同地小类型,比较难分析的是主从型的触发器,其余较为简单易懂。(由于工作量较大这次先写前两个,后两个下次搞)
壹
基本RS触发器


基本RS触发器是最简单也是最基本的一类触发器,所有的触发器的分析归根到底都是基本RS触发器的分析方法与衍生。


如上图,S是置一信号,R是置零信号,注意的是这里的输入都是反变量,也就是我们常说的低电平有效,但是不允许同时有效,因为会导致逻辑混乱,即既置零,又置一(触发器:臣妾做不到呀QAQ)。但是一旦发生这样的状况输出是什么呢?答案是1,高电平,但是如果你接下来的信号是保持信号,也就是RS=00,逻辑就混乱了,次态无法正常输出,在multisim里会出现爆闪或者各种乱七八糟的样子。波形图的话就看信号就好,这里不再赘述。
贰

同步触发器


相信伙汁们都晓得一个很实际的问题——竞争冒险(不晓得的童鞋可以回头瞅瞅PPT)。这东西在我们数字电路里边哪里都会蹦跶蹦跶,所以消除这玩应儿就成了必不可少的操作。我们在触发器里回很明显的可以看到又俩输入,为此我们消除这俩输入的竞争冒险的做法就是接时钟信号CP——同步触发器。
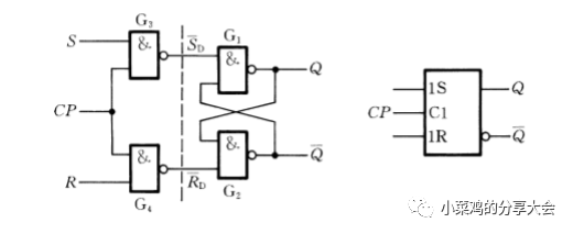
(1) 同步RS触发器
所谓的同步RS触发器,就是用CP把R和S两个输入起作用的时间同步了,从而消除竞争冒险而已,在CP=1的阶段和基本RS没区别。如图
当然唯一要注意的就是这里他输入的直接是原变量,也就是高电平有效,这点区别是要和基本RS触发器区分开的。
(2)同步JK触发器
有同学要问了,RS触发器这不挺好了吗,连竞争冒险也莫得了,又搞个JK来干嘛,故意恶心我嘛?请仔细想想作者死前三天说过的话....(咳咳,走错片场了)想想基本RS触发器那里边的一个缺点——有约束项,就是说RS不能同时有效,这要在使用过程中出现点问题就搞出来这种东西那不完犊子了嘛。所以智慧超群的前辈们把RS=11这种情况用JK触发器搞成了翻转这种高端操作(这是真的强,最开始作为菜鸡的我根本不晓得那个RS触发器里的11怎么搞),既然牛X了这么多,那就改个名字吧,于是出现了JK触发器(当然不只是改名字这么简单了)。电路如下图
这里又敲黑板了(咚咚咚),我们学电路,这个芯片里边是啥我们根本不用管他,知道他是谁,干啥用的,怎么用就好。所以如果你问我上边的图记哪个,肯定是第二个啊,第一个你记它作甚。J就是S,K就是R,和同步RS触发器的唯一区别就是JK=11的时候是反转而不是约束项了。这个东西最厉害的点就在于功能最全面,特征方程Qn+1=J·Qn(非)+K(非)·Qn。这个方程在目前没啥用,因为你直接看信号比用这个好用的多。之后主从型蛮有用处的的这个倒是。
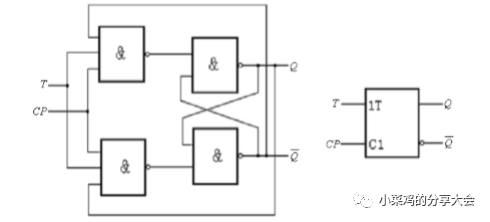
除了这两种还有就是同步T触发器和同步D触发器,这俩就是把上边的俩同步改了改。T就是把同步JK的JK两端接在一起改了个名叫T,如下图

特征方程如下(这个记方程比较好)

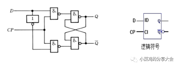
同步D触发器就是把R接个非再和S接到一起,注意这个非门的连接方向(如图),自己搭建的时候如果反了输出就错了。

特征方程也是记住好用
综上述,画波形图的时候除了T和D触发器,别的直接看信号,T和D用方程代是比较合适的方法。

客官不点个关注和转发么?嘿嘿



最后
以上就是开心自行车最近收集整理的关于multisim d触发器_触发器第二弹的全部内容,更多相关multisim内容请搜索靠谱客的其他文章。
发表评论 取消回复