6.实验内容及步骤
(1)D触发器逻辑功能测试。

(2)JK触发器逻辑功能测试。

(3)时序逻辑电路搭设及测试。

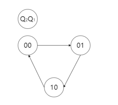
状态方程组:

状态转换图:

| CP | Q2 | Q1 |
| 0 | 0 | 0 |
| 1 | 0 | 1 |
| 2 | 1 | 0 |
| 3 | 0 | 0 |
表2.4.3 时序逻辑电路状态
(4)D触发器的应用 (74LS74-2D触发器、74LS174-6D触发器)。
①图2.4.4是用D触发器组成的二分频电路,在CP端加入1kHz连续脉冲信号,用双踪示波器同时观察输入脉冲和输出端Q端的波形。记录两个波形图。


答:绿色为输入的1KHz连续脉冲信号的波形,红色的为D触发器的Q输出端的输出信号波形。
②用4个D触发器组成4位并行寄存器如图2.4.6所示(使用74LS174-6D触发器构成电路)。清零后给数据输入端输入D1D2D3D4数据,在CP端加单脉冲,观察输出端Q1Q2Q3Q4的变化。制表记录几组数据。

答:根据电路图和真值表可以看出,这个逻辑电路是可以实现并行输入的功能。
(5)触发器逻辑功能的转换。




-
-
- 思考题
-
(1)用与非门构成的基本RS触发器的约束条件是什么?如果改用或非门构成的基本RS触发器,约束条件又是什么?

(2)总结各类触发器的特点。
答:D触发器和JK触发器具有较完善的功能,有很多独立的中、小规模集成电路产品。T触发器和SR触发器主要出现于集成电路的内部结构。主从结构的D触发器所需门电路和连线最少,占用面积最小,适用于大规模CMOS集成电路。可将D触发器转换成其它功能触发器。

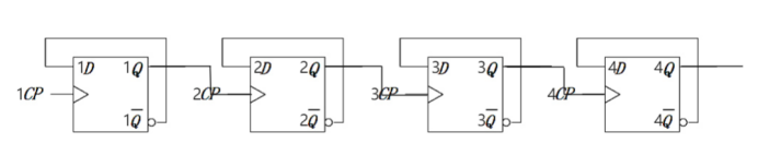
(3)根据本次实验的经验设计一个16分频电路。
答:初始信号加在1CP端,输出端为4Q端。
电路图:

仿真波形:

绿色为输入的1KHz连续脉冲信号的波形,红色的为D触发器的Q输出端的输出信号波形。
(4)总结本次实验的心得。
配套仿真文件:
https://download.csdn.net/download/weixin_48592055/85065786
最后
以上就是活泼帅哥最近收集整理的关于实验四、 触发器的逻辑功能和应用的全部内容,更多相关实验四、内容请搜索靠谱客的其他文章。
发表评论 取消回复