STM32配置读取双路24位模数转换(24bit ADC)芯片CS1238数据
CS1238是一款国产双路24位ADC芯片,与CS1238对应的单路24位ADC芯片是CS1237,功能上相当于HX711和TM7711的组合。其功能如下所示:

市面上的模块:

STM32电路连接
CS1238内部原理如下所示, VDD是DVDD和AVDD的合并:

有单独的参考电压输入设置管脚,以及内部输出与VDD同电压的参考输出电压,可选连接到参考输入电压管脚:

所以如果REFIN要设置为5V, 则VDD也要设置为5V,因为CS1238的DOUT管脚是输入输出双向管脚,所以要增加电路才能实现和3.3V STM32芯片的连接访问。这里先介绍VDD和REFIN都是3.3V的场景,所以可以和STM32芯片直接连接。
CS1238测试电路
CS1238典型的应用连接到惠斯通电桥,接收差分电压。简单测试可以采用如下方式:

当可调电阻器为10欧姆时,IN+和IN-差分电压为(3.3/(4700+4700+10))*10 = 3.507mV。可以微调可调电位器的阻值,调整输出差模电压。
如果CS1238差分输入是单端信号,在差分输入两端连接一个大电阻如1M欧姆。如果CS1238差分输入是差分信号,则根据阻抗要求跨接一个匹配电阻如100欧姆。
CS1238访问协议
CS1238通过控制时钟管脚输出低电平指示正常工作状态,然后识别数据输入管脚DOUT/nRDY的低电平状态判断当前已完成转换并可读取数据,然后发送出24个时钟波形,并在每个时钟波形的下降沿读取数据位,先读到的是24位采样数据的高位。在24个时钟后,还可以发送3个时钟波形,即第25~27的时钟,在第25个时钟读到的电平反应配置寄存器更新状态。第26个时钟读到的电平始终为0无意义表达。
DOUT/nRDY是三目的管脚,除了作为转换完成的状态指示,作为输出,也作为输入。而且MCU对CS1238输出时,因为CS1238输入内阻比较小,不能通过外部上拉提供电压输入,所以MCU要采用推挽方式(Push-pull)输出高电平给CS1238。而MCU接收数据时,要配置在输入模式或者输出开漏(Open-drain)逻辑高输出模式,都可以读取到管脚状态,因为从输出OD到输出PP内部电路切换更平滑,所以这里STM32采用输出OD作为读模式,输出PP作为写模式的配置。
CS1238在控制寄存器的写入和读取方面的时序描述如下:




STM32工程配置
这里采用STM32F103C6T6和STM32CUBEIDE开发环境,实现CS1238的ADC数据读取代码。
首先配置基本工程和时钟系统:



STM32F103支持USB,可以实现虚拟串口,所以进行USB的配置,采用默认设置接口,另外配置UART2作为可选通讯口。



然后配置UART2:


选择具有FT特征的PB0和PB1作为与CS1238通讯的管脚,PB0作为时钟管脚配置为Push-pull,PB1作先配置为Open-drain,然后再程序代码里进行切换Push-pull。

保存并生成初始代码:

STM32工程代码
代码主要实现微秒级的时序控制,采用的微秒延时函数参考: STM32 HAL us delay(微秒延时)的指令延时实现方式及优化
STM32虚拟串口的设置可以参考: STM32 USB VCOM和HID的区别,配置及Echo功能实现(HAL)
编译时需要采用节省存储的编译方式,参考: STM32 region `FLASH‘ overflowed by xxx bytes 问题解决
代码在USB的控制文件里,将USB接收到的字节赋值给全局变量cmd,用来控制逻辑执行:
- 在收到0x01时,按照发送24个时钟的模式读取CS1238 24bit数据
- 在收到0x02时,按照发送27个时钟的模式读取CS1238 24bit数据和配置寄存器更新状态信息
- 在收到0x03时,读取CS1238配置寄存器字节数据
- 在收到字节最高位为1的cmd时,识别为要写入CS1238配置寄存器操作,将cmd的最高位1改为0,然后发送到CS1238配置寄存器

main.c文件完整代码如下:
/* USER CODE BEGIN Header */
/**
******************************************************************************
* @file : main.c
* @brief : Main program body
******************************************************************************
* @attention
*
* Copyright (c) 2022 STMicroelectronics.
* All rights reserved.
*
* This software is licensed under terms that can be found in the LICENSE file
* in the root directory of this software component.
* If no LICENSE file comes with this software, it is provided AS-IS.
*
******************************************************************************
*/
//Written by Pegasus Yu in 2022
/* USER CODE END Header */
/* Includes ------------------------------------------------------------------*/
#include "main.h"
#include "usb_device.h"
/* Private includes ----------------------------------------------------------*/
/* USER CODE BEGIN Includes */
#include "string.h"
/* USER CODE END Includes */
/* Private typedef -----------------------------------------------------------*/
/* USER CODE BEGIN PTD */
__IO float usDelayBase;
void PY_usDelayTest(void)
{
__IO uint32_t firstms, secondms;
__IO uint32_t counter = 0;
firstms = HAL_GetTick()+1;
secondms = firstms+1;
while(uwTick!=firstms) ;
while(uwTick!=secondms) counter++;
usDelayBase = ((float)counter)/1000;
}
void PY_Delay_us_t(uint32_t Delay)
{
__IO uint32_t delayReg;
__IO uint32_t usNum = (uint32_t)(Delay*usDelayBase);
delayReg = 0;
while(delayReg!=usNum) delayReg++;
}
void PY_usDelayOptimize(void)
{
__IO uint32_t firstms, secondms;
__IO float coe = 1.0;
firstms = HAL_GetTick();
PY_Delay_us_t(1000000) ;
secondms = HAL_GetTick();
coe = ((float)1000)/(secondms-firstms);
usDelayBase = coe*usDelayBase;
}
void PY_Delay_us(uint32_t Delay)
{
__IO uint32_t delayReg;
__IO uint32_t msNum = Delay/1000;
__IO uint32_t usNum = (uint32_t)((Delay%1000)*usDelayBase);
if(msNum>0) HAL_Delay(msNum);
delayReg = 0;
while(delayReg!=usNum) delayReg++;
}
/* USER CODE END PTD */
/* Private define ------------------------------------------------------------*/
/* USER CODE BEGIN PD */
void Dout_OD_Mode(void);
void Dout_PP_Mode(void);
/* USER CODE END PD */
/* Private macro -------------------------------------------------------------*/
/* USER CODE BEGIN PM */
#define cs1238_rdy (HAL_GPIO_ReadPin(GPIOB, GPIO_PIN_1)==0)?1:0
#define cs1238_clk_h HAL_GPIO_WritePin(GPIOB, GPIO_PIN_0, GPIO_PIN_SET)
#define cs1238_clk_l HAL_GPIO_WritePin(GPIOB, GPIO_PIN_0, GPIO_PIN_RESET)
#define cs1238_dout HAL_GPIO_ReadPin(GPIOB, GPIO_PIN_1)
#define write_to_cs1238_dout_h HAL_GPIO_WritePin(GPIOB, GPIO_PIN_1, GPIO_PIN_SET)
#define write_to_cs1238_dout_l HAL_GPIO_WritePin(GPIOB, GPIO_PIN_1, GPIO_PIN_RESET)
#define WReg_CMD 0x65
#define RReg_CMD 0x56
/* USER CODE END PM */
/* Private variables ---------------------------------------------------------*/
UART_HandleTypeDef huart2;
/* USER CODE BEGIN PV */
/* USER CODE END PV */
/* Private function prototypes -----------------------------------------------*/
void SystemClock_Config(void);
static void MX_GPIO_Init(void);
static void MX_USART2_UART_Init(void);
/* USER CODE BEGIN PFP */
/* USER CODE END PFP */
/* Private user code ---------------------------------------------------------*/
/* USER CODE BEGIN 0 */
uint8_t cmd=0;
uint32_t cs1238_data;
uint32_t cs1238_data_max = 0;
/* USER CODE END 0 */
/**
* @brief The application entry point.
* @retval int
*/
int main(void)
{
/* USER CODE BEGIN 1 */
uint8_t config_reg_update_status = 0;
uint8_t config_reg = 0x0c; //config reg default value after power-up is 0x0c for CS1238
/* USER CODE END 1 */
/* MCU Configuration--------------------------------------------------------*/
/* Reset of all peripherals, Initializes the Flash interface and the Systick. */
HAL_Init();
/* USER CODE BEGIN Init */
/* USER CODE END Init */
/* Configure the system clock */
SystemClock_Config();
/* USER CODE BEGIN SysInit */
/* USER CODE END SysInit */
/* Initialize all configured peripherals */
MX_GPIO_Init();
MX_USART2_UART_Init();
MX_USB_DEVICE_Init();
/* USER CODE BEGIN 2 */
PY_usDelayTest();
PY_usDelayOptimize();
cs1238_clk_h;
PY_Delay_us_t(120); //soft reset cs1238
cs1238_clk_l;
PY_Delay_us_t(10);
__HAL_UART_CLEAR_FLAG(&huart2, UART_FLAG_RXNE);
HAL_UART_Receive_IT(&huart2, (uint8_t *)&cmd, 1);
/* USER CODE END 2 */
/* Infinite loop */
/* USER CODE BEGIN WHILE */
while (1)
{
if(cmd==0x01) //read value w/o update info
{
while(cs1238_rdy) ;
while(!cs1238_rdy) ;
cs1238_data = 0;
PY_Delay_us_t(1);
for(uint8_t i=1;i<=24;i++)
{
cs1238_clk_h;
PY_Delay_us_t(1);
cs1238_clk_l;
cs1238_data |= (((uint32_t)cs1238_dout)<<(24-i));
PY_Delay_us_t(1);
}
while( CDC_Transmit_FS(&cs1238_data, 3) != USBD_OK ) PY_Delay_us_t(1);
}
else if(cmd==0x02) //read value w/ update info
{
/*
* Dout value from CLK 25 indicates Config register was written new value already
* Dout value from CLK 26 gets 0 always without meaning
*/
while(cs1238_rdy) ;
while(!cs1238_rdy);
cs1238_data = 0;
PY_Delay_us_t(1);
/*clk 1~24*/
for(uint8_t i=1;i<=24;i++)
{
cs1238_clk_h;
PY_Delay_us_t(1);
cs1238_clk_l;
cs1238_data |= (((uint32_t)cs1238_dout)<<(24-i));
PY_Delay_us_t(1);
}
/*clk 25*/
cs1238_clk_h;
PY_Delay_us_t(1);
cs1238_clk_l;
config_reg_update_status = cs1238_dout;
PY_Delay_us_t(1);
/*clk 26*/
cs1238_clk_h;
PY_Delay_us_t(1);
cs1238_clk_l;
PY_Delay_us_t(1);
/*clk 27*/
cs1238_clk_h;
Dout_PP_Mode();
PY_Delay_us_t(1);
cs1238_clk_l;
PY_Delay_us_t(1);
Dout_OD_Mode();
while( CDC_Transmit_FS(&cs1238_data, 3) != USBD_OK ) PY_Delay_us_t(1);
while( CDC_Transmit_FS(&config_reg_update_status, 1) != USBD_OK ) PY_Delay_us_t(1);
}
else if(cmd==0x03) //Read config register
{
cmd = 0x00;
while(cs1238_rdy) ;
while(!cs1238_rdy);
cs1238_data = 0;
PY_Delay_us_t(1);
/*clk 1~24*/
for(uint8_t i=1;i<=24;i++)
{
cs1238_clk_h;
PY_Delay_us_t(1);
cs1238_clk_l;
PY_Delay_us_t(1);
}
/*clk 25*/
cs1238_clk_h;
PY_Delay_us_t(1);
cs1238_clk_l;
PY_Delay_us_t(1);
/*clk 26*/
cs1238_clk_h;
PY_Delay_us_t(1);
cs1238_clk_l;
PY_Delay_us_t(1);
/*clk 27*/
cs1238_clk_h;
Dout_PP_Mode();
PY_Delay_us_t(1);
cs1238_clk_l;
PY_Delay_us_t(1);
/*clk 28*/
cs1238_clk_h;
PY_Delay_us_t(1);
cs1238_clk_l;
PY_Delay_us_t(1);
/*clk 29*/
cs1238_clk_h;
PY_Delay_us_t(1);
cs1238_clk_l;
PY_Delay_us_t(1);
/*clk 30~36*/
for(uint8_t i=1;i<8;i++)
{
cs1238_clk_h;
if(((RReg_CMD<<i)&0x80)) write_to_cs1238_dout_h;
else write_to_cs1238_dout_l;
PY_Delay_us_t(1);
cs1238_clk_l;
PY_Delay_us_t(1);
}
/*clk 37*/
Dout_OD_Mode();
cs1238_clk_h;
PY_Delay_us_t(1);
cs1238_clk_l;
PY_Delay_us_t(1);
/*clk 38~45*/
config_reg = 0;
for(uint8_t i=0;i<8;i++)
{
cs1238_clk_h;
PY_Delay_us_t(1);
cs1238_clk_l;
config_reg |= (cs1238_dout<<(7-i));
PY_Delay_us_t(1);
}
/*clk 46*/
Dout_PP_Mode();
cs1238_clk_h;
PY_Delay_us_t(1);
cs1238_clk_l;
PY_Delay_us_t(1);
Dout_OD_Mode();
while( CDC_Transmit_FS(&config_reg, 1) != USBD_OK ) PY_Delay_us_t(1);
}
else if(cmd&0x80) //Set config register
{
config_reg = cmd&0x7F; //Config register value to be sent
while(cs1238_rdy) ;
while(!cs1238_rdy);
cs1238_data = 0;
PY_Delay_us_t(1);
/*clk 1~24*/
for(uint8_t i=1;i<=24;i++)
{
cs1238_clk_h;
PY_Delay_us_t(1);
cs1238_clk_l;
PY_Delay_us_t(1);
}
/*clk 25*/
cs1238_clk_h;
PY_Delay_us_t(1);
cs1238_clk_l;
PY_Delay_us_t(1);
/*clk 26*/
cs1238_clk_h;
PY_Delay_us_t(1);
cs1238_clk_l;
PY_Delay_us_t(1);
/*clk 27*/
cs1238_clk_h;
Dout_PP_Mode();
PY_Delay_us_t(1);
cs1238_clk_l;
PY_Delay_us_t(1);
/*clk 28*/
cs1238_clk_h;
PY_Delay_us_t(1);
cs1238_clk_l;
PY_Delay_us_t(1);
/*clk 29*/
cs1238_clk_h;
PY_Delay_us_t(1);
cs1238_clk_l;
PY_Delay_us_t(1);
/*clk 30~36*/
for(uint8_t i=1;i<8;i++)
{
cs1238_clk_h;
if(((WReg_CMD<<i)&0x80)) write_to_cs1238_dout_h;
else write_to_cs1238_dout_l;
PY_Delay_us_t(1);
cs1238_clk_l;
PY_Delay_us_t(1);
}
/*clk 37*/
Dout_PP_Mode();
cs1238_clk_h;
PY_Delay_us_t(1);
cs1238_clk_l;
PY_Delay_us_t(1);
/*clk 38~45*/
for(uint8_t i=0;i<8;i++)
{
cs1238_clk_h;
if(((config_reg<<i)&0x80)) write_to_cs1238_dout_h;
else write_to_cs1238_dout_l;
PY_Delay_us_t(1);
cs1238_clk_l;
PY_Delay_us_t(1);
}
/*clk 46*/
Dout_PP_Mode();
cs1238_clk_h;
PY_Delay_us_t(1);
cs1238_clk_l;
PY_Delay_us_t(1);
Dout_OD_Mode();
while( CDC_Transmit_FS(&config_reg, 1) != USBD_OK ) PY_Delay_us_t(1);
cmd = 0;
}
else;
PY_Delay_us_t(500000);
/* USER CODE END WHILE */
/* USER CODE BEGIN 3 */
}
/* USER CODE END 3 */
}
/**
* @brief System Clock Configuration
* @retval None
*/
void SystemClock_Config(void)
{
RCC_OscInitTypeDef RCC_OscInitStruct = {0};
RCC_ClkInitTypeDef RCC_ClkInitStruct = {0};
RCC_PeriphCLKInitTypeDef PeriphClkInit = {0};
/** Initializes the RCC Oscillators according to the specified parameters
* in the RCC_OscInitTypeDef structure.
*/
RCC_OscInitStruct.OscillatorType = RCC_OSCILLATORTYPE_HSE;
RCC_OscInitStruct.HSEState = RCC_HSE_ON;
RCC_OscInitStruct.HSEPredivValue = RCC_HSE_PREDIV_DIV1;
RCC_OscInitStruct.HSIState = RCC_HSI_ON;
RCC_OscInitStruct.PLL.PLLState = RCC_PLL_ON;
RCC_OscInitStruct.PLL.PLLSource = RCC_PLLSOURCE_HSE;
RCC_OscInitStruct.PLL.PLLMUL = RCC_PLL_MUL9;
if (HAL_RCC_OscConfig(&RCC_OscInitStruct) != HAL_OK)
{
Error_Handler();
}
/** Initializes the CPU, AHB and APB buses clocks
*/
RCC_ClkInitStruct.ClockType = RCC_CLOCKTYPE_HCLK|RCC_CLOCKTYPE_SYSCLK
|RCC_CLOCKTYPE_PCLK1|RCC_CLOCKTYPE_PCLK2;
RCC_ClkInitStruct.SYSCLKSource = RCC_SYSCLKSOURCE_PLLCLK;
RCC_ClkInitStruct.AHBCLKDivider = RCC_SYSCLK_DIV1;
RCC_ClkInitStruct.APB1CLKDivider = RCC_HCLK_DIV2;
RCC_ClkInitStruct.APB2CLKDivider = RCC_HCLK_DIV1;
if (HAL_RCC_ClockConfig(&RCC_ClkInitStruct, FLASH_LATENCY_2) != HAL_OK)
{
Error_Handler();
}
PeriphClkInit.PeriphClockSelection = RCC_PERIPHCLK_USB;
PeriphClkInit.UsbClockSelection = RCC_USBCLKSOURCE_PLL_DIV1_5;
if (HAL_RCCEx_PeriphCLKConfig(&PeriphClkInit) != HAL_OK)
{
Error_Handler();
}
}
/**
* @brief USART2 Initialization Function
* @param None
* @retval None
*/
static void MX_USART2_UART_Init(void)
{
/* USER CODE BEGIN USART2_Init 0 */
/* USER CODE END USART2_Init 0 */
/* USER CODE BEGIN USART2_Init 1 */
/* USER CODE END USART2_Init 1 */
huart2.Instance = USART2;
huart2.Init.BaudRate = 115200;
huart2.Init.WordLength = UART_WORDLENGTH_8B;
huart2.Init.StopBits = UART_STOPBITS_1;
huart2.Init.Parity = UART_PARITY_NONE;
huart2.Init.Mode = UART_MODE_TX_RX;
huart2.Init.HwFlowCtl = UART_HWCONTROL_NONE;
huart2.Init.OverSampling = UART_OVERSAMPLING_16;
if (HAL_UART_Init(&huart2) != HAL_OK)
{
Error_Handler();
}
/* USER CODE BEGIN USART2_Init 2 */
/* USER CODE END USART2_Init 2 */
}
/**
* @brief GPIO Initialization Function
* @param None
* @retval None
*/
static void MX_GPIO_Init(void)
{
GPIO_InitTypeDef GPIO_InitStruct = {0};
/* GPIO Ports Clock Enable */
__HAL_RCC_GPIOD_CLK_ENABLE();
__HAL_RCC_GPIOA_CLK_ENABLE();
__HAL_RCC_GPIOB_CLK_ENABLE();
/*Configure GPIO pin Output Level */
HAL_GPIO_WritePin(GPIOB, GPIO_PIN_0, GPIO_PIN_RESET);
/*Configure GPIO pin Output Level */
HAL_GPIO_WritePin(GPIOB, GPIO_PIN_1, GPIO_PIN_SET);
/*Configure GPIO pin : PB0 */
GPIO_InitStruct.Pin = GPIO_PIN_0;
GPIO_InitStruct.Mode = GPIO_MODE_OUTPUT_PP;
GPIO_InitStruct.Pull = GPIO_NOPULL;
GPIO_InitStruct.Speed = GPIO_SPEED_FREQ_HIGH;
HAL_GPIO_Init(GPIOB, &GPIO_InitStruct);
/*Configure GPIO pin : PB1 */
GPIO_InitStruct.Pin = GPIO_PIN_1;
GPIO_InitStruct.Mode = GPIO_MODE_OUTPUT_OD;
GPIO_InitStruct.Pull = GPIO_PULLUP;
GPIO_InitStruct.Speed = GPIO_SPEED_FREQ_HIGH;
HAL_GPIO_Init(GPIOB, &GPIO_InitStruct);
}
/* USER CODE BEGIN 4 */
void Dout_OD_Mode(void)
{
GPIO_InitTypeDef GPIO_InitStruct = {0};
/* GPIO Ports Clock Enable */
__HAL_RCC_GPIOB_CLK_ENABLE();
/*Configure GPIO pin Output Level */
HAL_GPIO_WritePin(GPIOB, GPIO_PIN_1, GPIO_PIN_SET);
/*Configure GPIO pin : PB1 */
GPIO_InitStruct.Pin = GPIO_PIN_1;
GPIO_InitStruct.Mode = GPIO_MODE_OUTPUT_OD;
GPIO_InitStruct.Pull = GPIO_PULLUP;
GPIO_InitStruct.Speed = GPIO_SPEED_FREQ_HIGH;
HAL_GPIO_Init(GPIOB, &GPIO_InitStruct);
}
void Dout_PP_Mode(void)
{
GPIO_InitTypeDef GPIO_InitStruct = {0};
/* GPIO Ports Clock Enable */
__HAL_RCC_GPIOB_CLK_ENABLE();
/*Configure GPIO pin Output Level */
HAL_GPIO_WritePin(GPIOB, GPIO_PIN_1, GPIO_PIN_SET);
/*Configure GPIO pin : PB1 */
GPIO_InitStruct.Pin = GPIO_PIN_1;
GPIO_InitStruct.Mode = GPIO_MODE_OUTPUT_PP;
GPIO_InitStruct.Pull = GPIO_NOPULL;
GPIO_InitStruct.Speed = GPIO_SPEED_FREQ_HIGH;
HAL_GPIO_Init(GPIOB, &GPIO_InitStruct);
}
void HAL_UART_RxCpltCallback(UART_HandleTypeDef *UartHandle)
{
HAL_UART_Receive_IT(&huart2, (uint8_t *)&cmd, 1);
}
/* USER CODE END 4 */
/**
* @brief This function is executed in case of error occurrence.
* @retval None
*/
void Error_Handler(void)
{
/* USER CODE BEGIN Error_Handler_Debug */
/* User can add his own implementation to report the HAL error return state */
__disable_irq();
while (1)
{
}
/* USER CODE END Error_Handler_Debug */
}
#ifdef USE_FULL_ASSERT
/**
* @brief Reports the name of the source file and the source line number
* where the assert_param error has occurred.
* @param file: pointer to the source file name
* @param line: assert_param error line source number
* @retval None
*/
void assert_failed(uint8_t *file, uint32_t line)
{
/* USER CODE BEGIN 6 */
/* User can add his own implementation to report the file name and line number,
ex: printf("Wrong parameters value: file %s on line %drn", file, line) */
/* USER CODE END 6 */
}
#endif /* USE_FULL_ASSERT */
STM32代码测试
通过串口工具发送0x01指令(只读取24位ADC值, 观察工具左侧接收的24位16进制数据):

通过串口工具发送0x02指令(读取24位ADC值和寄存器更新状态信息, 观察工具左侧接收的32位16进制数据):

通过串口工具发送0x03指令(读配置寄存器数据):

通过串口工具发送0x8d指令(配置寄存器设置为0x0D, 选择采样通道B):

回读, 发送0x03指令(读配置寄存器数据):

温度数据可根据手册说明进行设置读取解析。
代码实现十进制数据输出,如果要切换为串口printf打印输出,可以参考:
STM32 UART串口printf函数应用及浮点打印代码空间节省 (HAL)
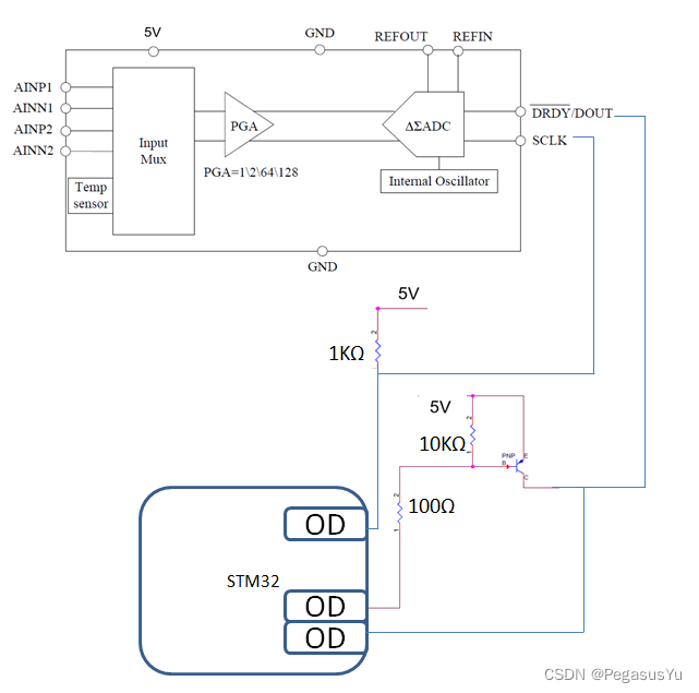
CS1238 5V供电与STM32 3.3V供电连接方式
可采用如下方案,实现CS1238 5V供电与STM32 3.3V供电连接方式。STM32选用FT(5V耐压)的GPIO,三个GPIO都设置成Open-drain无上下拉输出模式。
第一个GPIO连接外部1K上拉到5V,控制输出时钟给CS1239。
第二个GPIO通过PNP或者PMOS管电路,GPIO输出逻辑1时,5V电压不输出,GPIO输出逻辑0时,5V电压输出。从而实现控制向DOUT输出直驱高电平。
第三个GPIO始终输出逻辑1(高阻态),并用作DOUT状态值读取。

CS1237工程代码
CS1237是CS1238的单通道版本,在工程代码上完全一致,只是在对寄存器参数进行配置时没有通道B可选:

例程下载
STM32F103C6T6读取双路24位模数转换(24bit ADC)芯片CS1238数据例程
–End–
最后
以上就是单纯悟空最近收集整理的关于STM32配置读取双路24位模数转换(24bit ADC)芯片CS1238数据STM32配置读取双路24位模数转换(24bit ADC)芯片CS1238数据的全部内容,更多相关STM32配置读取双路24位模数转换(24bit内容请搜索靠谱客的其他文章。
发表评论 取消回复