文件总计
文件数量:.m文件用于生成slx模型需要的配置参数
slx文件是simulink模型,参考设计的slx文件中,备注了设计要点



文件夹slprj是与B相关的.MAT 文件等

使用工具
创建子系统
create sub选中模块,右键system
Logic Analyzer逻辑分析仪
选中数据线,选择Log Signals,就可以在run后点击无线符号在logic analyzer中查看,wave中改变数据的进制和模拟还是数字方式

生成HDLcoder【最主要的任务】
在创建的subsystem上,右键 HDL CODER Properties
先要做兼容性检查,没有warning,没有错误就可以生成文件

信号的属性要注意,sample time 对信号是否可用有关系
示波器
频谱分析仪
模块的用途
A

FIR滤波器输入三角波,输出阶梯状波形
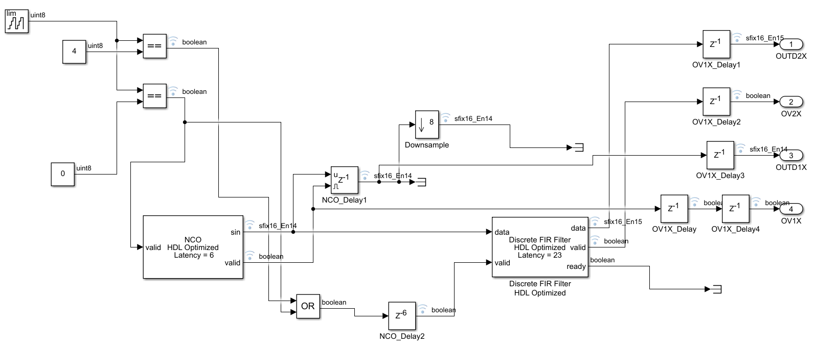
delay的第二个端口是使能端
B
定义一个FIR滤波器如图
clear;clc;close all;
fs = 1;
hb1 = firhalfband(64,0.4);
freqz(hb1,1,[],fs);

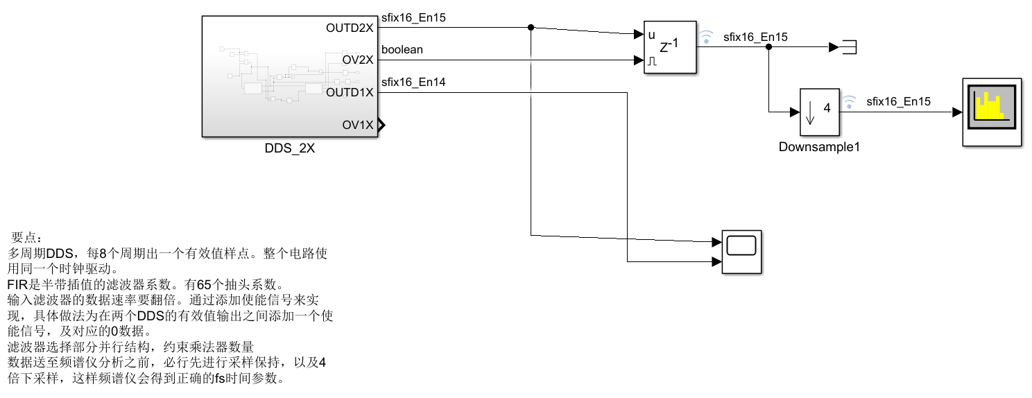
DDS2X的四个输出分别是经过一次滤波器的正弦波,经过一次滤波器的使能波形,加使能延迟后的初步波形,产生初步波形的使能。


第一个波形是产生的初步正弦波,第二个是经过有使能的延迟得到,把采样值延迟给多个点,第三个是经过FIR滤波器,采样频率变大。

这个分析也可以从示波器的波形得到印证

C
用途:FIR滤波器
.m文件
fs = 1;
N1_cycle = 256;
N2_cycle = fix(N1_cycle/2);
N3_cycle = fix(N2_cycle/2);
N1_order = 56; fp1 = 0.4;
N2_order = 24; fp2 = 0.3;
hb1 = 1.95*firhalfband(N1_order,fp1);
hb2 = 1.95*firhalfband(N2_order,fp2);
figure; freqz(hb1,1,[],fs);title('HB FIR 1');
figure; freqz(hb2,1,[],fs);title('HB FIR 2');
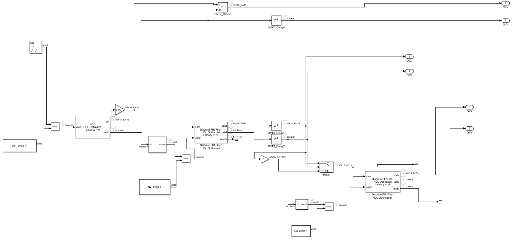
图中是定义的参数生成的滤波器传输特性 ,可以看到FIR2的截止频率比FIR1高,高频幅值高一些,相位失真更晚产生
.slx文件
DDS输出波形后都通过一次延时,一次向下采样示波器展示正弦波形

示波器的输出波形,第一个是直接生成的sin波形,第二个经过了一个FIR滤波器,第三个经过了两个滤波器。并且三个波形的延迟时间不同(因为在DDS中经过的电路长度不同)


从左到右,第一个方框产生sin波形,第二个和第三个方框都是FIR滤波器
逻辑分析仪得到DDS内部三个波形,可以看到样点维持的时间是不同的,第三个样值个数更多,采样频率更快?

第二个波形
第三个幅值更小一点
D
E
DEMO0
DEMO1
最后
以上就是大胆可乐最近收集整理的关于MATLAB Simulink工具箱文件总计使用工具模块的用途的全部内容,更多相关MATLAB内容请搜索靠谱客的其他文章。
发表评论 取消回复