这一讲我们来看一些时序逻辑电路的具体实例。
如有错误,请多指正,我会及时更正错误,并不断补充更新。
先对前期学过的锁存器和触发器的逻辑符号回顾以下

计数器
能够统计输入脉冲个数的时序电路
除了用于直接计数外,还可用于定时器、分频器、程序控制器、信号发生器等多种数字设备中。

同步计数器
各个触发器的时钟输入端均和同一个时钟脉冲相连
触发器的状态改变与时钟脉冲同步
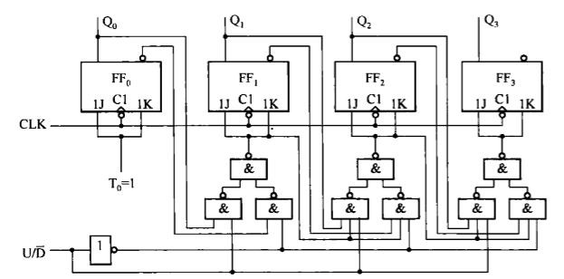
同步二进制计数器
- 电路组成
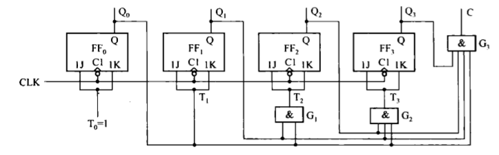
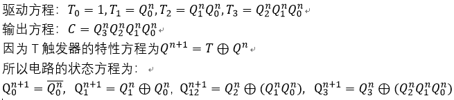
如图:四位同步二进制加法计数器。由4个T触发器组成

- 逻辑功能分析

状态表:

该计数器也叫模16同步加法计数器
- 特点
①模为2n(n为触发器的个数)
②用T触发器构成的同步二进制加法计数器,电路连接有以下两条规律:
T0=1
Ti=Qi-1Qi-2…Q1Q0
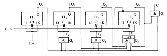
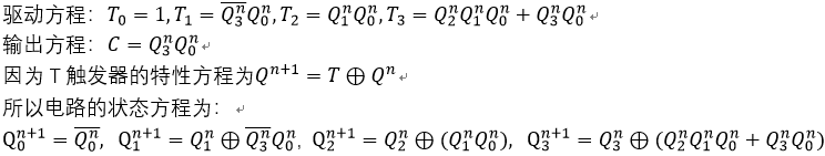
同步十进制计数器
也叫BCD码计数器或模10计数器
- 电路组成

- 逻辑功能分析

状态表

可逆计数器
既有加法计数功能又有减法计数功能的计数器

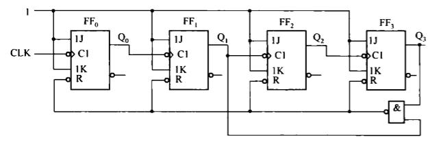
异步计数器
有的触发器直接受输入计数脉冲控制,有的则把其他触发器的输出作为时钟输入信号
触发器状态改变有先有后
异步二进制计数器
-
电路组成
4位二进制异步加法计数器,或模16异步加法计数器

-
逻辑功能分析
波形图

逢16进1
异步十进制计数器
- 电路组成

- 逻辑功能分析

寄存器和移位寄存器
寄存器
用于暂时存放二进制数码的时序逻辑部件
一般含有触发器堆和控制电路这两个部分
如:74175型4位D触发器数据寄存器

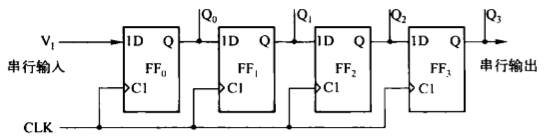
移位寄存器
简称移存器
具有存放代码和移位功能

单向移位寄存器
串入-串/并出单向移存器
右移寄存器


波形图

串/并入-串出单向移存器
左移寄存器

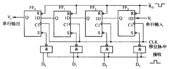
双向移位寄存器
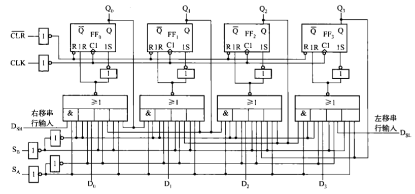
4位双向移位寄存器74194

移位寄存器型计数器
在移位寄存器的基础上加上反馈电路而构成的具有特殊编码的同步计数器
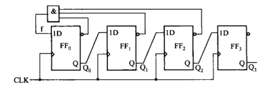
环形计数器
- 电路组成

- 逻辑功能分析

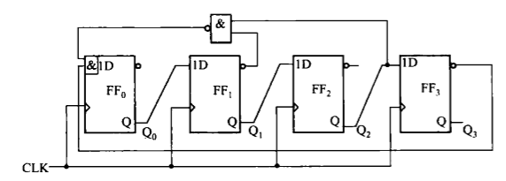
- 实现自启动特性的方法

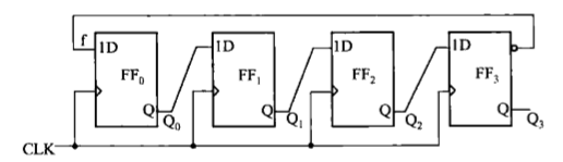
扭环形计数器
- 电路符号

- 逻辑功能分析

- 实现自启动特性的方法

这一讲总结的不是很好(主要是我自己还没有理解得很好),以后还会补充更新哈。
最后
以上就是俊逸酸奶最近收集整理的关于第7讲 常用时序逻辑功能器件:计数器和寄存器——计算机逻辑基础的全部内容,更多相关第7讲内容请搜索靠谱客的其他文章。
本图文内容来源于网友提供,作为学习参考使用,或来自网络收集整理,版权属于原作者所有。
发表评论 取消回复