
队伍名称:北京科技大学节能信标组
参赛队员:叶浩然
夏清悦
张子龙
带队教师:康翌婷
第一章 引言
全国大学生智能汽车竞赛是以“立足培养、重在参与、鼓励探索、追求卓越”为指导思想,鼓励创新的一项科技竞赛活动。无线节能组竞赛允许自制车模,使用英飞凌公司的微控制器作为核心控制模块,通过增加道路传感器、电机驱动模块以及编写相应控制程序,制作完成一个能够自主进行充电、启动、识别信标的模型汽车。参赛队员的目标是模型汽车需要按照规则在3分钟内尽可能多的灭灯.
在这份报告中,我们小组通过对小车设计制作整体思路、电路、算法、调试、车辆参数的介绍,详尽地阐述了我们的思想和创意,具体表现在电路的创新设计,以及算法方面的独特想法,而对单片机具体参数的调试也让我们付出了艰辛的劳动。这份报告凝聚着我们的心血和智慧,是我们共同努力后的成果。
在准备比赛的过程中,我们小组成员涉猎控制、模式识别、传感技术、汽车电子、电气、计算机、机械等多个学科,这次磨练对我们的知识融合和实践动手能力的培养有极大的推动作用,在此要感谢清华大学,感谢他们将这项很有意义的科技竞赛引入中国;也感谢北京科技大学相关学院对此次比赛的关注,我们的成果离不开学校的大力支持及指导老师悉心的教导;还要感谢的是和我们一起协作的队员们,协助,互促,共勉使我们能够走到今天。
第二章 方案设计
本章主要简要地介绍智能车系统总体设计思路,在后面的章节中将整个系统分为机械结构、控制模块、控制算法等三部分对智能车控制系统进行深入的介绍分析。
2.1系统总体方案的选定
根据竞赛规则相关规定,智能车系统采用自制车模,以tc264作为核心控制器,在ADS开发环境中进行软件开发。赛车利用陀螺仪获取当前赛车角速度,摄像头获取信标灯所在的位置,通过处理,完成追灯的过程,同时利用红外管辅助定位,以便精准停车补充电能.
2.2系统总体方案的设计
根据以上系统方案设计,赛车共包括五大模块:tc264主控模块、传感器模块、电源模块、电机驱动模块、速度检测模块。各模块的作用如下:
1. Tc264主控模块:作为整个智能车的“大脑”,将采集摄像头、编码器等传感器的信号,根据控制算法做出控制决策,驱动电机完成对智能车的控制。
2. 传感器模块:是智能车的“眼睛”,可以通过一定的前瞻性,提前感知前方的赛道信息,为智能车的“大脑”做出决策提供必要的依据和充足的反应时间。
3. 电源模块:为整个系统提供合适而又稳定的电源。
4. 电机驱动模块:驱动电机完成智能车的加减速控制。
5. 速度检测模块:检测反馈智能车后轮的转速,用于速度的闭环控制。
第三章 智能汽车机械结构调整与优化
智能汽车各系统的控制都是在机械结构的基础上实现的,因此在设计整个软件架构和算法之前,一定要对整个模型车的机械结构有一个全面清晰的认识,然后建立相应的数学模型,再针对具体的设计方案来调整赛车的机械结构,并在实际的调试过程中不断的改进优化和提高结构的稳定性。本章将主要介绍智能汽模型车型车的机械结构和调整方案。
3.1智能汽车车型选择
我们在尝试了F车模和自制车模方案后,最终决定选用并优化自制车模方案。选用此方案的原因有以下几点:自制车模可以根据使用需要,广泛的选择更为节能电机。F成品车模的电机很难更换,十分费电,使得超级电容组的容量需求会增大。自制车模相对于F成品车模来说,重量会减轻很多,这样使得电机所需扭矩大大减小,电机可输出的最大转速增加,使得如高转速、耗能小的空心杯电机成为备选的可能。F成品车模的机械布局已经固定,设计无线充电线圈时会受到很大程度的限制,自制车模可以自由的设计无线充电线圈,根据需求和实际情况获得最大收益。
赛车机械结构有底盘,在保证强度、刚度的情况下,通过改变车内布局与增减配重调节车模机械平衡位置。控制上采用双电机驱动,差速转向方案。
我们对机械结构的要求是:节能、稳定。我们在不断的尝试后确定了以下的设计方案:

▲ 图3.1 智能汽车外形图
3.2智能车直齿齿轮减速箱设计与调整
空心杯电动机属于直流永磁的伺服、控制电动机,具有突出的节能特性、灵敏方便的控制特性和稳定的运行特性,技术先进性十分明显,因此本次比赛中的自制车模采用双空心杯电机驱动。由于空心杯电机转速很高、功率小,而直立车模需要较大的扭矩,故需要降速增扭,于是在车模传动部分加入了一级减速箱,减速传动比为7.8。
齿轮传动机构对车模的驱动能力有很大的影响。齿轮传动部分安装位置的不恰当,会大大增加电机驱动滚筒的阻力,严重影响最终成绩。调整的原则是:两传动齿轮轴保持平行, 齿轮间的配合间隙要合适,过松容易打坏齿轮,过紧又会增加传动阻力,浪费动力;传动部分要轻松、顺畅,不能有迟滞或周期性振动的现象。判断齿轮传动是否良好的依据是,听一下电机带动齿轮空转时的声音。声音刺耳响亮,说明齿轮间的配合间隙过大,传动中有撞齿现象;声音闷而且有迟滞,则说明齿轮间的配合间隙过小,或者两齿轮轴不平行,电机负载变大。调整好的齿轮传动噪音很小,并且不会有碰撞类的杂音,减速箱齿轮就基本上调整好了,动力传递较为流畅。
3.3 摄像头的安装
本此比赛车模采用线性CCD传感器,在安装时借鉴了摄像头的安装方法,选用质量较轻的塑料支架,安装在前瞻碳杆的中心位置,为重心分布于赛车前半部分提供了正面的效应。另外,在保证线性CCD传感器不识别碳杆且减少外界干扰光线的情况下,线性CCD传感器与地面的夹角应尽量小,达到准确识别车库位置的目的。
3.4 编码器的安装
为了精确测速,我们采用1024线编码器进行测速,光电元件将接受来的光脉冲变成电脉冲,该脉冲数与电机转速成正比,以此来进行测速,可以达到较为精确的测速效果。

▲ 图3.2 对管码盘安装在电机上
3.5“轮胎”的选型与保养
本此比赛车模采用的“轮胎”材料为橡胶与海绵,在使用的过程中主要暴露出的问题有:高速过弯时发生抬轮现象、长期使用容易磨损等。在“轮胎”粘接时,我们尽量保证其圆度;在不调试的时间里,尽量避免“轮胎”与地面接触,保证轮胎的形状不发生改变。
3.6智能车重心位置的调整
由于车模本身较轻,为了防止抬轮,我们将重心尽可能的降低,所有元器件及部件尽量放低,提高车辆行驶过程中的稳定性,以获得较高的极限速度。
第四章 电路设计说明
4.1 主控板和驱动板的硬件设计
从最初进行硬件电路设计时我们就既定了系统的设计目标:可靠、高效、简洁,在整个系统设计过程中严格按照规范进行。
可靠性是系统设计的第一要求,我们对电路设计的所有环节都进行了电磁兼容性设计,做好各部分的接地、屏蔽、滤波等工作,将高速数字电路与模拟电路分开,是本系统工作的可靠性达到了设计要求。
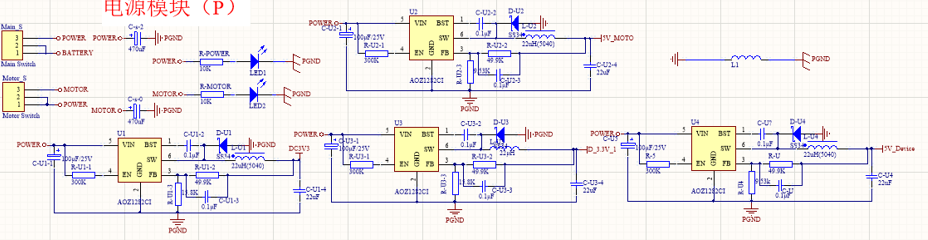
4.1.1 电源管理模块
首先了解一下不同电源的特点,电源分为开关电源和线性电源,线性电源的电压反馈电路是工作在线性状态,开关电源是指用于电压调整的管子工作在饱和和截至区即开关状态的。线性电源一般是将输出电压取样然后与参考电压送入比较电压放大器,此电压放大器的输出作为电压调整管的输入,用以控制调整管使其结电压随输入的变化而变化,从而调整其输出电压,但开关电源是通过改变调整管的开和关的时间即占空比来改变输出电压的。
从其主要特点上看:线性电源技术很成熟,制作成本较低,可以达到很高的稳定度,纹波也很小,而且没有开关电源具有的干扰与噪音,开关电源效率高、损耗小、可以降压也可以升压,但是交流纹波稍大些。
电源模块对于一个控制系统来说极其重要,关系到整个系统是否能够正常工作,因此在设计控制系统时应选好合适的电源模块。根据竞赛规则,无线节能组车模运行的能源来自于无线接收线圈感应电流提供的电能,不允许安装任何电池储能器件。因此经过选择,比赛使用25F超级电容的串并联组合供电。
为满足需要,本车模上存在3种供电电压:
1)智能车使用超级电容作为电源,工作于5~18V。
2)一些数字器件及运算放大器、MCU使用直流5V。为了隔离电机的干扰,输入端加磁珠。
3)使用3.3V为一些外设传感器供电。
该部分电路如图4.1所示:

▲ 图4.1 电源管理模块原理图
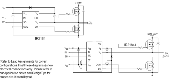
4.1.2 电机驱动模块
驱动的设计尤为重要。常用的电机驱动有两种方式:一、采用集成电机驱动芯片;二、采用 N 沟道 MOSFET和专用栅极驱动芯片设计。市面上常见的集成 H 桥式电机驱动芯片中,飞思卡尔公司的33886 型芯片性能较为出色,该芯片具有完善的过流、欠压、过温保护等功能,内部 MOSFET导通电阻为 120 毫欧,具有最大 5A 的连续工作电流。使用集成芯片的电路设计简单,可靠性高,但是性能受限。由于比赛电机内阻仅为几毫欧,而集成芯片内部的每个 MOSFET导通电阻在 120 毫欧以上,大大增加了电枢回路总电阻,此时直流电动机转速降落较大,驱动电路效率较低,电机性能不能充分发挥。
由于分立的 N 沟道 MOSFET 具有极低的导通电阻,大大减小了电枢回路总电阻。另外,专门设计的栅极驱动电路可以提高 MOSFET 的开关速度,使 PWM 控制方式的调制频率可以得到提高,从而减少电枢电流脉动。并且专用栅极驱动芯片通常具有防同臂导通、硬件死区、欠电压保护等功能,可以提高电路工作的可靠性。
1.专用栅极驱动芯片的选择:
IR 公司号称功率半导体领袖,所以我们主要在 IR 公司的产品中进行选择。其中 IR2184型半桥驱动芯片可以驱动高端和低端两个 N 沟道 MOSFET,能提供较大的栅极驱动电流,并具有硬件死区、硬件防同臂导通等功能。使用两片 IR2184型半桥驱动芯片可以组成完整的直流电机 H 桥式驱动电路。由于其功能完善,价格低廉容易采购,所以我们选择它进行设计,如图4.2 所示。

▲ 图4.2 IR2184应用图
2. MOSFET 的选择:
选择 MOSFET 时主要考虑的因素有:耐压、导通内阻和封装。智能汽车电源是额定电压为 7.2V 的电池组,由于电机工作时可能处于再生发电状态,所以驱动部分的元件耐压值最好取两倍电源电压值以上,即耐压在 36V 以上。而导通内阻则越小越好。封装越大功率越大,即同样导通电阻下通过电流更大,但封装越大栅极电荷越大,会影响导通速度。常用的 MOSFET 封装有 TO-220、TO-252、SO-8 等,TO-252 封装功率较大、而栅极电荷较小。于是我们最终选择了 IR 公司TO-252 封装的 LR7843 型 N 沟道 MOSFET,VDSS = 55 伏、RDS(on) = 8.0 毫欧、ID= 110 安。
3. 控制逻辑电路设计:
IR2184 的控制信号有两个管脚:IN 和 SD。IR2184输入输出信号关系图如图4.3所示:
而当两片 IR2184 驱动如图 4.4所示可逆桥式电路时,其真值表为表 4.1:

▲ 图4.4 可逆桥式电路

▲ 表4.1 可逆桥式电路中IR2184输入输出信号真值表
我们用两片IR2184及四个MOSFET组成全桥的电机驱动电路,并且采用单极性的控制模式,PWM的占空比在0%之时电机速度为零,0~100%控制转速,H_D信号控制转向。
4、驱动电路的原理分析及元件参数确定

▲ 图4.5 电机驱动分析图
这个驱动设计单从信号逻辑上分析比较容易理解,但要深入的理解和更好的应用,就需要对电路做较深入的分析,对一些外围元件的参数确定做理论分析计算。图3.6中IC是一个高压驱动芯片,驱动2个半桥MOSFET。Vb,Vs为高压端供电;Ho为高压端驱动输出;COM为低压端驱动供电,Lo为低压端驱动输出;Vss为数字电路供电.此半桥电路的上下桥臂是交替导通的,每当下桥臂开通,上桥臂关断时Vs脚的电位为下桥臂功率管Q2的饱和导通压降,基本上接近地电位,此时Vcc通过自举二极管D对自举电容C2充电使其接近Vcc电压.当Q2关断时Vs端的电压就会升高,由于电容两端的电压不能突变,因此Vb端的电平接近于Vs和Vcc端电压之和,而Vb和Vs之间的电压还是接近Vcc电压.当Q2开通时,C2作为一个浮动的电压源驱动Q2;而C2在Q2开通其间损失的电荷在下一个周期又会得到补充,这种自举供电方式就是利用Vs端的电平在高低电平之间不停地摆动来实现的.由于自举电路无需浮动电源,因此是最便宜的,如图所示自举电路给一只电容器充电,电容器上的电压基于高端输出晶体管源极电压上下浮动。图2.6中的D和C2是IR2184在脉宽调制(PWM)应用时应严格挑选和设计的元器件,根据一定的规则进行计算分析;并在电路实验时进行调整,使电路工作处于最佳状态,其中D是一个重要的自举器件,应能阻断直流干线上的高压,其承受的电流是栅极电荷与开关频率之积,为了减少电荷损失,应选择反向漏电流小的快恢复二极管,芯片内高压部分的供电都来自图中自举电容C2上的电荷;为保证高压部分电路有足够的能量供给#应适当选取C2的大小.
MOSFET具有相似的门极特性,开通时需要在极短的时间内向门极提供足够的栅电荷,在自举电容的充电路径上,分布电感影响了充电的速率,下桥臂功率管的最窄导通时间应保证自举电容有足够的电荷#以满足栅极所需要的电荷量再加上功率器件稳态导通时漏电流所失去的电荷量.因此,从最窄导通时间为最小值考虑,自举电容应足够小;综上所述,在选择自举电容大小时应考虑,既不能太大影响窄脉冲的驱动性能;也不能太小影响宽脉冲的驱动要求,应从功率器件的工作频率、开关速度、门极特性等方面进行选择、估算后调试而定。

▲ 图4.6 电机驱动模块原理图
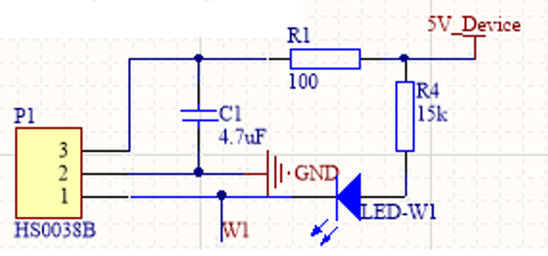
4.1.3 红外检测模块
红外电路较为简单,可利用其检测信标灯发射出的红外,当检测到红外光时,则输出脚为低电平,led灯会亮,电路图如下:

▲ 图4.7接线图
4.1.4其他电路部分设计
(1)核心控制单元:tc264,根据需要引出适量的管脚。
测速模块:在电机上方架编码器,当电机转动时带动编码器转动,由此获取速度信息。由于tc264有正交捕获功能,可以直接将编码器的信号输入最小系统中,但是为了保护最小系统,我们使之经过一个非门之后再输入最小系统进行结算.


人机交互:增加带有液晶屏的数字键盘,拨档开关用于输入参数,策略调整。
该部分整体电路如图4.11所示。

▲ 图4.11 人机交互电路部分
4.2 智能车传感器模块设计
大赛所使用的信标灯会发射可见的红光,红外信号以及电磁信号等,可见的红光我们可以通过数字摄像头处理,而红外信号和电磁信号,我们一开始选择处理电磁信号,但是电磁信号处理起来及其麻烦,并且采集的信号不稳定,还有一定的温漂,受天气的影响较大,所以我们放弃了处理电磁信号而去处理红外信号,红外信号处理简单而且可靠性高,抗干扰性能强.(摄像头处理我们是和最小系统连接在一起并未绘制在主板上)
4.2.1
小车利用陀螺仪获取当前角速度,对于姿态传感器的选型我们选择了l3g4200d三轴姿态传感器,l3g4200d三轴陀螺仪采用IIC协议通信,可读取角度,可以满足此次比赛的要求,其接口原理图如下:

4.2.2摄像头模块

4.3 智能车无线充电接收模块设计
根据《第十三届全国大学生智能汽车竞赛节能组无线充电系统说明》中的规定,车模通过无线电磁感应获取电能需要通过无线电能发送模块和无线电能接收模块共同完成。其中发送模块由组委会统一提供,接收模块为自行制作。
利用电磁互感现象,通过磁场耦合的两个线圈可以完成电能的传输。
4.3.1 接收线圈
采用励兹线缠绕制成空心线圈,部署于模型车周围。
通过对比赛规则的解读,无线充电的时间对比赛时间具有非常重要的影响。在对不同匝数、不同大小,不同高度的线圈充电的效率对比后,结合车身结构,最终决定采用如下形状励兹线绕制 作为无线充电的接收线圈。

▲ 图4.19 充电线圈实物图
4.3.2接收模块电路设计

接收电路如上图所示,用的是卓晴老师的lcc充电网络
第五章 智能车控制软件设计说明
控制程序是人的思想在车模体现,程序要体系化,模块化,稳定化,目标是将硬件电路和机械性能发挥到最大,在考虑能耗的前提下让车模用最快的速度和较高的稳定性来完成比赛,并尽可能完成更高的分数。
5.1底层初始化
初始化用到的模块,如下(子函数略):
get_clk(); //获取时钟频率
disableInterrupts(); //关闭嵌套中断
Mot_Init(); //电机P波初始化
mt9v022_init(); // 摄像头初始化
IIC_Init(); //IIC通信初始化
MPU6050_Init();//6轴陀螺仪初始化
LED_Init(); //LED初始化
enableInterrupts(); //开启中断嵌套
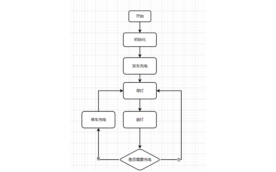
5.2程序控制流程图
程序控制流程图如下图所示,在进行传感器的初始化后,则根据摄像头采集得到的图像来判断车模视野中有无信标灯,如果有则判断进入追灯模式,没有则继续保持寻灯模式,直至寻找到信标灯。

5.3.1 图像定位算法
信标灯在点亮后同时会发送高频无线功率信号(200kHz)和红色、红外灯光用于导引车模前往。车模寻灯过程需要采集摄像头得到的图像,分析图像并获取相应信息。
5.3.1.1 大津法
大津法(OTSU)是一种确定图像二值化分割阈值的算法,由日本学者大津于1979年提出。从大津法的原理上来讲,该方法又称作最大类间方差法,因为按照大津法求得的阈值进行图像二值化分割后,前景与背景图像的类间方差最大。
使用大津法得到的二值化阈值能较好的将图像中的灯与环境分割开大津法将一个灰度图根据灰度阈值T分为前景和后景两个部分,然后通过下面的公式算出其类间方差:
类间方差=前景像素个数占比x(前景平均灰度 - 全图平均灰度)2 + 背景像素个数占比x(背景平均灰度 - 全图平均灰度)2
后将T从0到255遍历一遍,找到使类间方差最大的T则为所需要找到的图像二值化阈值。
5.3.1.2 two-pass 算法
Two-pass 连通域算法,用于获取二值化图像中的连通域。在车模追灯和寻灯过程中,通过大津法得到的二值化图像中信标灯发出的红光在图像中呈现一个白块。通过two-pass 算法可以得到一帧图像中所有的白块位置,并能从中判断信标灯在图像中的位置.
Two-pass 算法基于对图像的两次遍历,第一次遍历获取标识矩阵,并通过标记矩阵中各标识之间的联通关系存储在一个树A中,更新并维护树A,然后根据树A第二次遍历图像合并连通域,从而得到所有的图像中所有的连通域位置。
其具体实现步骤为:
第一次pass,从左到右,从上向下扫描,会将各个有效像素置一个 label 值,判断规则如下 ( 以 4 邻域为例 ) :
1. 当该像素的左邻像素和上邻像素为无效值时,给该像素置一个新的label值,label ++;
2. 当该像素的左邻像素或者上邻像素有一个为有效值时,将有效值像素的label赋给该像素的label值;
3. 当该像素的左邻像素和上邻像素都为有效值时,选取其中较小的label值赋给该像素的label值。
同时维护一个各标识之间联通关系的关系表,记录哪几个label值属于同一个联通区域,表的索引为其自身label值,其值为其根的label值。
第二次pass:根据关系表更新标识矩阵,将关系表中所有的根label与自己的label不同的标识更换成自己根label的标识。
5.3.2 基于位置式PID的方向控制
5.4能量管理策略
基于第十六届“恩智浦”杯全国大学生智能车竞赛节能信标组的比赛要求,车模所有能量均来源于无线发射装置,这就要求车模必须统筹速度和能耗两个因素。相对于往届的组别而言,运行速度和充电速度都占有主导地位。
车模在运行过程中电机耗能占总能耗的主导地位,该系统通过控制电机PWM占空比来控制电机两端电压,保证电机电压不超过一定阈值,这样在一定程度上减少了能耗。
针对车模能耗方面,程序方面有所作为的并不多,其应主要从车模重量、车模形状以及硬件简易程度来大幅度降低车模能耗。尽可能地减少车模重量,优化车模形状,完善接受装置,简化硬件主板,这样在一定程度上可以将能量利用率最大化。从而提高车模的综合性能。
第六章 开发工具、制作、安装、调试
6.1 开发工具
程序的开发是在AURIX Development Studio下进行的,包括源程序的编写、编译和链接,并最终生成可执行文件。
6.2 调试过程
6.2.1 控制算法的参数整定
运用 PID 控制的关键是调整三个比例系数,即参数整定。PID 整定的方法有两类:一是理论计算整定法。它主要是依据系统的数学模型,经过理论计算确定控制器参数。由于智能车整个系统是机电高耦合的分布参数系统,并且要考虑赛道具体环境,要建立精确的智能车运动控制数学模型有一定难度,而且对车身机械结构经常进行不断修正,模型参数变化较频繁,可操作性不强;二是工程整定方法,它主要依赖工程经验,直接在控制系统的试验中进行,且方法简单,采用了这种方法。
1) 方向控制算法的参数整定
方向控制采用位置式PID控制。由于转向调整往往超调,导致车身在碰撞后左右震荡,这种震荡严重影响了车的整体表现。
设置合适的调节调节合适的调节限幅,限幅太大会造成调节过于灵敏,太小则转角太小。经试验测量设为 250 时较为适合。
2) 速度控制算法的参数整定
速度控制采用增量式PID控制,同样采用上一小节的工程整定法。经多次试验得出,Kp,Ki Kd分别取100,850,100同时对积分进行限幅,减小积分项带来的超调现象.
第七章 模型车的主要技术参数说明
7.1 智能车外形参数
- 车长:33.1cm
- 车宽:21.0cm
- 车高:28.0cm
- 车重:约380g
7.2 电路部分参数
我们小组所改造的智能车采用6个20F超级电容供电。车模上共35个电容,电容共887.52uF。
7.3 传感器个数以及种类
我们改造的智能车共使用4个10mH的电感,编码器2个,干簧管1个,CCD一个,陀螺仪一个。
7.4 除了车模原有的驱动电机、舵机之外伺服电机数量
除了车模原有的驱动电机之外没有使用伺服电机。
7.5赛道信息检测精度、频率
赛道信息检测精度是2mm,频率是5ms
结论
自三月初报名参加“恩智浦”杯智能汽车竞赛以来,我们小组成员查找资料,设计机构,组装车模,编写程序,分析问题,最后终于完成了最初目标,定下了现在这个方案。
在此份技术报告中,我们主要介绍了准备比赛时的基本思路,包括机械,电路,以及最重要的控制算法的创新思想。
在传感器布局,我们分析了前几届中出现的电感排布方法,综合考虑到程序的稳定性、简便性,我们最后敲定了现在的电感排布,并通过反复实践决定了传感器的数量和位置。
在电路方面,我们以模块形式分类,在电源管理,电机驱动,接口,控制,信号采集,传感器这六个模块分别设计,在查找资料的基础上各准备了几套方案;然后我们分别实验,最后以报告中所提到的形式决定了我们最终的电路图。
在算法方面,我们使用C语言编程,利用比赛推荐的开发工具调试程序,经过小组成员不断讨论、改进,终于设计出一套比较通用的,稳定的程序。在这套算法中,我们结合路况调整车速,做到直线加速,弯道减速,保证在最短时间跑完全程。
在这几个月的备战中,在场地、经费方面都的到了学校和学院的大力支持,在此特别感谢一直支持和关注智能车比赛的学校和学院领导以及各位老师。同时也感谢比赛组委会能组织这样一项很有意义的比赛。
现在,面对即将到来的大赛,在历时近五个月的充分准备之后,我们有信心在比赛中取得优异成绩。也许我们的知识还不够丰富,考虑问题也不够全面,但是这份技术报告作为我们五个月辛勤汗水来的结晶,凝聚着我们小组每个人的心血和智慧,随着它的诞生,这份经验将永伴我们一生,成为我们最珍贵的回忆。
参考文献
[1] 邵贝贝. 嵌入式实时操作系统[LC/OS-Ⅱ(第2版)[M]. 北京.清华大学出版社.2004
[2] 邵贝贝. 单片机嵌入式应用的在线开发方法[M].北京.清华大学出版社.2004
[3] 王晓明. 电动机的单片机控制[M].北京. 北京航空航天大学出版社.2002
[4] 臧杰,阎岩. 汽车构造[M]. 北京. 机械工业出版社.2005
[5] 安鹏,马伟.S12单片机模块应用及程序调试[J]. 电子产品世界. 2006.第211期. 162-163
[6] 童诗白,华成英.模拟电子技术基础[M].北京. 高等教育出版社.2000
[9] 沈长生.常用电子元器件使用一读通[M].北京. 人民邮电出版社.2004
[10] 宗光华.机器人的创意设计与实践[M].北京. 北京航空航天大学出版社.2004
[11] 张伟等.Protel DXP高级应用[M].北京. 人民邮电出版社.2002
[12] 张文春. 汽车理论[M].北京.机械工业出版社.2005
附录 程序源代码
main()
{
get_clk();
Dip_Switch_Init();
dip_update();
if(jumper!=15)
{
pit_init(CCU6_0, PIT_CH0, 10000);
}
enableInterrupts(); //开启中断嵌套
while(1)
{
if (VIDEO_SEARCH == g_VideoFlag1&&jumper<=13)
{
if(img_num>1)
{
running();
}
else
{
g_VideoFlag1 = VIDEO_FINISH;
eru_enable_interrupt(ERU_CH5_REQ1_P15_8);
eru_enable_interrupt(ERU_CH2_REQ2_P10_2);
}
}
}
}
void running (void)
{
control_flag = 1;
search();
mode_select();
history_meoery();
mode_output();
vol_control();
control_flag = 10; //控制结束
}
● 相关图表链接:
- 图3.1 智能汽车外形图
- 图3.2 对管码盘安装在电机上
- 图4.1 电源管理模块原理图
- 图4.2 IR2184应用图
- 图4.4 可逆桥式电路
- 表4.1 可逆桥式电路中IR2184输入输出信号真值表
- 图4.5 电机驱动分析图
- 图4.6 电机驱动模块原理图
- 图4.7接线图
- 图4.11 人机交互电路部分
- 图4.19 充电线圈实物图
最后
以上就是要减肥铃铛最近收集整理的关于智能车竞赛技术报告 | 节能信标组 - 北京科技大学节能信标组 第一章 引言 第二章 方案设计 第三章 智能汽车机械结构调整与优化 第四章 电路设计说明 第五章 智能车控制软件设计说明 第六章 开发工具、制作、安装、调试 第七章 模型车的主要技术参数说明 结论 参考文献 附录 程序源代码 的全部内容,更多相关智能车竞赛技术报告内容请搜索靠谱客的其他文章。
发表评论 取消回复