一、线性稳压器(LDO)是一种低压差线性稳压器,这是相对于传统的线性稳压器而言的,传统的线性稳压器都要求输入电压比输出电压至少高出2V~3V,否则就不能工作;而LDO则只要求200mV左右即可。
线性电源(LDO)的管子是工作在放大区的,处于放大状态。线性电源LDO只能降压,不能升压。
开关电源(DC-DC)的管子是工作在饱和区、截止区的,处于开关状态。开关电源(DC-DC)既可以升压也可以降压。
LDO的功率损耗主要消耗再开关管上,为开关管的最大耗散功率损耗,所以效率极低。


二、线性稳压器(LDO)工作原理:
线性稳压器(LDO)内部电路一般包括:分压取样电路、基准电压、误差放大电路、晶体管(MOS管)调整电路四部分。
LDO都有电压负反馈回路,以保持输出电压的稳定,而且误差放大电路采用分离元器件的较多,一般很少使用集成运放。

三、基准电压电路与保护电路:
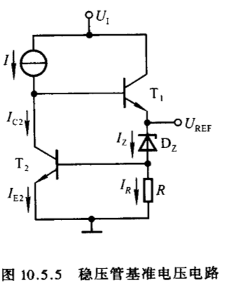
(1)、基准电压电路:串联型稳压电路输出电压的稳定性取决于基准电压的稳定性,因而通常要求基准电压电路具有温度系数为零、输出阻抗小、噪声低的特点。如下图所示,稳压管具有正温度系数,T2三极管具有负温度系数,因此该电路具有温度补偿作用,当温度发生变化时,与
的变化相反,互相抵消,使
变化很小。另外该电路采用射极输出电路,引入了电压负反馈,进一步提高了
的稳定性,使输出阻抗更小。


(2)、保护电路:过流保护、调整管安全工作区保护、芯片过热保护。
①、过流保护:凡是在过流时使调整管发射极电流限制在某一数值的电路,称为限流型过流保护电路。凡是在过流时使调整管发射极电流迅速减小到较小数值的电路,称为截流型过流保护电路。


②、调整管安全工作区保护:既可以使调整管既不因过电流而烧坏,又不因过电压而击穿,是由过电流保护和过电压保护两种电路组合而成,最终使调整管不超过其最大耗散功率。

③、芯片过热保护:芯片过热损坏的重要原因之一就是通过长期过大电流而引起结温超过允许值,在集成稳压器中,调整管的结温决定芯片的温度。

四、集成稳压器(LDO)主要性能参数:
(1)、输入电压范围:稳压器输入端可以输入的电压范围。
(2)、输出电压:稳压器输出端的输出电压值。
(3)、最大输出电流:稳压器输出端的最大输出电流值。
(4)、线性调整率:稳压器输入变化对输出的影响,即在负载一定的情况下,输出电压变化量和输入电压变化量之比。线性调整率越小越好。
(5)、负载调整率:是指在给定负载变化下的输出电压的变化,这里的负载变化通常是从无负载到满负载。负载调整率越小越好。
(6)、电源纹波抑制比(PSRR):表示稳压器抑制由输入电压造成的输出电压波动的能力。线性调整率只有在直流电时才需要考虑,但是电源抑制比必须在宽频率范围上考虑。PSRR是一个用来描述输出信号受电源影响的参量,PSRR越大,输出信号受到电源的影响越小。
(7)、瞬态响应:表示负载电流突变时引起的输出电压的最大变化,它是输出电容及其等效串联电阻和旁路电容的函数。其中输出电容的作用是提高负载瞬态响应的能力,也起到了高频旁路的作用。
(8)、静态电流:又叫接地电流,是通路元件的偏流和驱动电流的组合,通常保持尽可能低的水平。静态电流越大,稳压器的效率越低。
(9)、最大耗散功率:为了确保LDO节点温度不至于过高而损坏,LDO都必须计算最大耗散功率。LDO的实际耗散功耗要小于最大耗散功率,否则可能损坏LDO芯片。
注:LDO的功率耗散主要包括两部分:漏电流功耗、供电电流功耗(管压降功耗)。
最后
以上就是合适煎蛋最近收集整理的关于线性电源(LDO)原理分析的全部内容,更多相关线性电源(LDO)原理分析内容请搜索靠谱客的其他文章。
发表评论 取消回复