使用KEYSIGHT N6705C对NB-IOT模组SIM7020供电测试
- 电路板构造
- 测试设备及方法
电路板构造
主控器采用STC15W4K32S4,用于控制SIM7020启动及串口通信。
开关机参考电路如下:

由于SIM7020串口电平为1.8V,单片机串口电平为3.3V,采用官方硬件设计文档中的电平转换电路来匹配电平。电路如下:


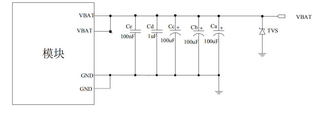
SIM7020供电口按照官方文档要求,并联3个100UF钽电容及1uF、100nF电容各一个,如下图所示:

测试设备及方法
使用KEYSIGHT N6705C配上N6781A对电路板供电,单片机平均耗电约22ma,分别使用采样率100ms及1ms对设备启动时消耗电流进行采样,电流曲线如下:
1.100ms采样周期下获得的电流曲线:
2.1ms采样周期下获得的电流曲线:

通过以上可以发现,采样率过低情况下,能看到的耗电需求不够精确,最大电流只显示为70mA,在采用较高采样率的情况下,可以看到芯片供电瞬时电流需求达到360mA。

再次通过0.1ms采样率对电流持续时间进行观测,可以发现SIM7020模块在联网的时候需要8.6ms的大电流供应。平均电流约0.33A,最高电流达到0.39A。这在设计低功耗产品时,对电池以及LDO芯片的输出电流就有较高的要求。并且在芯片供电端需要并联300uF以上电容保证供电电压稳定。低功耗LDO工作时要考虑自身功耗和电流输出,这两者的均衡。
可以选择通过单片机单独控制SIM7020供电LDO使能端,使其不工作时关闭,降低设备功耗。
最后
以上就是简单白开水最近收集整理的关于NB-IOT模组SIM7020供电测试电路板构造测试设备及方法的全部内容,更多相关NB-IOT模组SIM7020供电测试电路板构造测试设备及方法内容请搜索靠谱客的其他文章。
本图文内容来源于网友提供,作为学习参考使用,或来自网络收集整理,版权属于原作者所有。
发表评论 取消回复