a. Module size: 12*12mm (pin to pin compatible) Package: Stamp type 44pins
- AP6181: WiFi
- AP6210: WiFi/BT4.0
- AP6234: WiFi2.4G,5G/BT4.0
- AP6251: WiFi/GPS (GLNSS)
- AP6330: WiFi 2.4G,5G/BT4.0/FM
- AP6335: WiFi 11ac 2.4G,5G/BT4.0/FM <BCM4339>
- AP6343: WiFi/BT4.0 <BCM43438>
- AP6476: WiFi/BT4.0/FM/GPS (GLNSS)
- AP6493: WiFi/BT4.0/NFC
- AP6441: WiFi2.4G,5G/BT4.0/NFC
b. Module size: 13*15mm
- AP62X2: 2x2-WiFi 2.4G,5G/BT4.0/FM



AP6210 无线模组, 内部集成 SDIO 接口的WiFi 芯片和 UART 接口的低功耗蓝牙 4.0.
- The AP6210 will be supported by the brcmfmac driver of the mainline kernel tree.
- It apparently is a BCM43362 / BCM20710 combo, the former is the WIFI chip, the latter Bluetooth.


Wi-Fi模组AP6181。
2.4G单频段,不支持5G频段。台湾正基的bcm43362模组,价格低于10RMB,AP6181可提供无线调制解调器功能,并可直接利用序列扩频和OFDM /CCK技术,集成了IEEE 802.11 b/g/n MAC、基带、射频以及功率放大器、电源管理装置、 SDIO 2.0或SPI接口,其无线局域网符合IEEE802.11 b/g/n标准,单操作电压为3.3 v,接口为SDIO或者SPI。


应用:




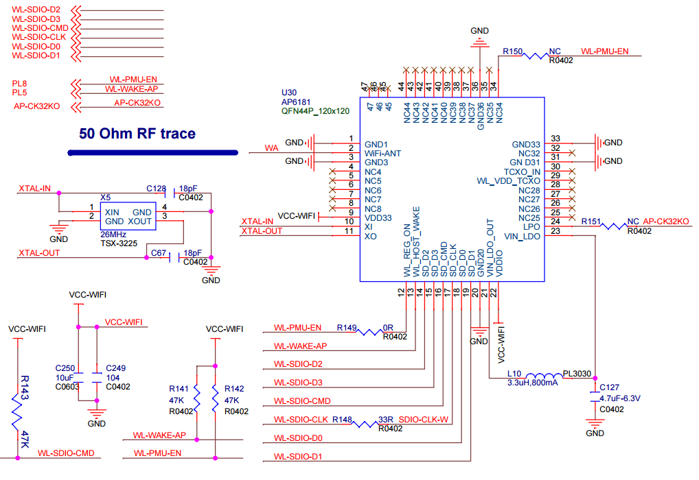
应用原理图:



最后
以上就是调皮泥猴桃最近收集整理的关于AMPAK正基AP6xxx系列模块区别的全部内容,更多相关AMPAK正基AP6xxx系列模块区别内容请搜索靠谱客的其他文章。
本图文内容来源于网友提供,作为学习参考使用,或来自网络收集整理,版权属于原作者所有。
发表评论 取消回复