1.概述
ADW400环保监测模块主要用于计量低压网络的三相有功电能,同时可选择*大四个回路的电流输入,具有RS485通讯和470MHz无线通讯功能,方便用户进行用电监测、集抄和管理。可灵活安装于配电箱内,实现对不同区域和不同负荷的分项电能计量,统计和分析。
2产品型号规格
2.1ADW400主体模块命名规则

注:可选择外置吸盘天线,标配线长2米。
2.2 配套互感器命名规则

2.3 规格型号

3 技术参数
3.1 无线计量模块主要功能

3.2 无线计量模块技术参数

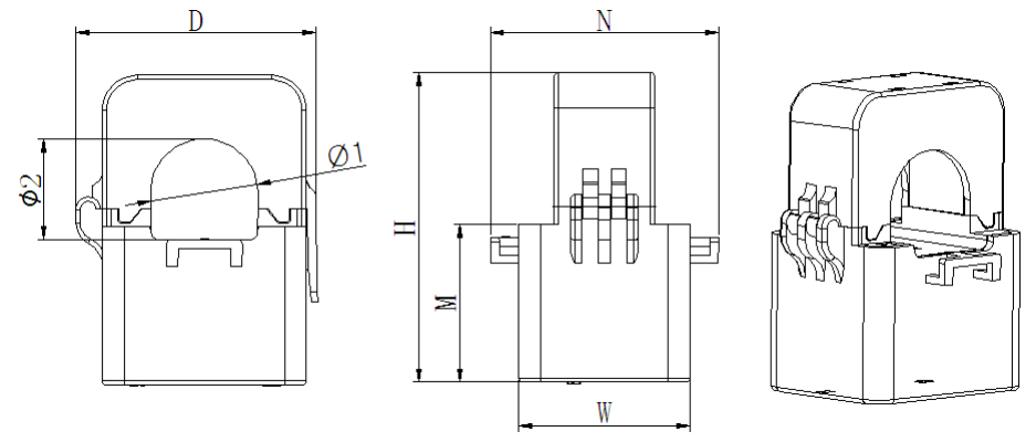
4.外形尺寸及安装说明(单位:mm)
4.1 外形尺寸(单位:mm)
(1)ADW400尺寸图

(2)配套互感器外形尺寸


注:CH1~4每个回路的3个互感器共用同一条线束,线长1m。
4.2 安装说明
ADW400安装方式便利,可导轨式安装和垂直安装;CH1~4同时可选择*大四个回路的电流输入;

4.3 接线说明
接线端子如下图所示,A、B、C互感器的电流信号线分别接IA(进)、IA*(出);IB(进)、IB*(出),IC(进)、IC*(出);A、B、C三相的电压信号线分别接到UA、UB、UC端子;N线接到UN端子。

(1)直接一次电流接入

(2)间接二次电流接入


5 操作与显示
在壳体的正面有8个LED指示灯,分别为:“DI1”、“DI2”、“DI3”、“DI4”、“UA”、“UB”、“UC”、“COM”。
1)、当外部有开关量输入时,“DI1”、“DI2”、“DI3”、“DI4”四个指示灯亮;
2)、当外部有电压输入时,“UA”、“UB”、“UC”三个指示灯亮;
3)、“COM”处有指示闪烁,当红灯闪烁时,表示仪表进行“LORA”通讯;当绿灯闪烁时,表示仪表进行

最后
以上就是满意白猫最近收集整理的关于hj212协议测试软件,环保用电在线监测设备 HJ212协议的全部内容,更多相关hj212协议测试软件,环保用电在线监测设备内容请搜索靠谱客的其他文章。
发表评论 取消回复