0. 概述
1. 三大应用场景
- eMBB, Enhanced Mobile Broadband 增强移动带宽,在现有移动宽带业务场景的基础上,提升用户体验。
- URLLC, Ultra Reliable Low Latency Communication 高可靠、低时延、极高可用性。工业应用控制、远程手术。
- mMTC,massive Machine-Type Communication 海量机器类通信。大规模物联网,主要是人与物之间的信息交互。
2. 5G接入网
5G的解决方案是BBU、RRU重构,核心网下沉、切片
BBU、RRU被重构为CU+DU+AAU
-
CU, Centralized Unit,集中单元,负责处理非实时协议和服务
-
DU,Distribute Unit, 分布单元,负责处理实时协议和物理层协议
-
AAU: Active Antenna Unit, 有源天线单元,部分物理层处理功能和原RRU及无源天线组成

EPC(4G核心网)被分成New Core (5GC, 5G核心网)和MEC(移动网络边界计算平台)。MEC移动到和CU一起,物理层下移,被称为**“下沉”**。
切片,是一个物理意义上网络,按照多个应用场景划分成多个逻辑上的网络,不同逻辑网络服务不同应用场景。

1. 5G整体架构
主要由5GC(5G核心网)、NG-RAN(下一代-无线接入网)、UE(用户终端)组成,5G基站主要就是负责NG-RAN的服务。

一个NG-RAN节点有两种:
- gNB, 向UE提供NR用户面和控制面终端
- ng-eNB, 向UE提供 E-UTRA用户面和控制终端
gNB和ng-eNB是通过Xn接口相互连接;gNB和ng-eNB通过NG接口与5GC相连接,具体地,通过NG-C接口与AMF(访问和移动管理功能),通过NG-U接口与UPF(用户面功能)相连接。
2. 各个网元的功能划分
![[外链图片转存失败,源站可能有防盗链机制,建议将图片保存下来直接上传(img-ruwb1jra-1627122102616)(C:Userscaochong1AppDataRoamingTyporatypora-user-imagesimage-20210710102958267.png)]](https://www.shuijiaxian.com/files_image/2023052702/f7bb5eb20c2b46378379d270b13d52bb.png)
5G网络有NG-RAN(接入网)和5GC(核心网)组成,其中NG-RAN由gNB和ng-eNB(基站)构成,5GC有AMF、UPF、SMF组成,各个网元的简要功能如下:
- AMF: 主要负责访问和移动管理功能(控制面)
- UPF:用于支持用户面功能
- SMF:用于负责会话管理功能
- ng-eNBgNB:用于负责UE接入5GC相关功能
2.1 gNB和ng-eNB的主要功能
- RRM, Radio Resource Management功能: 无线承载控制、无线接纳控制,接入移动控制,上下行链路中对UE的动态资源分配;
- IP头压缩、数据的加密和完整性保护;
- 当不能从UE提供的信息中确定AMF时,从UE附属信息中选择一个AMF
- 用户面数据向UPF的路由
- 控制面数据向AMF的路由
- 连接的安装和释放
- 传话信息的调度和传输
- 系统广播信息的调度和传输(信息源自AMF或者OAM)
- 测量移动性和调度的测量配置
- 上行链路中的传输级别包标记
- 会话管理
- 网络切片支持
- QoS流管理和到数据无线电承载器的映射
- 对于NAS消息的分布式功能
- 无线接入网络共享
- 双向连接性
- NR和E-UTRA之间的紧密互通
2.2 AMF的主要功能
- NAS信号终止
- NAS信号安全
- AS安全控制
- 空闲模式UE可达性(包括传呼转播的控制和执行)
- 注册区域管理
- 支持系统内部和系统见移动性
- 访问权限
- 访问权限包括查询漫游权限
- 移动管理控制(订阅和策略)
- 网络切片支持
- SMF挑选
2.3 UPF主要功能
- 为RAT内部/外部移动性锚点(如适用)
- 连接到数据网络的外部PDU会话点
- 分组路由和转发
- 包检查和用户面部分政策策略实施
- 流量使用情况报告
- 支持将流量路由到数据网络的上行链路分类器
- 分点,以支持多宿主PDU会话
- 用户面的QoS处理,比如数据包过滤,门控,UL/DL率实施
- 上行链路的流量验证(SDF到QoS流映射)
- 下行数据包缓冲和下行数据通知触发
2.4 SMF主要功能
会话管理功能
- 会话管理
- UE IP地址分配和管理
- UP功能的挑选和控制
- 配置UPF的交通转向,为了将交通路由到适当目的地
- 控制部分策略实施和QoS
- 下行数据通知
3. NG-RAN架构
3.1 一般性原则
- 信令和数据传输网络逻辑分离
- NG-RAN和5GC与数据传输相互独立。NG-RAN和5GC的寻址方案和数据传输的寻址方案没有相关性,即同一个设备中,数据传输功能不是NG-RAN或5GC的一部分
- RRC连接的移动性完全由NG-RAN控制
3.2 架构
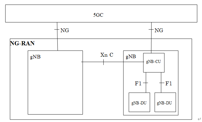
NG-RAN由一系列通过NG接口连接到5GC(5G核心网)的gNB组成,gNB支持FDD模式,TDD模式或双模式。

NG, Xn, F1都是逻辑接口,gNB之间通过 X n Xn Xn接口相互连接;一个gNB由一个gNB-CU和一个或者多个gNB-DU组成, gNB-CU与gNB-DU之间通过 F 1 F1 F1接口连接;gNB通过 N G NG NG接口与5GC相连接。UE和gNB-DU通过空口进行连接
gNB-DU只能与一个gNB-CU建立连接,为了恢复能力,通过合理的设置,一个gNB-DU也许能被多个gNB-CU连接。
对于NG-RAN,gNB的NG接口和Xn-C接口在gNB-CU中终止,对于EN-DC,gNB的S1-U和X2-C接口同样也是终止与CU。
gNB-CU和其连接的gNB-DUs 对于其他的gNB和5GC视为gNB。
4. gNB架构
4.1 组成

主要由CU-C、CU-U、DU 3种网元组成,依据3种网元部署方式的不同,可以分成3种不同系统架构模型:
- CU-C、CU-U、DU一体化架构模型
- CU(包括CU-C和CU-U)、DU分离模型
- CU-C、CU-U、DU全分离模型
4.2 内部关系
gNB采用的是gNB-CU-CP和gNB-CU-UP分离的架构,一个gNB由一个gNB-CU-CP, 多个gNB-CU-UP以及多个gNB-DU构成。

他们之间的关系如下:
- gNB-CU-CP通过 F 1 − C F1-C F1−C接口与gNB-DU连接;
- gNB-DU通过 F 1 − U F1-U F1−U接口与gNB-CU-UP连接;
- gNB-CU-UP通过 E 1 E1 E1接口与gNB-CU-CP连接;
- gNB-DU只和一个gNB-CU-CP相连接;
- gNB-CU-UP只和一个gNB-CU-CP相连接;
- 一个gNB-DU可以与同一个gNB-CU-CP控制下的多个gNB-CU-UP相连接;
- 一个gNB-CU-UP可以与同一个gNB-CU-CP控制下的多个gNB-DU相连接
4.3 功能描述
1. CU-C主要功能
是CU协议栈控制面板,其功能包括
- 通过NG、F1、Xn、E1接口与5GC、DU、gNB、CU-U进行信令交互;
- 负责RRC连接与控制、承载建立/释放、测量管理、移动性、系统消息广播等;
- 负责接纳控制、负载控制、无线资源管理等RRM功能;
- 对UE和Cell不同的流程中进行相应的参数配置或者状态管理
2. CU-U主要功能
通过upApp线程接收配置消息、上行业务数据和下行业务数据,并将收到的配置消息和业务数据分发至对应work线程中,在work线程中处理对应时间
3. DU主要功能
DU主要功能又划分成DU-PHY和DU-UP来进行表述,
- DU-PHY:总体上负责完成上下行物理信道的信号处理,及其他与物理层L1相关的接口和OAM处理
- DU-UP:负责DU上用户面的处理,包括高层业务数据和RRC消息。DU-UP包括RLC、MAC两部分协议处理,对上承接CU-U上的PDCP层,对下则与PHY层相连。RLC 服务链路层的处理,如数据的分段、串接、重传和确认等,而MAC层 负责给予业务特性的调度处理,以及物理层各种信道的适配处理。
最后
以上就是微笑草莓最近收集整理的关于5G架构基础知识0. 概述1. 5G整体架构2. 各个网元的功能划分3. NG-RAN架构4. gNB架构的全部内容,更多相关5G架构基础知识0.内容请搜索靠谱客的其他文章。
发表评论 取消回复