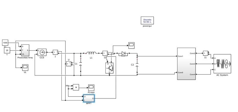
光伏发电极其并网控制matlab/simulink仿真文件,最大功率点跟踪采用扰动观察法,有定步长和变步长两种,调节boost电路占空比控制输出电压,逆变部分有单相和三相,三相采用坐标变换,电压电流双闭环控制,控制方式采用spwm控制,能很好实现并网逆变功能id=655498235702&




最后
以上就是拉长可乐最近收集整理的关于光伏发电极其并网控制matlab/simulink仿真文件,最大功率点跟踪采用扰动观察法的全部内容,更多相关光伏发电极其并网控制matlab/simulink仿真文件内容请搜索靠谱客的其他文章。
本图文内容来源于网友提供,作为学习参考使用,或来自网络收集整理,版权属于原作者所有。
发表评论 取消回复